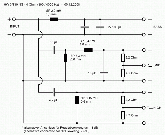
3-wege Weiche 4ohm 180W 300Hz-4kHz HW3-130NG 4Ohm Version

74,90 €
% 96,43 € (22.33% gespart)
Sofort verfügbar, Lieferzeit: 2-4 Tage
Artikelnummer:
85-775-00950
Produktinformationen "3-wege Weiche 4ohm 180W 300Hz-4kHz HW3-130NG 4Ohm Version"
3wege Frequenzweiche aus hochwertigen Kupferspulen und MKT Kondensatoren . Ausgelegt für 4-Ohm Lautsprecher
MKT-Folienkondensatoren sowie verlustarmen Tonfrequenz-Elkos, auf Epoxidharz-Platten montiert. Geprüft auf Funktion, Flankensteilheit und Übernahmefrequenz.
Technische Daten:
- Nennbelastbarkeit 120W
- Musikbelastbarkeit 180W
- Nennimpedanz 4-Ohm
- Flankensteilheit 12 dB / Okt.
- Übernahmefrequenz 300 / 4000 Hz
- Abmessungen 155 x 180 mm
Anmelden
Keine Bewertungen gefunden. Teilen Sie Ihre Erfahrungen mit anderen.