ELA 100V Lautstärkeregler UP 5/10W Weiss

20,75 €
% 23,68 € (12.37% gespart)
Sofort verfügbar, Lieferzeit: 2-3 Tage
Produktinformationen "ELA 100V Lautstärkeregler UP 5/10W Weiss"
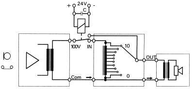
Unterputz Lautstärkesteller für 100V ELA Lautsprecher
- Unterputzmontage in jeder handelsüblichen 60er Schalterdose
- Abschwächung in 10/11 Stufen (von 0dB bis -33dB, Stufe 0 ist AUS)
- Für die 100V ELA Übertragungstechnik
- Frontplatte und Knopf aus weißem Kunststoff
- Aufputzmontage mit passenden optionalen Einbaugehäusen
Technische Daten:
- Frequenzbereich 50...18.000Hz
- Nennbelastbarkeit 5W RMS bzw. 10W Musikleistung
- Pflichtempfang Relais: Ja integriert
- Abmessungen
- Frontblende 80x80mm
- Einbautiefe 45mm
- Anschluss durch Schraubklemmen
- Frontplatte und Knopf abnehmbar
- 2x Klemmen 100V ELA Audio Eingang und
- 2x Klemmen 100V ELA Audio Ausgang - für ein odere mehrere Lautsprecher
- 2x Klemmen für 24VDC Relais Pflichtempfang wenn benötigt wird wenn Sie den Pflichtempfang nicht benötigen dann einfach nicht anschliessen
- Gewicht 220g
- 2-er Befestigungslochmach Mitte/Mitte 60mm
Optional passendes AP/UP Gehäuse siehe (Zubehör-Register)
- 43-891-00265 = 1-fach UP-Aufputzgehäuse Rückseite offen
- 43-891-00520 = 2-fach UP-Aufputzgehäuse Rückseite offen
0 von 0 Bewertungen
Durchschnittliche Bewertung von 0 von 5 Sternen
Anmelden
Zubehör

2-fach Aufputzgehäuse für Lautstärkreregler Kann im Quer- oder Hochformat montiert werden ! Kunststoff Ausführung Farbe: Weiss Abmessungen: 157x83mm Tiefe: 51mm kann auch für den Unterputzeinbau verwendet werden passende Regler siehe auch unter ( Zubehör-Register ) 43-891-00500 =Reglereinheit mit Programmwähler oder auch bedingt 2 Einzelregler

Aufputzgehäuse, das dennoch auch für den Unterputzeinbau verwendet werden kann Ausgelegt für Einbau von Lautstärkestellern aller Art Weisser Kunststoff Abmessungen: 80x80mm +/-2mm Tiefe: 52mm Front mit 6-fach Schraubenlochbild zur sicheren Befestigung von Blenden oder Reglereinsätzte Optional erhältlich siehe auch ( Zubehör-Register ) 85-761-00210 = 2x 10/20W Stereoregler (4-8-16ohm) mit Blende oder 85-761-00205 = 2x 30/40W Stereoregler (4-8-16ohm) mit Blende oder 85-761-00200 = 2x 30/45W Stereoregler (4-8-16ohm) mit Blende oder 85-761-00260 = 2x 40/75W Stereoregler (4-8-16ohm) mit Blende oder 43-891-00210 = Leerblende Weiss für Drahtpotis dann bestücken mit 85-761-00001 = 2x 10/100W Universal Stereo Leistungsregler ohne Blende 85-761-00002 = 2x 50/200W Universal Stereo Leistungsregler ohne Blende 43-891-00220 = Knopf Weiss
Ähnliche Artikel

Unterputz Lautstärkesteller für 100V ELA Lautsprecher Unterputzmontage in jeder handelsüblichen 60er Schalterdose Abschwächung in 10/11 Stufen (von 0dB bis -33dB, Stufe 0 ist AUS) Für die 100V ELA Übertragungstechnik Frontplatte und Knopf aus weißem Kunststoff Aufputzmontage mit passenden optionalen Einbaugehäusen Technische Daten: Frequenzbereich 50...18.000Hz Nennbelastbarkeit 20W RMS bzw. 40W Musikleistung Pflichtempfang Relais: Ja integriert Abmessungen Frontblende 80x80mm Einbautiefe 45mm Anschluss durch Schraubklemmen Frontplatte und Knopf abnehmbar 2x Klemmen 100V ELA Audio Eingang und 2x Klemmen 100V ELA Audio Ausgang - für ein odere mehrere Lautsprecher 2x Klemmen für 24VDC Relais Pflichtempfang wenn benötigt wird wenn Sie den Pflichtempfang nicht benötigen dann einfach nicht anschliessen Umstellbare Jumper nicht vorhanden Gewicht 220g 2-er Befestigungslochmach Mitte/Mitte 60mm Optional passendes AP/UP Gehäuse siehe (Zubehör-Register) 43-891-00265 = 1-fach Aufputzgehäuse Rückseite offen 43-891-00520 = 2-fach Aufputzgehäuse Rückseite offen

100V ELA Einbau Lautstärkesteller Unterputz 35W rms Leistung in 10-Stufen Abschwächung in 10 Stufen (von 0 dB bis - 33 dB, Stufe 0 ist AUS) integr. Audio-Transformator für 100V Übertragungstechnik Frontplatte und Knopf aus weißem Kunststoff (Weiss), Unterputzmontage Aufputzmontage mit passenden Aufbaugehäusen Abm.: 80 x 80 x 40mm Befestigungslochmach Links-Rechts = Mitte/Mitte 60mm Frequenzbereich: 50-18.000Hz Leistung: 35 Watt rms=Nennleistung bzw. max. Musikleistung: 70 Watt Gewicht: 220g Optionales Zubehör (siehe Zubehör Register) z.B. UP/AP Gehäuse 43-891-00260 z.B. UP/AP Gehäuse 43-891-00265

50W rms 100V ELA Lautstärkesteller Unterputz Zonenregler mit hoher Leistung Abschwächung in 10 Stufen (von 0 dB bis - 33 dB, Stufe 0 ist AUS) integr. Audio-Transformator für 100V Übertragungstechnik Frontplatte und Knopf aus weißem Kunststoff (Weiss), Unterputzmontage Aufputzmontage mit passenden Aufbaugehäusen Abmessungen: 80 x 80mm Befestigungslochmaß Links-Rechts = Mitte/Mitte 60mm Frequenzbereich: 50-18.000Hz Leistung: 50Watt rms=Nennleistung bzw. max. Musikleistung: 90Watt Gewicht: 330g Optionales Zubehör (siehe Zubehör Register) z.B. UP/AP Gehäuse 43-891-00260 z.B. UP/AP Gehäuse 43-891-00265

10W rms 100V ELA Lautstärkesteller Unterputz Zonenregler mit kleiner Leistung ideal für Büro .. WC... usw. Abschwächung in 10 Stufen von 0dB bis - 33dB, Stufe 0 ist AUS Audio-Transformator für 100V ELA Audio Übertragungstechnik Frontplatte und Knopf aus weißem Kunststoff (Weiss) Unterputzmontage, Aufputzmontage mit passenden Aufbaugehäusen (43-891-00260 siehe Zubehör-Register) Abmessungen: 80 x 80mm Befestigungslochmaß Links-Rechts = Mitte/Mitte 60mm Frequenzbereich: 50-18.000Hz Belastbarkeit: 10-12 Watt rms=Nennleistung bzw. max. Musikleistung: 20-24 Watt Gewicht: 220g Optionales Zubehör (siehe Zubehör Register) z.B. UP/AP Gehäuse 43-891-00260 z.B. UP/AP Gehäuse 43-891-00265

Unterputz Lautstärkesteller für 100V ELA Lautsprecher Unterputzmontage in jeder handelsüblichen 60er Schalterdose Abschwächung in 10/11 Stufen (von 0dB bis -33dB, Stufe 0 ist AUS) Für die 100V ELA Übertragungstechnik Frontplatte und Knopf aus weißem Kunststoff Aufputzmontage mit passenden optionalen Einbaugehäusen Technische Daten: Frequenzbereich 50...18.000Hz Nennbelastbarkeit 120W RMS bzw. 160W Musikleistung Pflichtempfang Relais: Ja integriert Abmessungen Frontblende 80x80mm Einbautiefe 45mm Anschluss durch Schraubklemmen Frontplatte und Knopf abnehmbar 2x Klemmen 100V ELA Audio Eingang und 2x Klemmen 100V ELA Audio Ausgang - für ein odere mehrere Lautsprecher 2x Klemmen für 24VDC Relais Pflichtempfang wenn benötigt wird wenn Sie den Pflichtempfang nicht benötigen dann einfach nicht anschliessen Gewicht 220g 2-er Befestigungslochmach Mitte/Mitte 60mm Optional passendes AP Gehäuse siehe (Zubehör-Register) 43-891-00265 = 1-fach Aufputzgehäuse Rückseite offen 43-891-00520 = 2-fach Aufputzgehäuse Rückseite offen

Unterputz Lautstärkesteller für 100V ELA Lautsprecher Unterputzmontage in jeder handelsüblichen 60er Schalterdose Abschwächung in 10/11 Stufen (von 0dB bis -33dB, Stufe 0 ist AUS) Für die 100V ELA Übertragungstechnik Frontplatte und Knopf aus weißem Kunststoff Aufputzmontage mit passenden optionalen Einbaugehäusen Technische Daten: Frequenzbereich 50...18.000Hz Nennbelastbarkeit 60W RMS bzw. 90W Musikleistung Pflichtempfang Relais: Ja integriert Abmessungen Frontblende 80x80mm Einbautiefe 45mm Anschluss durch Schraubklemmen Frontplatte und Knopf abnehmbar 2x Klemmen 100V ELA Audio Eingang und 2x Klemmen 100V ELA Audio Ausgang - für ein odere mehrere Lautsprecher 2x Klemmen für 24VDC Relais Pflichtempfang wenn benötigt wird wenn Sie den Pflichtempfang nicht benötigen dann einfach nicht anschliessen Gewicht 220g 2-er Befestigungslochmach Mitte/Mitte 60mm Optional passendes AP Gehäuse siehe (Zubehör-Register) 43-891-00265 = 1-fach Aufputzgehäuse Rückseite offen 43-891-00520 = 2-fach Aufputzgehäuse Rückseite offen

Unterputz Lautstärkesteller für 100V ELA Lautsprecher Unterputzmontage in jeder handelsüblichen 60er Schalterdose Abschwächung in 10/11 Stufen (von 0dB bis -33dB, Stufe 0 ist AUS) Für die 100V ELA Übertragungstechnik Frontplatte und Knopf aus weißem Kunststoff Aufputzmontage mit passenden optionalen Einbaugehäusen Technische Daten: Frequenzbereich 50...18.000Hz Nennbelastbarkeit 45W RMS bzw. 65W Musikleistung Pflichtempfang Relais: Ja integriert Abmessungen Frontblende 80x80mm Einbautiefe 45mm Anschluss durch Schraubklemmen Frontplatte und Knopf abnehmbar 2x Klemmen 100V ELA Audio Eingang und 2x Klemmen 100V ELA Audio Ausgang - für ein odere mehrere Lautsprecher 2x Klemmen für 24VDC Relais Pflichtempfang wenn benötigt wird wenn Sie den Pflichtempfang nicht benötigen dann einfach nicht anschliessen Gewicht 220g 2-er Befestigungslochmach Mitte/Mitte 60mm Optional passendes AP Gehäuse siehe (Zubehör-Register) 43-891-00265 = 1-fach Aufputzgehäuse Rückseite offen 43-891-00520 = 2-fach Aufputzgehäuse Rückseite offen

Unterputz Lautstärkesteller für 100V ELA Lautsprecher Unterputzmontage in jeder handelsüblichen 60er-Schalterdose Abschwächung in 12 Stufen (von 0dB bis -33dB, Stufe 0 ist AUS) Mit 100V Audio Trafo für die 100V Übertragungstechnik Frontplatte und Knopf aus weißem Kunststoff Aufputzmontage mit passenden Einbaugehäusen Technische Daten: Frequenzbereich 50-18000Hz Nennbelastbarkeit 60Watt RMS Musikleistung: 80W Pflichtempfang Relais: Ja integriert Abmessungen: 80x80x45mm Einbautiefe 45mm Anschluss durch Schraubklemmen 2x Klemmen Eingang und 2x Klemmen für Ausgang - für ein oder mehrere Lautsprecher 2x Klemmen für 24Vdc Relais Pflichtempfang wenn benötigt wird wenn Sie den Pflichtempfang nicht benötigen dann einfach nicht anschliessen Gewicht 240g 2-er Befestigungslochmach Mitte/Mitte 60mm optional passendes AP Gehäuse siehe Zubehör-Register Optional erhältlich ( siehe auch im Zubehör Register ) Bst Nr 43-891-00265 = 1-fach Aufputzrahmen 80x80mm für Lautstärkeregler Weiss ( ohne Boden ) Bst Nr 43-891-00260 = 1-fach Aufputzrahmen 80x80mm für Lautstärkeregler Weiss ( mit Boden ) Bst Nr 43-891-00520 = 2-fach Aufputzrahmen 80x157mm für Lautstärkeregler Weiss ( ohne Boden ) Folgende Lautstärkeregler sind von der selben Serie erhältlich ( ggf. Nummer unter Suche eingeben ) Bst Nr 43-891-00400 = 100V ELA Lautstärkeregler Unterputz Weiss mit Leistung 20W rms 30W Musikpower Bst Nr 43-891-00410 = 100V ELA Lautstärkeregler Unterputz Weiss mit Leistung 40W rms 60W Musikpower Bst Nr 43-891-00420 = 100V ELA Lautstärkeregler Unterputz Weiss mit Leistung 60W rms 80W Musikpower Bst Nr 85-761-00205 = 4-8ohm Stereo Lautstärkeregler Unterputz Weiss mit Leistung 2x25W rms 2x40W Musikpower

Unterputz Lautstärkesteller für 100V ELA Lautsprecher Unterputzmontage in jeder handelsüblichen 60er-Schalterdose Abschwächung in 12 Stufen (von 0dB bis -33dB, Stufe 0 ist AUS) Mit 100V Audio Trafo für die 100V Übertragungstechnik Frontplatte und Knopf aus weißem Kunststoff Aufputzmontage mit passenden Einbaugehäusen Technische Daten: Frequenzbereich 50-18000Hz Nennbelastbarkeit 40 Watt RMS Musikleistung: 60W Pflichtempfang Relais: Ja integriert Abmessungen: 80x80x45mm Einbautiefe 45mm Anschluss durch Schraubklemmen 2x Klemmen Eingang und 2x Klemmen für Ausgang - für ein odere mehrere Lautsprecher 2x Klemmen für 24Vdc Relais Pflichtempfang wenn benötigt wird wenn Sie den Pflichtempfang nicht benötigen dann einfach nicht anschliessen Gewicht 220g 2-er Befestigungslochmach Mitte/Mitte 60mm optional passendes AP Gehäuse siehe Zubehör-Register Optional erhältlich ( siehe auch im Zubehör Register ) Bst Nr 43-891-00265 = 1-fach Aufputzrahmen 80x80mm für Lautstärkeregler Weiss ( ohne Boden ) Bst Nr 43-891-00260 = 1-fach Aufputzrahmen 80x80mm für Lautstärkeregler Weiss ( mit Boden ) Bst Nr 43-891-00520 = 2-fach Aufputzrahmen 80x157mm für Lautstärkeregler Weiss ( ohne Boden ) Folgende Lautstärkeregler sind von der selben Serie erhältlich ( ggf. Nummer unter Suche eingeben ) Bst Nr 43-891-00400 = 100V ELA Lautstärkeregler Unterputz Weiss mit Leistung 20W rms 30W Musikpower Bst Nr 43-891-00410 = 100V ELA Lautstärkeregler Unterputz Weiss mit Leistung 40W rms 60W Musikpower Bst Nr 43-891-00420 = 100V ELA Lautstärkeregler Unterputz Weiss mit Leistung 60W rms 80W Musikpower Bst Nr 85-761-00205 = 4-8ohm Stereo Lautstärkeregler Unterputz Weiss mit Leistung 2x25W rms 2x40W Musikpower

Unterputz Lautstärkesteller für 100V ELA Lautsprecher ELA 100V Lautstärkeregler UP 20/30W Weiss mit 24V Pflichtrufrelais Unterputzmontage in jeder handelsüblichen 60er-Schalterdose Abschwächung in 12 Stufen (von 0dB bis -33dB, Stufe 0 ist AUS) mit 100V Audio Trafo für die 100V Übertragungstechnik Frontplatte und Knopf aus weißem Kunststoff Aufputzmontage mit passenden Einbaugehäusen Technische Daten: Frequenzbereich 50-18000Hz Nennbelastbarkeit 20 Watt RMS Musikleistung: 30W Pflichtempfang Relais: Ja integriert Abmessungen: 80 x 80 x 45mm, Einbautiefe: 45mm Anschluss durch Schraubklemmen 2x Klemmen Eingang und 2x Klemmen für Ausgang - für ein odere mehrere Lautsprecher 2x Klemmen für 24Vdc Relais Pflichtempfang wenn benötigt wird wenn Sie den Pflichtempfang nicht benötigen dann einfach nicht anschliessen Gewicht 220g 2-er Befestigungslochmach Mitte/Mitte 60mm optional passendes AP Gehäuse siehe Zubehör-Register Optional erhältlich ( siehe auch im Zubehör Register ) Bst Nr 43-891-00265 = 1-fach Aufputzrahmen 80x80mm für Lautstärkeregler Weiss ( ohne Boden ) Bst Nr 43-891-00260 = 1-fach Aufputzrahmen 80x80mm für Lautstärkeregler Weiss ( mit Boden ) Bst Nr 43-891-00520 = 2-fach Aufputzrahmen 80x157mm für Lautstärkeregler Weiss ( ohne Boden ) Folgende Lautstärkeregler sind von der selben Serie erhältlich ( ggf. Nummer unter Suche eingeben ) Bst Nr 43-891-00400 = 100V ELA Lautstärkeregler Unterputz Weiss mit Leistung 20W rms 30W Musikpower Bst Nr 43-891-00410 = 100V ELA Lautstärkeregler Unterputz Weiss mit Leistung 40W rms 60W Musikpower Bst Nr 43-891-00420 = 100V ELA Lautstärkeregler Unterputz Weiss mit Leistung 60W rms 80W Musikpower Bst Nr 85-761-00205 = 4-8ohm Stereo Lautstärkeregler Unterputz Weiss mit Leistung 2x25W rms 2x40W Musikpower

ELA Pflichtempfangsrelais mit Lautstärkesteller ELA Regler 100V 10W rms 20W Musikleistung Peak Unterputz Lautstärkesteller für 100V ELA Lautsprecher Unterputzmontage in jeder handelsüblichen 60er Schalterdose Abschwächung in 10/11 Stufen (von 0dB bis -33dB, Stufe 0 ist AUS) Für die 100V ELA Übertragungstechnik Frontplatte und Knopf aus weißem Kunststoff Aufputzmontage mit passenden optionalen Einbaugehäusen Technische Daten: Frequenzbereich 50...18.000Hz Nennbelastbarkeit 10W RMS bzw. 20W Musikleistung Pflichtempfang Relais: Ja integriert Abmessungen Frontblende 80x80mm Einbautiefe 45mm Anschluss durch Schraubklemmen Frontplatte und Knopf abnehmbar 2x Klemmen 100V ELA Audio Eingang und 2x Klemmen 100V ELA Audio Ausgang - für ein odere mehrere Lautsprecher 2x Klemmen für 24VDC Relais Pflichtempfang wenn benötigt wird wenn Sie den Pflichtempfang nicht benötigen dann einfach nicht anschliessen Gewicht 220g 2-er Befestigungslochmach Mitte/Mitte 60mm Optional passendes AP/UP Gehäuse siehe (Zubehör-Register) 43-891-00265 = 1-fach UP-Aufputzgehäuse Rückseite offen 43-891-00520 = 2-fach UP-Aufputzgehäuse Rückseite offen