Zum Hauptinhalt springen Zur Suche springen Zur Hauptnavigation springen
schneller Versand
Telefonische Beratung
Rufen Sie gerne an
Rechnungszahlung für Firmen/Behörden
Telefon: +49 (0)7362 - 919093

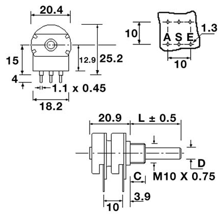
1Kohm Poti Stereo 1K LIN 6mm Kunststoffachse

Produktinformationen "1Kohm Poti Stereo 1K LIN 6mm Kunststoffachse"

1kOhm Stereo Poti LIN 6mm Achse

  • Kohleschicht Potentiometer
  • 6mm Kunststoffachse
  • Leistung 2x 0,2W (logarithmisch) bzw. 2x 0,4W bei (linear)
  • Vmax bis 500V
  • Drehwinkel 300° mechanisch +/-5%
  • Drehmoment: 0,4 Ncm bis 1,5 Ncm
  • Ausführung Stereo
  • Printanschluss, Lötanschluss
  • Toleranz +/-20%
  • Temperaturbereich: -25°C +70°C
  • Lebensdauer: 20.000 Umdrehungen
  • Abmessungen: siehe Zeichnung (Bild 2+3 )

0 von 0 Bewertungen

Durchschnittliche Bewertung von 0 von 5 Sternen

Bewerten Sie dieses Produkt!

Teilen Sie Ihre Erfahrungen mit anderen Kunden.