8Kanal Lauflicht 12V Bausatz für 9-15V

10,25 €
% 11,95 € (14.23% gespart)
Nicht mehr verfügbar
Produktinformationen "8Kanal Lauflicht 12V Bausatz für 9-15V"
8Kanal Lauflicht Bausatz
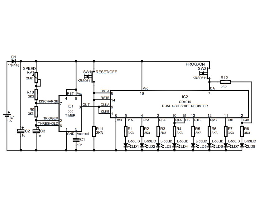
Bei diesem Bausatz handelt es sich um ein Lauflich mit 8 LEDs.
Sie können verschiedene Lauflichteffekte über die PROG-Taste einstellen.
Einstellbare Effektgeschwindigkeit über ein Speed-Potentiometer. Abschaltung über die OFF-Taste.
Technische Daten:
- Stromversorgung:
- 9V-Batterie (nicht im Bausatz enthalten) oder
- externes optionales 12V DC Netzteil 300ma ( Range 9...15V DC )
- Die Schaltung arbeitet mit dem bekannten IC CD4015 und dem Timer NE555
- Abmessungen ca. 95 x 40 mm
Achtung: Bei diesem Produkt handelt es sich um einen Elektronik-Bausatz welcher noch zusammengebaut werden muss. Hierfür sind Lötkenntnisse erforderlich! Es sind alle benötigten Platinenbauteile vorhanden sowie ein Bau-/Bestückungsplan. Der untere abgebildete Schaltplan kann Zubehörartikel zeigen, welche nicht mitgeliefert werden. Die originale 1. Abbildung zeigt den fertig zusammengebauten Bausatz mit seinen ganzen mitgelieferten Bauteilen.
Anmelden