Taster CK7108 1xUM 3pol Ein-Tasten Taster für Platinen

5,95 €
Sofort verfügbar, Lieferzeit: 2-3 Tage
Artikelnummer:
95-834-00014
Produktinformationen "Taster CK7108 1xUM 3pol Ein-Tasten Taster für Platinen"
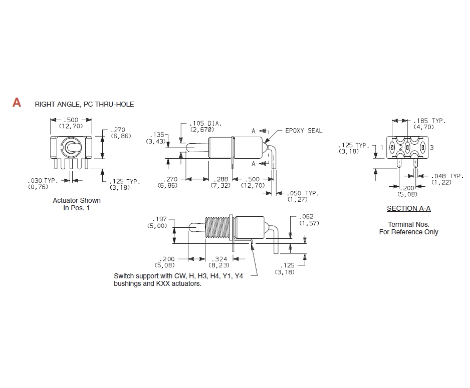
Taster für Platinen CK7108 1xUM 3pol Ein-Tasten
- Taster für die Leiteplatte bzw. Platineneinbau.
- vertikale Printmontage
- Montagetyp Durchführungsloch, rechtwinklig
- Metallknebel mit breitem Löffel
- Funktion: Taster
- Kontakt Aus-Tasten
- Belastbarkeit 0,4VA 20V AC/DC
- Hülsengewinde Ohne Gewinde ( glatter Hals kein Gewinde )
- Epoxidabgedichtete Anschlüsse
- Temperatureinsatzbereicjh: -30°C bis 85°C
- Elektrische Lebensdauer 40.000 Zyklen
- Hebellänge: 13,5mm
- Abmesungen ( siehe auch weitere Bilder Zeichnung )
- Korpus 12,7mm H: 7,0mm T: 14mm mit Pins
- RM 5,08mm / Pins bzw. Stifte: 1,2x0,8mm
Anmelden
Keine Bewertungen gefunden. Teilen Sie Ihre Erfahrungen mit anderen.