Zum Hauptinhalt springen Zur Suche springen Zur Hauptnavigation springen
schneller Versand
Telefonische Beratung
Rufen Sie gerne an
Rechnungszahlung für Firmen/Behörden
Telefon: +49 (0)7362 - 919093

Mikroschalter 20x10x6mm gerader Hebel 1xUM 5A 250V

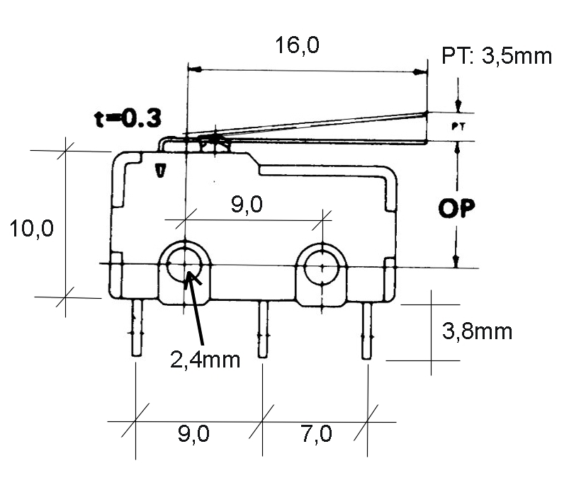
Produktinformationen "Mikroschalter 20x10x6mm gerader Hebel 1xUM 5A 250V"

20mm Mikroschalter mit geradem Hebel 

  • Mikroschalter = 1x Wechslerkontakt = 1xUM 
  • Belastbarkeit des Kontaktes: bis max 5A 250V kurzzeitig 10A  
  • Gerader Metallhebel  HUB PT = : 3,5mm
  • sehr hohe Lebensdauer  
  • Abmessungen: B: 20mm H: 10,0mm T:  6,2mm ( siehe auch Zeichnung weitere Bilder )
  • Metallhebel Länge: 19mm Breite: 4,0mm 
  • 2 Befestigungsbohrungen mit Durchmesser 2,4mm ( Bohr.Abstand 9,0mm ) 
  • Lötkontakte: Länge 3,8mm B: 3,0mm RM: 9,0 / 7,0mm 
  • Temperatureinsatzbereich: -40 ......+ 125 °C
  • Switch resistance (initial) 100 mOhm max. 300 mOhm
  • Insulation resistance (initial) 100 MOhm min. ( 500Vdc for 1 minute )

0 von 0 Bewertungen

Durchschnittliche Bewertung von 0 von 5 Sternen

Bewerten Sie dieses Produkt!

Teilen Sie Ihre Erfahrungen mit anderen Kunden.