Zum Hauptinhalt springen Zur Suche springen Zur Hauptnavigation springen
schneller Versand
Telefonische Beratung
Rufen Sie gerne an
Rechnungszahlung für Firmen/Behörden
Telefon: +49 (0)7362 - 919093

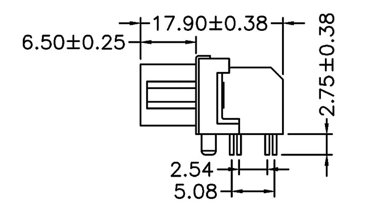
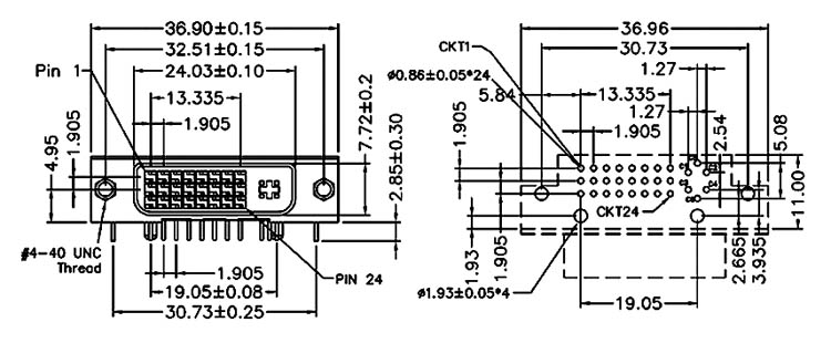
DVI Buchse Lötversion Platinenmontage 90grad gewinkelt 24+5pol DVI-I

Produktinformationen "DVI Buchse Lötversion Platinenmontage 90grad gewinkelt 24+5pol DVI-I"

DVI Buchse 24+5pol für Platinenmontage Analog sowie Digital

  • DVI-I Buchse Einsatz Notebooks, Laptops, Grafikkarten, TV, Reparatur, Ersatzteil, Neuaufbau, Testschaltungen usw. 
  • DVI-I Buchse für Digitale sowie Analoge Signale 
  • DVI-I Buchse ( I steht für Integrated ) Analog + Digital 
  • 24+5polig. Kontakte vergoldet 
  • Buchse 90° gewinkelt für die Leiterplattenmontage 
  • inkl. Bolzen UNC4/40 
  • Isolierkörper: Thermoplastik UL94V-0
  • Kontakte: Kupferlegierung, selektiv vergoldet
  • Nennspannung max.: 40VAC
  • Nennstrom: 1A
  • Spannungsfestigkeit: 500VAC 1 Minute
  • Isolationswiderstand: 1000 MOhm min.
  • Kontaktwiderstand: 30 mOhm
  • max. Temperaturbereich: -20°C bis +85°C
  • Abmessungen siehe Zeichnung 

0 von 0 Bewertungen

Durchschnittliche Bewertung von 0 von 5 Sternen

Bewerten Sie dieses Produkt!

Teilen Sie Ihre Erfahrungen mit anderen Kunden.


Produktgalerie überspringen

Zubehör

DVI Stecker 24+5pol Lötversion Kunststoffgehäuse
DVI Stecker 24+5pol Lötversion Kunststoffgehäuse

DVI Stecker 24+5pol Lötversion DVI-I für Analog sowie Digital  DVI-I Stecker 24+5polig für die Kabelmontage  DVI-I Stecker für Digitale sowie Analoge Signale  DVI-I Stecker ( I steht für Integrated ) Analog + Digital ( siehe auch weitere Bilder ) 24+5polig. Kontakte vergoldet  Ideal für die Reparatur, Beamermontage, Monitor-, Displaymontage etc. oder für die Steckermontage wenn Kabel durch Wände gezogen werden müssen Einsatz Notebooks, Laptops, Grafikkarten, TV, Reparatur, Ersatzteil, Neuaufbau, Testschaltungen usw.   inkl. Bolzen UNC4/40  Vergoldete Kontakte Haube für Kabel bis 8,0mm Durchmesser  Abmessungen ca. B:38mm H:15mm L:53mm

Regulärer Preis: 2,40 €