RFID Codeschloss mit Proximity Lesegerät und 2xKarten

84,95 €
% 99,95 € (15.01% gespart)
Sofort verfügbar, Lieferzeit: 2-3 Tage
Produktinformationen "RFID Codeschloss mit Proximity Lesegerät und 2xKarten"
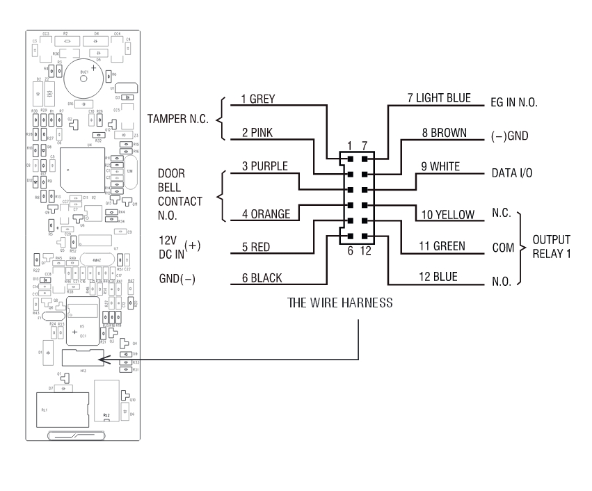
Digitales Codeschloss mit integr. RFID Proximity Lesegerät und 2 Relaisausgängen. RFID Codeschloss Zahlenschloss inkl 2 RFID Karten und 1 Relaisausgäng.
Dieses Gerät ist ein autonomes, wetterfestes Codeschloss mit 2 Relaisausgängen. Es funktioniert nicht nur als digitales Codeschloss sondern auch als RFID Lesegerät mit Schlüsselanhänger oder Plastikkarte (mit EM-Chip 125Khz)
Eigenschaften:
- Das Codeschloss funktioniert mit Zahlencode oder mit RFID EM Karten wie Schlüsselanhänge, Plastikkarte usw.
- Kartenleser kompatibel mit alle Standard Proximity EM-Karten und Schlüsselanhängern mit 125Khz
- Ideal für Wohnung, Büro, Werkhalle, Zutrittsysteme, Alarmtechnik usw.
- Eignet sich ideal als Türöffner und zum Ein-/Ausschalten auch von Türschnapper, Steuerungseinheiten, Alarmanlagen usw.
- Wetterfestes Gehäuse für Aufputzmontage (Indoor/Outdoor)
- beleuchtetes Tastenfeld ideal somit für den Einsatz im dunkeln
- Autonomer Betrieb oder über eine Auswertungseinheit getrennt mit mehreren Codeschlössern der selben Bauart
- kann als eigenständige Tastatur oder in Kombination mit mehreren Codeschlossern der selben Bauart verwendet werden
- Die Programmierung bzw. Einstellung erfolgt mittels einzutippender Codes
- programmierbarer Timer mit sehr großem Bereich für Relaisausgang: 1 Sekunde bis zu mehr als 24 Stunden
- das Codeschloss hat 2 Relaisausgänge für Ausgang 1mit Standard NC/NO-Kontakten und
- einen Türklingelkontakt
- Benutzer für Ausgang 1: 1000 (PIN-Codes und/oder Karten)
- Benutzer für Ausgang 2: 100 (PIN-Codes und/oder Karten)
- 50 Besuchercodes für Ausgang 1: einmalige Nutzung oder gültig von 1 bis 99 Std.
- über 100 Millionen Kombinationen für die Benutzer-Pin-Codes
- Superbenutzer-Code funktioniert mit allen Ausgängen und kann auch die Funktion 'Inhibit' für Ausgang 1 einstellen oder zurücksetzen
- Sie können eine Verzögerung oder eine Warnung einstellen oder programmieren,
- ob Sie die Taste kurz drücken müssen oder diese gedrückt halten müssen, um die Tür zu öffnen
- allgemeine PIN-Code, Benutzer-Code pro Gruppe & persönlicher PIN-Codes für die
- Anwendung mit der EM-Karte (unterschiedliche Sicherungsstufen)
- EIN/AUS auswählbar für akustisches Signal, blinkende Standby-LED & beleuchtete Tastatur
Technische Daten:
- Stromversorgung: 12Volt (11-15Vdc) Strom: 60 - 90 mA
- Proximity: Standard EM Card or Keyfob, 125Khz
- 3 Status LED Anzeigen
- 1 Klingelknopf integriert
- Ausgänge für Schaltaufgaben:
- Relaisausgang 1: potentialfreier Kontakt NC+NO bis 2A 24Vdc max.
- Relaisausgang 2: potentialfreier Kontakt NO bis 2A 24Vdc max.
- Sabotagekontakt: trockener Kontakt NC 50 mA / 24 Vdc
- Betriebstemperatur: -20 °C bis +70 °C
- Feuchtigkeit: 5-95 % RH, nicht-kondensierend
- IP-Schutzart: IP55
- Gehäuse: ABS sehr stabiler Kunststoff mit Drucktaster
- Gewicht: 200 g
- Abmessungen (H x B x T): 169 x 46,5 x 24 mm
passendes Zubehör (siehe auch Zubehör-Register):
- weitere RFID EM Schlüsselanhänger = Bst.Nr.: 79-235-02000
- weitere RFID EM Zutrittskarte = Bst.Nr.: 79-235-02010
- 12V Netzteil = Bst.Nr.: 93-808-00537
NEUHEIT NUN AUCH ALS 100% IP66 WETTERFESTE VANDALENSICHER AUSFÜHRUNG ERHÄLTLICH IM VOLLMETALLGEHÄUSE = BST NR 79-221-00120 ( Nummer unter Suche eingeben )
0 von 0 Bewertungen
Durchschnittliche Bewertung von 0 von 5 Sternen
Anmelden
Zubehör

Dieser RFID Karte (ISO Card) ist eine 125KHz RFID Proximity EM-Schlüssel für Zutrittskontrollsysteme. Er eignet sich für Standard EM Kartenleser und andere div Kartenleser aller Art Technische Daten: Code aufgedruckt zum eingeben in das Lesegerät oder Software NR-1 = 10-stelling / NR-2 = 8-stellig siehe auch weitere Bilder ) Funktion: nur zum Lesen Betriebsfrequenz: 125 kHz Abmessungen: 85,5 x 54 x 1,9 mm passendes Zubehör ( siehe auch Zubehör-Register) RFID Codeschloss (Basisgerät) = Nr.: 79-235-01090 oder 79-235-01000 RFID Schlüsselanhänger = Nr.: 79-235-02000 für: HAA2866 - HAA2890 - MK179 - VM179 100% tiger Ersatzartikel auch A-Nr 79-235-01950

Dieser RFID Karte ( ISO Card ) ist eine 125KHz RFID Proximity EM-Schlüssel für Zutrittskontrollsysteme aller Art Er eignet sich für Standard EM RFID Kartenleser und andere div Codeschlösser und Kartenleser mit RFID 125Khz Technik aller Art Technische Daten: Code aufgedruckt zum eingeben in das Lesegerät oder Software NR-1 = 10-stelling / NR-2 = 8-stellig siehe auch weitere Bilder ) Funktion: nur zum Lesen Betriebsfrequenz: 125 kHz Abmessungen: 85,5 x 54 x 1,9 mm passendes weitere Zubehör fals benötigt ( siehe auch Zubehör-Register ) als Beispiel RFID Codeerschloss = Nr 79-221-00220RFID Codeschloss (Basisgerät) = Nr.: 79-235-01090 oder 79-235-01000 RFID Schlüsselanhänger = Nr.: 79-235-02000 für: HAA2866 - HAA2890 - MK179 - VM179

Dieser RFID Schlüsselanhänger ist eine 125 kHz RFID Proximity EM-Schlüssel für Zutrittskontrollsysteme. Dieser RFID Schlüsselanhänger ist eine 125 kHz RFID Proximity EM-Schlüssel für Zutrittskontrollsysteme. Er eignet sich für Standard EM Kartenleser und Kartenleser mit Wiegand-Datenausgang. Einsatz primär kommt und mit den gängigen EM-Kartenleser Kompatibel mit: Eminent + Chuango + Vellemann für: HAA2866N - HAA2890 Technische Daten: RFID Chip mit Aufdruck einer Nummer ( 10-stellig ) Batterie wird nicht benötigt ! Form : Schlüsselanhänger Code: 64 bit EM-Chip Funktion: nur zum Lesen Betriebsfrequenz: 125 kHz Abmessungen: B: 28mm L: 35mm T:6,5mm passendes Zubehör ( siehe auch Zubehör-Register) RFID Codeschloss (Basisgerät) = Nr.: 79-235-01090 oder 79-235-01000 RFID Zutrittskarte = Nr.: 79-235-02010
Ähnliche Artikel

Dieses Vandalensichere Codeschloss kann verwendet werden, um eine Türe oder auch Garage zu öffnen oder um eine Alarmanlage ein- und auszuschalten wahlweiße per Code eingabe oder optionalen RFID Chip als Schlüsselanhänger Standalone-Zugangskontrolle bzw. Codeschloss mit RFID-Chipleser der bereits integriert ist Diese Zugangskontrolle ist ideal für den Zutritt an Orten wie Büros, Büros, Orte mit Verkehr, Garagen, wo zusätzliche Sicherheit erforderlich ist. Dieses Gerät ermöglicht das Öffnen einer Tür über die Tastatur durch Eingabe eines PIN-Codes oder über eine 125-kHz-RFID-Chip oder RFID-Karte. Der Arbeitsmodus kann in 3 Arbeitsweißen eingestellt werden Nur durch eine Zahlencode öffnen oder Nur durch RFID-Chip öffnen ---- oder Nur durch RFID-Chip und einen Zahlencode zusammen öffnen Das System umfasst ein akustisches Alarmsignal sowie einen mehrfarbige LED-Statusanzeige Das Lesegerät ist mit Nummernblock, *- und #-Taste und Klingeltaste versehen Integrierter Summpre bzw. Tonpipser Zugang per RFID-Chip oder Code Ein optionaler RFID Chip oder RFID Karte kann kontinuierlich hinzugefügt werden im Programmiermodus, da hinzufügen erfolgt duirch den integrierten Leser Zurücksetzen auf Werkseinstellung möglich JA LED-Signalanzeige ( Rot / Grün / Gelb ) Wiegand 26 Schnitstelle Integrierter Controller (Taster, Klingel, NO/NC Relais ) Öffnungs-, Schließsteuerung mit Zeitsteuerung 1-99 Sekunden ( Verzögerung des Relaisausgangs ) Extrem stabiles und widerstandsfähiges Metallgehäuse Gehäuse aus Zink-Aluminium-Legierung, sehr stabil ( Vandalensicher ) Komplette Programmierung über Tastatur möglich. Bis zu 1000 Codes unterstützt dieses Codeschloss per PIN oder RFID-Chip Hintergrundbeleuchtung der Tasten. Wiegand 26-Bit Ausgang zum Anschluss an einen Wieganng-Controller. Türschließzeit , Alarmzeit, Türöffnungszeit können eingestellt warden Sehr geringer Stromverbrauch ( ca. 25mA und Betrieb max 60mA ) Reaktionsgeschwindigkeit : < 20ms Einfach zu installieren und zu programmieren über Codes der Tastatur Rote, gelbe und grüne LED’s zeigen den Arbeitsstatus an. Technische Daten : Aufputz Codeschloss im extra stabilen nicht rostenden Metallgehäuse Betriebsspannung 12V oder 24V DC Gleichspannung Toleranz +/-10% Benutzerkapazität 1000 ( RFID oder Zahlencode über Tastatur ) RFID-Lsedistanz 3-6cm Aktiver Strom kleiner 60mA / Leerlaufstrom 25mA +/-5mA Relais mit potentialfreiem Ausgang NO/NC Kontaktbelastbarkeit max 3A ( ACoder DC bis 48V ) Betriebstemperatur -45....... +60Ž Betriebsfeuchtigkeit 10%- 90% RH Schutzklasse Outdoor IP65 Einstellbare Türrelaiszeit 0-99 Sekunden Wiegand-Schnittstelle Wiegand 26-bit Anschlüsse: über 12poligen Platinensteckverbinder ( einreihig RM 2mm ) bestückt mit 10-Litzenkabel nach Farbnorm ca. 180mm Kabellänge ( Anschluß siehe weitere Bilder ) Kapazität Bis zu 1000 PIN- und/oder RFID-Chips Identifikationsmodi Karte (C), Stift (P), C+P Annäherungskarte EM-RFID (125 KHz) optional erhältlich ( z.B. Bst Nr 79-235-01980 siehe Zubehör ) Ausgänge über potentialfreie Relaisausgang ( NO/NC ) üblichst Datenausgang zusätzlich = Wiegand 26-Bit Temp. Betrieb -45 °C bis +60 °C Abmessungen: B: 77mm H: 110mm T: 27mm Bohrschablone Lochbefestigung RM: Mitte = 90mm / bei 4-Lochbefestigung RM 84x52mm Gewicht 500 gr Lieferumfang: Codeschloss, Anschlußkabel, Bohrschablone, Schlüssel zum öffnen, Dübel, Anleitung Optional erhältlich RFID-Chip als Schlüsselanhänger oder Plastikkarte ( siehe auch im Zubehör-Registre ) Art-Nr 79-235-01980 = RFID Schlüsselanhänger Chip rund ( 125Khz ) Art-Nr 79-235-01950 = RFID Plastikkarte Chipkarte. Größe einer Kreditkarte ( 125Khz )

RFID Proximity Lesegerät (Bausatz) mit 1x Relaisausgang (NC/NO) USB Port und Software. Bausatz zum selber verlöten Dieses Gerät ist ein autonomes Türschloss mit 1 Relaisausgang Proximity Card Reader mit USB Interface und Windows Software Dieses Gerät ist ein autonomes Türschloss mit 1 Relaisausgang und 3 Status-LEDs und Summer Es funktioniert mit allen Transpondern der LF 125Khz Serie mit EM-Chip (EM4100 kompatibel) Eigenschaften: bis zu 250 RFID Karten oder Schlüsselanhänger programmierbar ausgezeichneter Schutz: 64-bit Kodierung Karten oder Schlüsselanhänger können einfach hinzugefügt oder entfernt werden 3-fach LED Status Anzeige auf der Frontplatte Akustische Status mitteilung (Buzzer) Für eine erhöhte Sicherheit kann die Steuerplatine vom RFID Leser (schwarze Frontplatte) in einem Abstand von bis zu max 5m montiert werden. Der Standard Relaisimpuls ist 0,5 Sekunde. Typische Anwendungen: zum Öffnen von Türen, Zäunen, Toren, usw. zum Ein-/Ausschalten von Sicherungssystemen in Wohnungen, Büros, Fahrzeugen, usw. zum Verhindern vom unerlaubten Gebrauch von Apparatur, Maschinen, Computersystemen, usw. zum automatischen Öffnen einer Tür im Office, Wohnung, Haustür.... Eine RFID Karte oder Schlüsselanhänger programmieren: per Software können die Karten oder Schlüsselanhänger können einfach hinzugefügt oder entfernt werden Karten oder Schlüsselanhänger können mit einer ( Mastercard ) eingegeben werden Technische Daten: Integerierter RFID Leser EM4100 kompatibel Relaisausgang: 1x Wechsler (UM) NC/NO max. 3A bis 24V Aktivierung des Relais-Ausgangs: 0.5 Sek. bis 4 Min. oder Toggle (EIN/AUS) Relaisausgang (NO/NC): Toggle- oder Pulse-Modus. Stromversorgung: 12Volt stabilisierte Gleichspannung 100mA DC oder über 5Volt USB Versorgung jedoch nur für die programmierung Beachte: das integrierte Relais funktioniert nur mit einer 12V Versorgung Anschlussart: durch Schraubklemmen +/-12V und 3x Relais Frontplatte durch 6-adriges Litzenkabel / USB durch Platinenbuchse Abmessungen: 80 x 69 x 47mm USB Treiber ist kompatibel mit der 32-bit- und 64-bit-Version von Windows (2000/XP/Vista/7/8). Benutzer Software für MS Windows-7 oder Windows-8 Lieferung: Bausatz zum löten mit 2 RFID Karten, Anleitung und Windows Softwarepassendes Zubehör bzw. optional erhältlich (siehe Zubehör-Register): Netzteil = 93-815-05010 = 12V DC 1A RFID EM Zutrittskarte = Nr.: 79-235-02010 RFID EM Schlüsselanhänger = Nr.: 79-235-02000 Alternatives Gerät ( Fertiggerät siehe unter Register Ähnliche Produkte ) RFID Codeschloss z.B. Nr.: 79-235-01090 ( schmale Bauform ) oder 79-221-0022 ( breit ALU massiv ) Bei diesem Gerät handelt es sich um einen Bausatz zum selber löten, Sie benötigen daher noch ein Lötkolben, Lötzinn und etwas Löterfahrung.

RFID Proximity Lesegerät mit 1x Relaisausgang (NC/NO). Dieses Fertiggerät ( kein Bausatz ) ist ein autonomes Türschloss mit 1 Relaisausgang Es funktioniert mit allen Transpondern der LF 125Khz Serie mit EM-Chip (EM4100 kompatibel)Eigenschaften: bis zu 25 RFID Karten oder Schlüsselanhänger programmierbar ausgezeichneter Schutz: 64-bit Kodierung Karten oder Schlüsselanhänger können einfach hinzugefügt oder entfernt werden mittels Taster auf der Steuerplatine Für eine erhöhte Sicherheit kann die Steuerplatine vom RFID Leser (schwarze Frontplatte) in einem Abstand von bis zu max 5m montiert werden. Der Standard Relaisimpuls ist 0,5 Sekunde. Typische Anwendungen: zum Öffnen von Türen, Zäunen, Toren, usw. zum Ein-/Ausschalten von Sicherungssystemen in Wohnungen, Büros, Fahrzeugen, usw. zum Verhindern vom unerlaubten Gebrauch von Apparatur, Maschinen, Computersystemen, usw. zum automatischen Öffnen der Katzenklappe,... Eine RFID Karte oder Schlüsselanhänger programmieren: Es können bis zu 25-Tags im Leser programmiert werden (high-security 64-bit Kodierung) Sobald Sie ein Tag im Leser programmieren, wird der Low-Security-Modus ausgeschaltet (der Leser reagiert nur auf die programmierten Karten). Während der Programmierung der ersten Karte wird auch die Impulsdauer des Ausgangsrelais bestimmt. Die Mindestdauer ist 0,5 Sekunden die Höchstdauer ist 240 Sekunden (4 Min.) Wenn das Programmieren länger als 240 Sekunden dauert, dann schaltet das Gerät das Relais ein/aus Technische Daten: Integerierter RFID Leser EM4100 kompatibel Relaisausgang: 1x Wechsler (UM) NC/NO max. 3A bis 24V Aktivierung des Relais-Ausgangs: 0.5 Sek. bis 4 Min. oder Toggle (EIN/AUS) Stromversorgung: 12Volt stabilisierte Gleichspannung 100mA DC Anschlussart: durch Schraubklemmen Abmessungen: 66 x 62 x 20mm Lieferung: Fertigmodul mit 2 RFID Karten und Anleitungpassendes Zubehör bzw. optional erhältlich (siehe Zubehör-Register): Netzteil = 93-808-00537 RFID EM Zutrittskarte = Nr.: 79-235-02010 RFID EM Schlüsselanhänger = Nr.: 79-235-02000

Zutritt Chipschlüssel-Leser Outdoor IP66 RFID Lesegerät ( Outdoor Indoor verwendbar ) RFID Lesegeräten mit optionalen RFID Chipschlüsssel. Professionell und preiswert ! Stufenlos ausbaubar vom Handwerker Kleinbetrieb bis Grossbetrieb Berührungsloser Kartenleser 13.56MHz, Berührungsloser Kartenleser (Proximity Card), Frequenz: 13.56MHz (ISO14443A), 8-bit Mikroprozessor, Integrierter Summer, Status-LED, Red, Green and Blue ( 3-farbig ) Wetterfest Ausführung Schutzgrad IP66, Technische Daten: Spannungsversorgung: 7.5...12V DC 200mA Integrierte Notstrom Pufferbatterie ( Built-in Battery ) Temperatur-Einsatzbereich: -35°C bis +66°C, Schnittstelle RS485 oder Wiegand 9,600 bps ( 2Draht Bus ) Zusatzinfo zu den integrierten Schnittstellen Wiegand-Bus ( 26/34bits ) Kabeldistanz max 30m RS485-Bus Kabeldistanz bis max 600m (AWG24) 13.56 MHz for ISO14443A (MIFARE DESFire, MIFARE Plus and MIFARE Classic) Unterstützte ID Formats Reads ( RFID Chipschlüssel ) GID und UID Supported ID Formats Reads GID and UID Rückseite 8x DIP Schalter für Einstellungen, Master-Slave, LED, usw Minimalistischer Anschluß 4 Drähte reichen im Prinzip ( 2x Bus + 12Volt DC ) Aufputzgehäuse komplett vergossen 385mm Kabel ( 12adrige Litze ) rausgeführt verdrahtung am besten in Schalterdose darunter Kabelbelegung: Rot: 7,5-12VDC / Schwarz: GND Minus Grün+Weiss = Wiegand / Blau+L-Blau = RS485 Bus Gelb = Beeper / Orange = LED Grün / L-Rot = LED Rot Abmessungen B: 66mm L: 115mm H: 20mm (BxHxT) Wetterfest Ausführung Schutzgrad IP66 ( Inddor Outdoor ) Aufputz / Frontdeckel wir aufgesteckt ( bedingt auch Unterputzinstalation möglich da vergossen ) Lieferumfang: RFID Card Reader / Schrauben 5 / Security Torx / Software CD / Installation Guide Optionales Zubehör 76-880-04440 = AS2120 Auswertekontroller mit Relais + LAN + RS485 + Wiegang Schnitstelle für die RFID Leser und Zutritt-Software 79-235-04510 = RFID Chipschlüssel passend zum System Fragen zum System ? Kein Problem einfach kurz anrufen 07362-919094

Zutritt Chipschlüssel-Leser Outdoor IP66 RFID Lesegerät ( Outdoor Indoor verwendbar ) Schmaler RFID Lesegeräten mit optionalen RFID Chipschlüsssel. Professionell und preiswert ! Stufenlos ausbaubar vom Handwerker Kleinbetrieb bis Grossbetrieb Berührungsloser Kartenleser 13.56MHz, Berührungsloser Kartenleser (Proximity Card), Frequenz: 13.56MHz (ISO14443A), 8-bit Mikroprozessor, Integrierter Summer, Status-LED, Red, Green and Blue ( 3-farbig ) Wetterfest Ausführung Schutzgrad IP66, Auch einsetzbar als Türrahmen-Kartenleser mit einer Breite von nur 20.9mm kann er an einem Türrahmen einfach montiert werden. Technische Daten: Spannungsversorgung: 7.5...12V DC 200mA Integrierte Notstrom Pufferbatterie ( Built-in Battery ) Temperatur-Einsatzbereich: -35°C bis +66°C, Schnittstelle RS485 oder Wiegand 9,600 bps ( 2Draht Bus ) Zusatzinfo zu den integrierten Schnittstellen Wiegand-Bus ( 26/34bits ) Kabeldistanz max 100m RS485-Bus Kabeldistanz bis max 600m (AWG24) 13.56 MHz for ISO14443A (MIFARE DESFire, MIFARE Plus and MIFARE Classic) Unterstützte ID Formats Reads ( RFID Chipschlüssel ) GID und UID Supported ID Formats Reads GID and UID Rückseite 8x DIP Schalter für Einstellungen, Master-Slave, LED, usw Minimalistischer Anschluß 4 Drähte reichen im Prinzip ( 2x Bus + 12Volt DC ) Aufputzgehäuse komplett vergossen 385mm Kabel ( 12adrige Litze ) rausgeführt verdrahtung am besten in Schalterdose darunter Kabelbelegung: Rot: 7,5-12VDC / Schwarz: GND Minus Grün+Weiss = Wiegand / Blau+L-Blau = RS485 Bus Gelb = Beeper / Orange = LED Grün / L-Rot = LED Rot Abmessungen B: 20.9mm L: 105.6mm T: 20.5 mm ( extra schmale Abmessungen ) Wetterfest Ausführung Schutzgrad IP66 ( Inddor Outdoor ) Aufputz / Frontdeckel wir aufgesteckt ( bedingt auch Unterputzinstalation möglich da vergossen ) Lieferumfang: RFID Card Reader / 2 Schrauben / 2x Frontplatten / Installation Guide / Software per Download Optionales Zubehör 76-880-04440 = AS2120 Auswertekontroller mit Relais + LAN + RS485 + Wiegang Schnitstelle für die RFID Leser und Zutritt-Software 79-235-04510 = RFID Chipschlüssel passend zum System Fragen zum System ? Kein Problem einfach kurz anrufen 07362-919094

RFID Lesegerät Zutritt Bus Lesegerät RS485 Wiegand Touch Codeschloss DS-K1102AMKZutrittskontrollsysteme spielen eine entscheidende Rolle in allen sensiblen Bereichen, da sie nur berechtigten Personen zu einem bestimmten Zeitpunkt den Zutritt gewähren. Kartenlesegerät der Serie Pro DS-K1102AMK. Diese Zugangskontrolle ist ideal für den Zutritt an Orten wie Büros, Büros, Orte mit Verkehr, Garagen, wo zusätzliche Sicherheit erforderlich ist.PIN-Codes oder über einen MIFARE 13.56MHz Chip oder auch beidesDer Hikvision DS-K1102AMK ist ein hochentwickelter Kartenleser aus der Serie, der eine zuverlässige und sichere Zugangskontrolle bietet. Mit einem integrierten audible beeper ermöglicht dieser Leser eine akustische Bestätigung bei erfolgreicher Authentifizierung. Die Unterstützung für RS-485 und Wiegand (W26/W34) Protokolle sorgt für eine flexible Integration in bestehende Systeme.Integrierter akustischer SignalgeberRS-485- und Wiegand-Protokoll (W26/W34) über optionalen KontrollerID-Einstellungen über DIP-SchalterManipulationssicherer AlarmGehäuse aus ABS-Material mit PMMA-PlattendesignAusgestattet mit einem 32-Bit-HochgeschwindigkeitsprozessorEingebauter SignaltonAnzeige des Leserstatus über integr. LEDRS-485- und Wiegand-Protokoll (W26/W34) einstellbar per DIP-SchalterManipulationssicherer AlarmOnline-Upgrade-Funktion (im 485-Kommunikationsmodus).Watchdog-Design zur Selbstreparatur im Fehlerfall für eine lange Lebensdauer des Lesers.Staub- und wasserdichtes DesignErfüllt die Norm ISO 14443-AUnterstützt das Lesen von Mifare-Karten (Frequenz: 13,56 MHz)Technische Daten :Unterputz Codeschloss im Kunststoffgehäuse ( ABS-Kunststoff + Polycarbonat )Betriebsspannung 12V DC 500mA 2WattRFID-Lsedistanz 2-5cmAktiver Strom kleiner 60mA / Leerlaufstrom 25mA +/-5mAHauptprozessor 32BitTonwarnung Ja / DIP-Switch Ja / LED Anzeige JA /Anschlüsse: über festes Kabel mit 200m Länge bestückt mit 10-Litzenkabel nach FarbnormRelaiskontakte : NEIN !Einsatz Indoor / Outdoor da Schutzgrad IP64Temp. Betrieb -20 °C bis +65 °CBetriebstemperatur -45....... +60°CBetriebsfeuchtigkeit 5%- 90% RHSchutzklasse Outdoor IP65Abmessungen: B: 86,5mm H: 121mm T: 14mmLochbefestigung RM: Mitte = 60mm Ideal für das einsetzten in SchalterdosenLieferumfang: Codeschloss, Anschlußkabel, Schlüssel zum öffnen, AnleitungOptional erhältlich79-235-04510 oder 79-235-01940 Schlüsselanhänger Chip rund ( MIFARE 13,56hz )Kontroller optional z.B.DS-K2801 AP-Gehäuse = Anzahl der Türen 1x ( Lock-Relais 1x ) = only 2x Wiegand 26/34 max 2 Card-Reader / Card-Register 10.000 / TCP/IP LAN 1x RJ45DS-K2802 AP-Gehäuse = Anzahl der Türen 2x ( Lock-Relais 2x ) = only 4x Wiegand 26/34 max 4 Card-Reader / Card-Register 10.000 / TCP/IP LAN 1x RJ45DS-K2804 AP-Gehäuse = Anzahl der Türen 4x ( Lock-Relais 4x ) = only 4x Wiegand 26/34 max 4 Card-Reader / Card-Register 10.000 / TCP/IP LAN 1x RJ45******** AlternativDS-K2601-T-Mainboard = Anzahl der Türen 1x ( Lock -Relais 1x ) = 2x Wiegand 26/34 + 2x RS485 /Card-Register 100.000 Events 300.000 / TCP/IP LAN 1x RJ45DS-K2602-T-Mainboard = Anzahl der Türen 2x ( Lock -Relais 2x ) = 4x Wiegand 26/34 + 4x RS485 /Card-Register 100.000 Events 300.000 / TCP/IP LAN 1x RJ45DS-K2604-T-Mainboard = Anzahl der Türen 4x ( Lock -Relais 4x ) = 8x Wiegand 26/34 + 4x RS485 /Card-Register 100.000 Events 300.000 / TCP/IP LAN 1x RJ45******** AlternativDS-K2601-T AP-Gehäuse = Anzahl der Türen 1x ( Lock-Relais 1x ) = 2x Wiegand 26/34 + 2x RS485 / Card-Register 100.000 Events 300.000 / TCP/IP LAN 1x RJ45 ( 32Bit CPU )DS-K2602-T AP-Gehäuse = Anzahl der Türen 2x ( Lock-Relais 2x ) = 4x Wiegand 26/34 + 4x RS485 / Card-Register 100.000 Events 300.000 / TCP/IP LAN 1x RJ45 ( 32Bit CPU )DS-K2604-T AP-Gehäuse = Anzahl der Türen 4x ( Lock-Relais 4x ) = 8x Wiegand 26/34 + 8x RS485 / Card-Register 100.000 Events 300.000 / TCP/IP LAN 1x RJ45 ( 32Bit CPU )

RFID Lesegerät Zutritt Bus Lesegerät only Wiegand Codeschloss DS-K1801MKZutrittskontrollsysteme spielen eine entscheidende Rolle in allen sensiblen Bereichen, da sie nur berechtigten Personen zu einem bestimmten Zeitpunkt den Zutritt gewähren. Kartenlesegerät der Serie DS-K1801 Diese Zugangskontrolle ist ideal für den Zutritt an Orten wie Büros, Büros, Orte mit Verkehr, Garagen, wo zusätzliche Sicherheit erforderlich ist.PIN-Codes oder über einen MIFARE 13.56MHz Chip oder auch beidesDer Hikvision DS-K1801MK ist ein hochentwickelter Kartenleser aus der Serie, der eine zuverlässige und sichere Zugangskontrolle bietet. Mit einem integrierten audible beeper ermöglicht dieser Leser eine akustische Bestätigung bei erfolgreicher Authentifizierung.Die Unterstützung nur das Wiegand (W26/W34) Protokoll und sorgt somit für eine flexible Integration in bestehende Systeme. Es unterstützt nur die Verbindung zum Mikrocontroller oder Zugangskontrollterminal über das Wiegand-Protokoll (W26/W34).LED-Anzeige für Betriebszustand und Durchgangsberechtigung,Integrierter akustischer SignalgeberWiegand-Protokoll (W26/W34) über optionalen KontrollerGehäuse aus ABS-Material mit vergossenem InletEingebauter Signalton und großer Status LEDAnzeige des Leserstatus über integr. LEDIntegrierter Prozessor 8-BitManipulationssicherer AlarmStaub- und wasserdichtes DesignLesesdistanz max 50mmUnterstützt das Lesen von Mifare-Karten oder Tags (Frequenz: 13,56 MHz)Technische Daten :Aufputz Codeschloss im Kunststoffgehäuse ( ABS-Kunststoff + Polycarbonat )Betriebsspannung 12V DC 150mA 1,8WattRFID-Lsedistanz 1-5cmAktiver Strom kleiner 60mA / Leerlaufstrom 25mA +/-5mAHauptprozessor 8BitTonwarnung Ja / DIP-Switch Nein / LED Anzeige JA /Anschlüsse: über festes Kabel mit 500mm Länge bestückt mit 8-Litzenkabel nach FarbnormRelaiskontakte : NEIN !Einsatz Indoor / Outdoor da Schutzgrad IP64Temp. Betrieb -20 °C bis +65 °CBetriebstemperatur -45....... +60°CBetriebsfeuchtigkeit 5%- 90% RHSchutzklasse Outdoor IP65Abmessungen: B: 87mm H: 87mm T: 13,3mmLochbefestigung Bodenplatte = RM: Mitte = 60mm Ideal für das einsetzten in SchalterdosenLieferumfang: Codeschloss, Anschlußkabel, AnleitungOptional erhältlich79-235-04510 oder 79-235-01940 Schlüsselanhänger Chip rund ( MIFARE 13,56hz )Kontroller optional z.B.DS-K2801 AP-Gehäuse = Anzahl der Türen 1x ( Lock-Relais 1x ) = only 2x Wiegand 26/34 max 2 Card-Reader / Card-Register 10.000 / TCP/IP LAN 1x RJ45DS-K2802 AP-Gehäuse = Anzahl der Türen 2x ( Lock-Relais 2x ) = only 4x Wiegand 26/34 max 4 Card-Reader / Card-Register 10.000 / TCP/IP LAN 1x RJ45DS-K2804 AP-Gehäuse = Anzahl der Türen 4x ( Lock-Relais 4x ) = only 4x Wiegand 26/34 max 4 Card-Reader / Card-Register 10.000 / TCP/IP LAN 1x RJ45******** AlternativDS-K2601-T-Mainboard = Anzahl der Türen 1x ( Lock -Relais 1x ) = 2x Wiegand 26/34 + 2x RS485 /Card-Register 100.000 Events 300.000 / TCP/IP LAN 1x RJ45DS-K2602-T-Mainboard = Anzahl der Türen 2x ( Lock -Relais 2x ) = 4x Wiegand 26/34 + 4x RS485 /Card-Register 100.000 Events 300.000 / TCP/IP LAN 1x RJ45DS-K2604-T-Mainboard = Anzahl der Türen 4x ( Lock -Relais 4x ) = 8x Wiegand 26/34 + 4x RS485 /Card-Register 100.000 Events 300.000 / TCP/IP LAN 1x RJ45******** AlternativDS-K2601-T AP-Gehäuse = Anzahl der Türen 1x ( Lock-Relais 1x ) = 2x Wiegand 26/34 + 2x RS485 / Card-Register 100.000 Events 300.000 / TCP/IP LAN 1x RJ45 ( 32Bit CPU )DS-K2602-T AP-Gehäuse = Anzahl der Türen 2x ( Lock-Relais 2x ) = 4x Wiegand 26/34 + 4x RS485 / Card-Register 100.000 Events 300.000 / TCP/IP LAN 1x RJ45 ( 32Bit CPU )DS-K2604-T AP-Gehäuse = Anzahl der Türen 4x ( Lock-Relais 4x ) = 8x Wiegand 26/34 + 8x RS485 / Card-Register 100.000 Events 300.000 / TCP/IP LAN 1x RJ45 ( 32Bit CPU )

Access Controller Zutrittskontroller mit 1xTür-Relais 2xWiegand 2xRS485 1xRJ45DS-K2601-T-Mainboard = Anzahl der Türen 1x ( Lock -Relais 1x )Selbständiger Kontroller für bis zu 2 RFID-Leser und mit 1x Relaisausgang für 1x TürLeserports = 2x Wiegand 26/34 + 2x RS485 /Card-Register 100.000 Evennts 300.000 / TCP/IP LAN 1x RJ45Technische Daten und FunktionenAnzahl der Türen 1 = Relais zum Tür öffnenKapazität für Karten oder Tags : max 100.000 / Event: Register 300.000Weitere-Funktionen : Antipassback Ja / Kartenfreischaltung JaKommunikationKommunikationsmodus zum Leser: 2x Wiegand 26/34 oder 2x RS485-BusEingänge/Ausgänge für FRID-Leser max 2 Leser für 1 Türe ( 1x Relaiskontakt für Türöffner )Wiegand 2RS485 2Alarmeingang 4Türsensor 1Exit Taste 1Eintrag sperren 1Alarmausgang 2Strom und Verbrauch Stromversorgungsmodus1x 12VDC Spannung / Verbrauch max 50W ( Klemme )1x 12VDC Anschluss für Nostrom Batterie ( Bleiakku )PC Kommunikationsmodus RJ45 ( 10/100MBit ) TCP/IPBetriebstemperatur -20 ºC ~ 65 °CVerwendung InnenAbmessungen 236 x 185 x 37 mmNettogewicht 580 gSofware per Download : Account Management iVMS-4200 Client Software ( für Windows oder MAC )Zusatzinfo zum Verständnis :Wenn Sie ein größeres Gebäude haben z.B. mit 4-Zugängen ( z.B. 4x verschieden Türen ) dann benötigen Sie auch 4 dieser Kontroller und 4-RFID-Lesegeräte ( je nach dem ob Innen- und Außeneinsatz dann ggf. 8x RFID-Lesegeräte ).Diese Kontroller gibt es wie folgt ( je nach Einsatz im Gebäude )DS-K2801 AP-Gehäuse = Anzahl der Türen 1x ( Lock-Relais 1x ) = only 2x Wiegand 26/34 max 2 Card-Reader / Card-Register 10.000 / TCP/IP LAN 1x RJ45DS-K2802 AP-Gehäuse = Anzahl der Türen 2x ( Lock-Relais 2x ) = only 4x Wiegand 26/34 max 4 Card-Reader / Card-Register 10.000 / TCP/IP LAN 1x RJ45DS-K2804 AP-Gehäuse = Anzahl der Türen 4x ( Lock-Relais 4x ) = only 4x Wiegand 26/34 max 4 Card-Reader / Card-Register 10.000 / TCP/IP LAN 1x RJ45******** AlternativDS-K2601-T-Mainboard = Anzahl der Türen 1x ( Lock -Relais 1x ) = 2x Wiegand 26/34 + 2x RS485 /Card-Register 100.000 Events 300.000 / TCP/IP LAN 1x RJ45DS-K2602-T-Mainboard = Anzahl der Türen 2x ( Lock -Relais 2x ) = 4x Wiegand 26/34 + 4x RS485 /Card-Register 100.000 Events 300.000 / TCP/IP LAN 1x RJ45DS-K2604-T-Mainboard = Anzahl der Türen 4x ( Lock -Relais 4x ) = 8x Wiegand 26/34 + 4x RS485 /Card-Register 100.000 Events 300.000 / TCP/IP LAN 1x RJ45******** AlternativDS-K2601-T AP-Gehäuse = Anzahl der Türen 1x ( Lock-Relais 1x ) = 2x Wiegand 26/34 + 2x RS485 / Card-Register 100.000 Events 300.000 / TCP/IP LAN 1x RJ45 ( 32Bit CPU )DS-K2602-T AP-Gehäuse = Anzahl der Türen 2x ( Lock-Relais 2x ) = 4x Wiegand 26/34 + 4x RS485 / Card-Register 100.000 Events 300.000 / TCP/IP LAN 1x RJ45 ( 32Bit CPU )DS-K2604-T AP-Gehäuse = Anzahl der Türen 4x ( Lock-Relais 4x ) = 8x Wiegand 26/34 + 8x RS485 / Card-Register 100.000 Events 300.000 / TCP/IP LAN 1x RJ45 ( 32Bit CPU )RFID Lesegeräte ( Codeschloß ) siehe unten im Zubehör-Register

Access Controller Zutrittskontroller mit 2xTür-Relais 4xWiegand 4xRS485 1xRJ45DS-K2602-T-Mainboard = Anzahl der Türen 2x ( Lock-Relais 2x )Selbständiger Kontroller für bis zu 4 RFID-Leser und mit 2x Relaisausgang für 2x TürenLeserports = 4x Wiegand 26/34 + 4x RS485 /Card-Register 100.000 Evennts 300.000 / TCP/IP LAN 1x RJ45Technische Daten und FunktionenAnzahl der Türen 2 = Relais zum Tür öffnenKapazität für Karten oder Tags : max 100.000 / Event: Register 300.000Weitere-Funktionen : Antipassback Ja / Kartenfreischaltung JaKommunikationKommunikationsmodus zum Leser: 4x Wiegand 26/34 oder 4x RS485-BusEingänge/Ausgänge für FRID-Leser max 4 Leser für bis zu 2 Türe ( 2x Relaiskontakt für Türöffner )Wiegand 4xRS485 = 4xAlarmeingang 4Türsensor 2Exit Taste 2Eintrag sperren 2Alarmausgang 4Strom und Verbrauch Stromversorgungsmodus1x 12VDC Spannung / Verbrauch max 100W ( Klemme )1x 12VDC Anschluss für Nostrom Batterie ( Bleiakku )PC Kommunikationsmodus RJ45 ( 10/100MBit ) TCP/IPBetriebstemperatur -20 ºC ~ 65 °CVerwendung InnenAbmessungen 236 x 185 x 37 mmNettogewicht 640 gSofware per Download : Account Management iVMS-4200 Client Software ( für Windows oder MAC )Zusatzinfo zum Verständnis :Wenn Sie ein größeres Gebäude haben z.B. mit 4-Zugängen ( z.B. 4x verschieden Türen ) dann benötigen Sie auch 2 dieser Kontroller und 4-RFID-Lesegeräte ( je nach dem ob Innen- und Außeneinsatz dann ggf. 8x RFID-Lesegeräte ).Diese Kontroller gibt es wie folgt ( je nach Einsatz im Gebäude )DS-K2801 AP-Gehäuse = Anzahl der Türen 1x ( Lock-Relais 1x ) = only 2x Wiegand 26/34 max 2 Card-Reader / Card-Register 10.000 / TCP/IP LAN 1x RJ45DS-K2802 AP-Gehäuse = Anzahl der Türen 2x ( Lock-Relais 2x ) = only 4x Wiegand 26/34 max 4 Card-Reader / Card-Register 10.000 / TCP/IP LAN 1x RJ45DS-K2804 AP-Gehäuse = Anzahl der Türen 4x ( Lock-Relais 4x ) = only 4x Wiegand 26/34 max 4 Card-Reader / Card-Register 10.000 / TCP/IP LAN 1x RJ45******** AlternativDS-K2601-T-Mainboard = Anzahl der Türen 1x ( Lock -Relais 1x ) = 2x Wiegand 26/34 + 2x RS485 /Card-Register 100.000 Events 300.000 / TCP/IP LAN 1x RJ45DS-K2602-T-Mainboard = Anzahl der Türen 2x ( Lock -Relais 2x ) = 4x Wiegand 26/34 + 4x RS485 /Card-Register 100.000 Events 300.000 / TCP/IP LAN 1x RJ45DS-K2604-T-Mainboard = Anzahl der Türen 4x ( Lock -Relais 4x ) = 8x Wiegand 26/34 + 4x RS485 /Card-Register 100.000 Events 300.000 / TCP/IP LAN 1x RJ45******** AlternativDS-K2601-T AP-Gehäuse = Anzahl der Türen 1x ( Lock-Relais 1x ) = 2x Wiegand 26/34 + 2x RS485 / Card-Register 100.000 Events 300.000 / TCP/IP LAN 1x RJ45 ( 32Bit CPU )DS-K2602-T AP-Gehäuse = Anzahl der Türen 2x ( Lock-Relais 2x ) = 4x Wiegand 26/34 + 4x RS485 / Card-Register 100.000 Events 300.000 / TCP/IP LAN 1x RJ45 ( 32Bit CPU )DS-K2604-T AP-Gehäuse = Anzahl der Türen 4x ( Lock-Relais 4x ) = 8x Wiegand 26/34 + 8x RS485 / Card-Register 100.000 Events 300.000 / TCP/IP LAN 1x RJ45 ( 32Bit CPU )RFID Lesegeräte ( Codeschloß ) siehe unten im Zubehör-Register