12V Netzteil 1000W 80A In 90-264V CASE einstellbar 11V-14V PSPA

Anzahl | Stückpreis |
---|---|
Bis 3 |
224,00 €
289,00 €
(22.49% gespart)
|
Ab 4 |
215,00 €
289,00 €
(25.61% gespart)
|
Sofort verfügbar, Lieferzeit: 2-4 Tage
Produktinformationen "12V Netzteil 1000W 80A In 90-264V CASE einstellbar 11V-14V PSPA"
12V Netzteil 12V Gleichspannung stabilisiert. Hochleistungnetzteil geschlossene Bauform mit Lüfter.
Diese primär getakteten Schaltnetzteile liefern an den Ausgängen eine hochstabile, einstellbare Gleichspannung von 11V bis 14V bei einem Dauerlaststrom von bis zu 80A. Die Schaltfrequenz von ca. 100kHz gestattet die Verwendung kleinster Bauteile. Größe und Gewicht dieser getakteten Netzgeräte konnten, im Vergleich mit herkömmlichen Linearnetzgeräten, um ca. 80% reduziert werden. Diese Schaltnetzteilserie verfügt über eine Klemmleiste, Trimmer zum feineinstellen.
- Geschlossene Bauform ( Case ) mit Lüfter
- Eingang / Ausgang über Schraubanschlüsse
- Ausgang mit Parallel-Funktion es können 4-Netzteile zusammengeschaltet werden !
- Stromaufteilung bis zu 4000W ( 3+1 )
- geschützt gegen Kurzschluss, Überlast, Überspannung, Übertemperatur
- eingebauter PFC-Schaltkreis
- Ein- und Ausschalten der Ausgangsspannung über Remotesignal
- Sensoranschluss für korrekte Spannung an der Last
Technische Daten:
- Leistung: max. 1000VA = 960Watt
- Eingangsspannung: 230VAC 50Hz
- AC Input: 90...264Vac 47-63Hz /oder DC-Input mit 127...370Vdc
- Ausgangspannung: 12V DC stabilisiert ( über Poti einstellbar im Bereich 11-14V )
- Somit geeignet für Spannungen 11,0V 11,5V 11,8V 12,0V 12,8V 13,0V 13,3V 13,8V 14,0V
- Ausgangsstrom 0-80A ( keine Mindestlast )
- Restwelligkeit: 150mV
- Wirkungsgrad: 92%
- Ausgangsschutz vor Überspannung : 14,5-16,5V
- Setup-Timme : 1000ms / Rise Time 50ms
- Integrierte Status-LED und Trimmer für Feineinstellung
- Überlastschutz: 115...140% shut down. autom. restart.
- Betriebstemperatur: -20...+70°C
- Lüftung: durch integrierte Lüfterkühlung
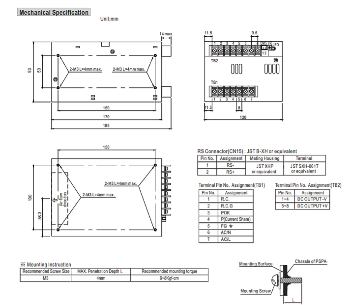
- Anschlüße über Schraubklemmen
- Eingang : L + N + PE ( Klemmen 5= PE / 6= N / 7=L )
- Ausgang über 4x Plus ( 5-8 ) und 4x Minus ( 1-4 )
- Fernsteuerungsanschluss Remote ON-OFF usw.
- Erfüllt alle gängigen Sicherheitsnormen
- UL62368-1, CAN/CSA C22.2 No. 62368-1, TUV BS EN/EN62368-1, BSMI CNS14336-1,
- AS/NZS62368.1, EAC TP TC 004 approved
- EMC EMISSION : BS EN/EN55032 (CISPR32) / BS EN/EN61000-3-2 +3
- EMC IMMUNITY : BS EN/EN61000-4-2 ( +3/+4/+5/+6/+8 )
- Abmessungen: T: 170x B: 120mm H: 93mm
- Gewicht: 1,93Kg
- Orginale Bef.Winkel von Herstellerseite gibt es nicht; es muß immer ein Standad Metallwinkel etwas angepasst werden
- Am Boden und seitlich befinden sich M3 Innengwinde wo das Netzteil befestigt werden kann ( max Tiefe 4,0mm )
- Siehe auch weitere Bilder = Zeichnung, Doku usw.
- Bst Nr.: 93-808-03210 = DIN Befestigungstreifen 140x20mm zu MW SNT ( RM100mm integriert )
- Bst Nr.: 93-808-03250 = 175mm DIN Schienen Hutschienenclip ( muß jedoch 2x Löcher nachgebort werden )
Zusatzinfo : Dieses Netzteil besitz einen Ausgang mit Parallel-Funktion für den Einsatz mit Hochstrom-Anwendung
- 1x Art-Nr 93-807-00251 = ergibt 960Watt Netzteil 12V DC 0-80A
- 2x Art-Nr 93-807-00251 = ergibt 1920Watt Netzteil 12V DC 0-160A
- 3x Art-Nr 93-807-00251 = ergibt 2880Watt Netzteil 12V DC 0-240A
- 4x Art-Nr 93-807-00251 = ergibt 3840Watt Netzteil 12V DC 0-320A
Anmelden