15V Netzteil 15V 500W 33A auf 13V-18V einstellbar Case Schaltnetzteil RSP

129,00 €
% 149,00 € (13.42% gespart)
Sofort verfügbar, Lieferzeit: 2-4 Tage
Produktinformationen "15V Netzteil 15V 500W 33A auf 13V-18V einstellbar Case Schaltnetzteil RSP"
15V 501W Netzteil 13-18V Gleichspannung stabilisiert Einstellbar 13V-18V Vario CASE
15V Netzteil 13,5-18V einstellbare Gleichspannung. Solides Netzteil in Case Ausführung für den universellen Einsatz im Maschinenbau, Industrie, Beleuchtungstechnik, Schaltanlagen im Prinzip für alle Art von Baugruppen und Schaltungen die 13,5-18V Gleichspannung benötigen
Besonderheit:
- Hochleistungs Netzteil mit Lüfter
- Fernsteuerbar (Remote ON/OFF)
- EMI Entstörfilter
- Temperatur geregelter Lüfter mit Remote ON/OFF
- Kleine Bauform trotz 500W Leistung mac Current Range 33,4A
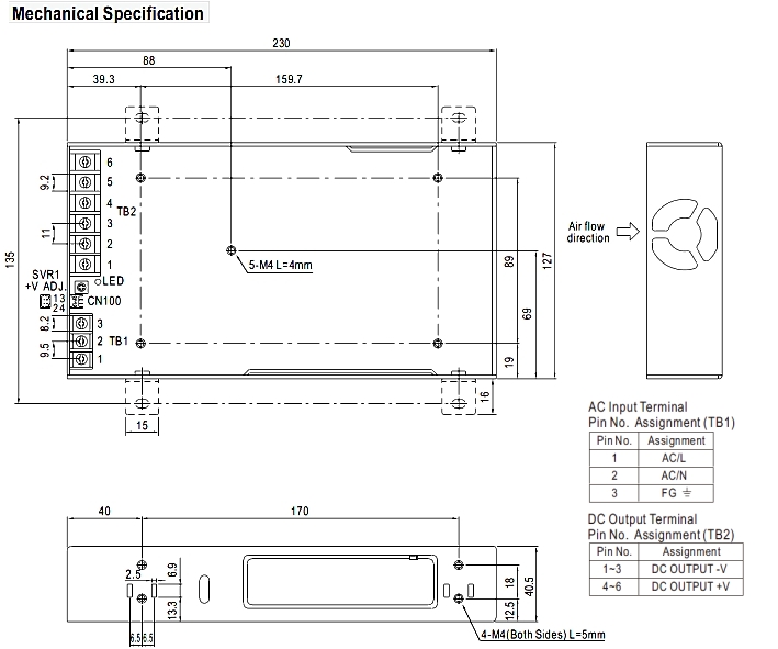
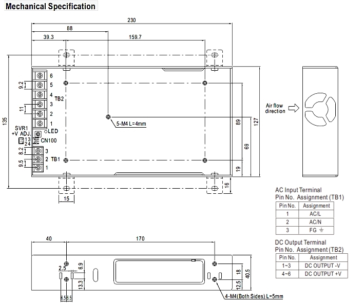
Technische Daten:
- Eingangsspannungsbereich: 230VAC typisch 85...264Vac 47...63Hz oder 120..370Vdc
- Leistung: 500Watt
- Ausgangsspannnung: 15V DC Gleichspannung
- Poti Einstellbarkeit Ausgang von 13,5V....18V
- Restwelligkeit nur 150mV p-p
- Belastbarkeit Ausgang 0-33,4A 501W
- Kurzschlußfest Überlastschutz
- Netzausfallüberbrückung >18ms
- Lastregulierung +/-0,3%
- Überlastschutz 105-135% mit autom. Restart
- Hoher Wirkungsgrad 88%
- Soft-Start mit Strombegrenzung
- Eingebauter Entstörfilter
- Geringe Restwelligkeit 150mV vss
- 100% Burn-In Test unter Vollast
- Integr. aktive PFC Funktion (PF>0.95)
- Integr. Remote ON-OFF Funktion
- Fernschaltung 0.8V=Power On und 4..10V=Power Off
- Integrierter Lüfter ( 1 Stück )
- Betriebs.Temp.-Bereich: -30°...+70°C
- Sehr solide Schraubanschlüsse
- Abmessungen: T bzw. L:230mm H:41mm B:127mm
- Im Boden befinden sich 5x M4 Gewinde ( 160x89mm ) zur Befestigung von Hutschienenclips Blechen o.ä.
- Auf der Seite befinden sich 4x M4 Gewinde (18/170mm) zur Befestigung von Hutschienenclips Blechen o.ä.
- passendes Zubehör wie Hutschieneclips etc. siehe Zubehör-Register
- Gewicht: 1.35kg
Anmelden