SKKT2608 Thyristor Modul bis 50A 800V SCR

16,90 €
% 59,00 € (71.36% gespart)
Sofort verfügbar, Lieferzeit: 2-4 Tage
Artikelnummer:
10-886-00560
Produktinformationen "SKKT2608 Thyristor Modul bis 50A 800V SCR"
SKKT26/08D Thyristormodul bis 50A 800V
- Regelbaren Gleichstrom für Netzteile Power Supplys
- DC Motor Control
- Softstart AC Motor Soft Start Funktion
- Dimmer Hochleistungsdimmer, Dimmerpack etc.
- Professional light dimming ( Studio, Theater, Bühne usw. )
- Power converter / Lighting and temperature control /
- Test- Steuerschaltungen / Experimentierschaltungen / Schule Versuch etc.
- Typischer Einsatz 12V 24V 36V 48V 110V 115V 230V 380V 400V 440V AC
- Hohe Dauerstromfähigkeit 50A bis 52A RMS
- Hohe Strossstromfestigkeit bis 470A
- Hohe thermische Leitfähigkeit
- Exzellentes Energie-/Leistungsverhältnis
Technische Daten:
- Semikron 2fach Thyristormodul / Thyristor / Diode Modules / SCR Bridge
- Urrm = Max. Peak Recurrent Reverse Voltage bis 800V
- Itrms = 50A maximum value for continous operation ( Maximalwert für Dauerbetrieb )
- I = Irms = 52A = RMS forward current Tcase=85 °C
- I = Durchlassstrom effektiv 58A / 77A (Id=38/50A 45°C)
- I = ITSM = 470A 10ms = max. forward surge current
- Ansteuerung der Gates
- Igt = IGT = Gate Trigger Vurrent Igate = min 150mA
- Vgt = VGT = Gate Trigger Voltage = min 3V ( 25°C)
- Vgd = VGD = Gate non Trigger Voltage = 0,25V
- TGD = 1usekunde ( sehr schnell )
- Isolationspannung: 3600 1sek ac 50Hz / 3000V 50Hz 1min
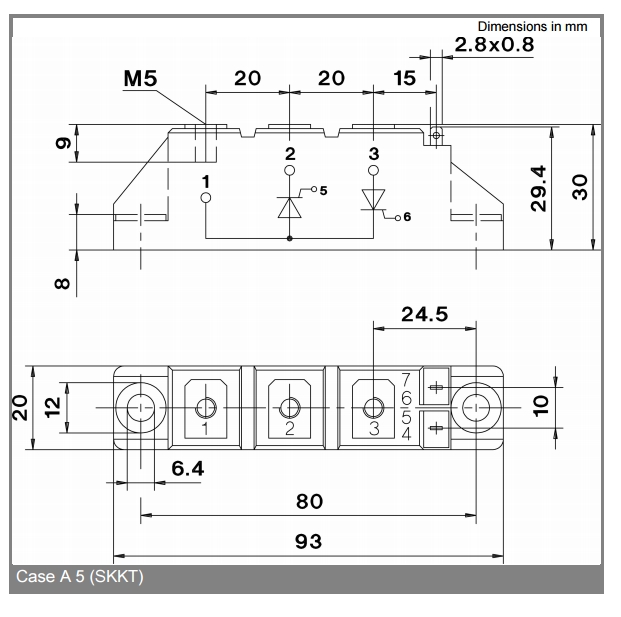
- Gehäues: Industry standard outline SEMIPACK-1 Gehäuse A5 = (93x20x30)
- Abmessungen: B:20mm L:93mm H:30mm ( Siehe Zeichnung )
Mit nur wenigen Bauteilen einen Dimmerpack, Hochleistungs-Motoregler aufbauen z.B. mit Treiber IC TCA785 oder
Anmelden
Keine Bewertungen gefunden. Teilen Sie Ihre Erfahrungen mit anderen.