Schalter Kippschalter Subminiatur 2xUM = 2xWechsler Serie-200

Anzahl | Stückpreis |
---|---|
Bis 9 |
1,85 €
|
Bis 24 |
1,65 €
|
Ab 25 |
1,38 €
|
Sofort verfügbar, Lieferzeit: 2-3 Tage
Artikelnummer:
95-834-00024
Produktinformationen "Schalter Kippschalter Subminiatur 2xUM = 2xWechsler Serie-200"
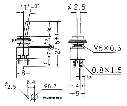
Kippschalter Miniatur mit 2 Wechslerkontakten ( Serie 200 )
- 2 Wechslerkontakte (6-polig) Lötösen
- Abmessung siehe auch weitere Bilder
- Hebellänge: ca. 10mm
- Gewinde: M5x0,5 / Bohrung Frontplatte 5,2mm
- Belastbarkeit: 125V 3A
- Abmessungen: 8 x 9 x 7mm (BxTxH)
Anmelden
Keine Bewertungen gefunden. Teilen Sie Ihre Erfahrungen mit anderen.