22mm Taster Vollmetall mit Klingel Symbol und 12V LED Beleuchtung Klingelknopf IK9 Vandalensicher
9,90 €
% 14,95 € (33.78% gespart)
Sofort verfügbar, Lieferzeit: 2-3 Tage
Produktinformationen "22mm Taster Vollmetall mit Klingel Symbol und 12V LED Beleuchtung Klingelknopf IK9 Vandalensicher"
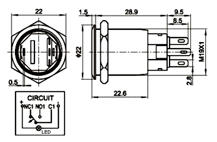
Taster mit Klingel Symbol und 12V LED Beleuchtung IK9 Vandalensicher
Edelstahl-Taster mit 12V LED Beleuchtung und Klingel Symbol + Mit diesem Edelstahl-Taster lassen sich z.B. Stromstoßrelais .. Eltako und bistabile Relais aller Art bequem ansteuern
Einsatz z.B. als Hausteuerung, Türen, Steuerungstechnik, Industrie, Schaltschrankbau, Modellbau usw.
- Edelstahl-Metalltaster mit Klngel-Symbol und Ringbeleuchtung weiss,
- Vollmetalltaster Kopf-Durchmesser 22mm
- Edelstahl
- Schutzgrad: IP65 / IK09
- mit Ein/Aus-Symbol
- Ring und Symbol beleuchtet
- 12V DC LED Beleuchtung DC Range 4-18V ( Alternativ bedingt ggf auch 4-12VAC wegen Lichtfarbe jedoch schlechter )
- Steck- oder auch Lötanschluss ( Pin Terminal 2,8 x 0,5mm )
- Druck: 4.0N / Torque 0,8nm
- 3 Kontakte = 1x Schliesser, 1 x Öffner somit 1x Wechslerkontakt
- Kontakt Schaltleistung bis 250V AC max 5A
- Lieferung mit Gummidichring
- Abmessungen / Zeichnung und weitere Details siehe auch weitere Bilder !
- Kopf-Durchmesser 22mm
- Einbaudurchmesser 19mm
- Einbaulänge inkl. Kontakte 40mm
Folgende Ausführungen dieser Taster Serie sind erhältlich:
- Bst Nr 95-839-00720 = 22mm Edelstahltaster mit flachem Kopf
- Bst Nr 95-839-00740 = 22mm Edelstahltaster mit rundem Kopf
- Bst Nr 95-839-00700 = 22mm Metalltaster mit rundem Kopf
- Bst Nr 95-839-03400 = 22mm Edelstahl-Metalltaster mit LED Beleuchtung und I / O Symbol
- Bst Nr 95-839-03410 = 22mm Edelstahl-Metalltaster mit LED Beleuchtung und Licht-Symbol
- Bst Nr 95-839-03420 = 22mm Edelstahl-Metalltaster mit LED Beleuchtung und Klingel-Symbol
Hierzu passend NEU im Sortiment V2A Edelstahl Universal Blenden erhältlich
- Bst Nr 99-300-07000 = V2A Klingeltaster Blende 1-HB = 82x82mm mit 2-Bohrungen + Extra solide und stabile 3mm Ausführung !
- Bst Nr 99-300-07010 = V2A Klingeltaster Blende 2-HB = 82x82mm mit 4-Bohrungen + Extra solide und stabile 3mm Ausführung !
- Bst Nr 99-300-07020 = V2A Klingeltaster Blende 4-HB = 82x153mm mit 4-Bohrungen + Extra solide und stabile 3mm Ausführung !
Hierzu passende Stromstossrelais, Eltako und bistabile Relais sind als Zubehör je nach Einsatzspg. erhältlich z.B. ( ggf. bei Bedarf die nur Bst-Nr unter Suche eingeben )
- Bst-Nr 47-826-06120 = 12VAC Bistabiles Relais 1xEIN 10A Stromstoßschalter für Schalterdosen ( sehr klein 45x45x22mm )
- Bst-Nr 47-826-00165 = 12VAC Bistabiles Relais 1xEIN 16A Stromstoßschalter für Hutschienenmontage Schaltschrank im Prinzip wie Sicherungsautomat
- Bst-Nr 47-826-00167 = 12-24VDC Bistabiles Relais 2xEIN 16A Stromstoßschalter für Hutschienenmontage Schaltschrank im Prinzip wie Sicherungsautomat
- Bst-Nr 47-826-00150 = 220VAC Bistabiles Relais 1xEIN 10A Stromstoßschalter für Schalterdosen ( sehr klein 50x32x262mm )
- Bst-Nr 47-826-00151 = 220VAC Bistabiles Relais 1xEIN 16A Stromstoßschalter für Hutschienenmontage Schaltschrank im Prinzip wie Sicherungsautomat
- Bst-Nr 47-900-00640 = 220VAC Treppen-Lichtautomat einstellbar 0,5..12min für Hutschienenmontage Schaltschrank im Prinzip wie Sicherungsautomat
0 von 0 Bewertungen
Durchschnittliche Bewertung von 0 von 5 Sternen
Anmelden
Zubehör

Klingeltaster Edelstahlblende 1-HB V2A 82x82mm mit 2-Bohrungen Für Licht- oder Klingeltaster Edelstahlblende für die typische Unterputzdosen oder auch Tür-Holzelemente ( siehe auch weitere Bilder ) Hochwertige Edelstahlplatte + Extrem solide und stabile 3mm Ausführung ! 3mm Materialstärke mit gebürstetem glatter Oberfläche, für Laserbeschriftung geeignet oder auch für Aufkleber etc. Einfache Befestigung in der Standard Unterputzdose durch 2 Schrauben Schraubenbefestigungsmass = 60mm ( Schalterdosen üblich ) Bohrung Durchmesser 3,3mm mit Senklöcher für Senkkopfschrauben Übliche Schalterdosenrahmen Abmessungen Abmessung der Platte: 82 x 82 x 3mm ( Materialdicke 3,0mm ) Integrierte Bohrung für Licht- oder Klingeltaster mit 19mm Einbaumaß Schrauben nicht im Lieferumfang Made in Germany Optional erhältlich Taster passend zur Edelstahlblende ( siehe im Zubehör Register ) Bst Nr 95-839-03420 = Taster Vollmetall Edelstahl mit Symbol ( KLINGEL ) Kopf oben 22mm mit LED-Beleuchtung Bst Nr 95-839-03410 = Taster Vollmetall Edelstahl mit Symbol ( LICHT ) Kopf oben 22mm mit LED-Beleuchtung Bst Nr 95-839-03400 = Taster Vollmetall Edelstahl mit Symbol ( EIN-AUS ) Kopf oben 22mm mit LED-Beleuchtung Alternativ IP65 sehr edle und hochwertige Edelstahltaster mit Ringbeleuchtung Bst Nr 95-839-04500 = Taster Vollmetall 22mm Edelstahl Ringbeleuchtung Blau Bst-Nr 95-839-04560 = Taster Vollmetall 22mm Edelstahl Ringbeleuchtung Weiss Bst-Nr 95-839-04540 = Taster Vollmetall 22mm Edelstahl Ringbeleuchtung Rot Bst Nr 95-839-04530 = Taster Vollmetall 22mm Edelstahl Ringbeleuchtung Grün Bst Nr 95-839-04580 = Taster Vollmetall 22mm Edelstahl Ringbeleuchtung GELB Dieses Edelstahlplatte gibt es in 3 verschiedenen Ausführungen wie folgt ( siehe auch Register ähnliche Artikel ) : Bst Nr 99-300-07000 = 1-fach Edelstahlblende mit 2 Bef.Bohrungen für Schalterdosen Bst Nr 99-300-07010 = 1-fach Edelstahlblende mit 4 Bef.Bohrungen z.B. für Holz- oder Kunststoff Türelemente .... Bst Nr 99-300-07020 = 2-fach Edelstahlblende mit Bef.Bohrungen für Schalterdosen

Klingeltaster Edelstahlblende 2-HB V2A 82x82mm mit 4-Bohrungen Für Licht- oder Klingeltaster etc Edelstahlblende für den freien Einbau z.B. Tür-Holzelementen etc ( siehe auch weitere Bilder ) Hochwertige Edelstahlplatte + Extrem solide und stabile 3mm Ausführung ! 3mm Materialstärke mit gebürstetem glatter Oberfläche, für Laserbeschriftung geeignet oder auch für Aufkleber etc. Einfache Befestigung durch 4 Schrauben in der Wand oder Holzverkleidung Schraubenbefestigungsmaß = 11mm Abstand von der Außenseite her Bohrung Durchmesser 3,3mm mit Senklöcher für Senkkopfschrauben Übliche Schalterdosenrahmen Abmessungen Abmessung der Platte: 82 x 82 x 3mm ( Materialdicke 3,0mm ) Integrierte Bohrung für Licht- oder Klingeltaster mit 19mm Einbaumaß Schrauben nicht im Lieferumfang Made in Germany Optional erhältlich Taster passend zur Edelstahlblende ( siehe im Zubehör Register ) Bst Nr 95-839-03420 = Taster Vollmetall Edelstahl mit Symbol ( KLINGEL ) Kopf oben 22mm mit LED-Beleuchtung Bst Nr 95-839-03410 = Taster Vollmetall Edelstahl mit Symbol ( LICHT ) Kopf oben 22mm mit LED-Beleuchtung Bst Nr 95-839-03400 = Taster Vollmetall Edelstahl mit Symbol ( EIN-AUS ) Kopf oben 22mm mit LED-Beleuchtung Alternativ IP65 sehr edle und hochwertige Edelstahltaster mit Ringbeleuchtung Bst Nr 95-839-04500 = Taster Vollmetall 22mm Edelstahl Ringbeleuchtung Blau Bst-Nr 95-839-04560 = Taster Vollmetall 22mm Edelstahl Ringbeleuchtung Weiss Bst-Nr 95-839-04540 = Taster Vollmetall 22mm Edelstahl Ringbeleuchtung Rot Bst Nr 95-839-04530 = Taster Vollmetall 22mm Edelstahl Ringbeleuchtung Grün Bst Nr 95-839-04580 = Taster Vollmetall 22mm Edelstahl Ringbeleuchtung GELB Dieses Edelstahlplatte gibt es in 3 verschiedenen Ausführungen wie folgt ( siehe auch Register ähnliche Artikel ) : Bst Nr 99-300-07000 = 1-fach Edelstahlblende mit 2 Bef.Bohrungen für Schalterdosen Bst Nr 99-300-07010 = 1-fach Edelstahlblende mit 4 Bef.Bohrungen z.B. für Holz- oder Kunststoff Türelemente .... Bst Nr 99-300-07020 = 2-fach Edelstahlblende mit Bef.Bohrungen für Schalterdosen

Klingeltaster Edelstahlblende 4-HB V2A 82x153mm mit 4-Bohrungen Für Licht- oder Klingeltaster Edelstahlblende für die typische Unterputzdosen oder auch Tür-Holzelemente ( siehe auch weitere Bilder ) Hochwertige Edelstahlplatte + Extrem solide und stabile 3mm Ausführung ! 3mm Materialstärke mit gebürstetem glatter Oberfläche, für Laserbeschriftung geeignet oder auch für Aufkleber etc. Einfache Befestigung in der Standard Unterputzdose durch 4 Schrauben Schraubenbefestigungsmass = 60mm ( Schalterdosen üblich ) Bohrung Durchmesser 3,3mm mit Senklöcher für Senkkopfschrauben Übliche Schalterdosenrahmen Abmessungen Abmessung der Platte: 82 x 153 x 3mm ( Materialdicke 3,0mm ) Integrierte Bohrung für Licht- oder Klingeltaster mit 19mm Einbaumaß Schrauben nicht im Lieferumfang Made in Germany Optional erhältlich Taster passend zur Edelstahlblende ( siehe im Zubehör Register ) Bst Nr 95-839-03420 = Taster Vollmetall Edelstahl mit Symbol ( KLINGEL ) Kopf oben 22mm mit LED-Beleuchtung Bst Nr 95-839-03410 = Taster Vollmetall Edelstahl mit Symbol ( LICHT ) Kopf oben 22mm mit LED-Beleuchtung Bst Nr 95-839-03400 = Taster Vollmetall Edelstahl mit Symbol ( EIN-AUS ) Kopf oben 22mm mit LED-Beleuchtung Alternativ IP65 sehr edle und hochwertige Edelstahltaster mit Ringbeleuchtung Bst Nr 95-839-04500 = Taster Vollmetall 22mm Edelstahl Ringbeleuchtung Blau Bst-Nr 95-839-04560 = Taster Vollmetall 22mm Edelstahl Ringbeleuchtung Weiss Bst-Nr 95-839-04540 = Taster Vollmetall 22mm Edelstahl Ringbeleuchtung Rot Bst Nr 95-839-04530 = Taster Vollmetall 22mm Edelstahl Ringbeleuchtung Grün Bst Nr 95-839-04580 = Taster Vollmetall 22mm Edelstahl Ringbeleuchtung GELB Dieses Edelstahlplatte gibt es in 3 verschiedenen Ausführungen wie folgt ( siehe auch Register ähnliche Artikel ) : Bst Nr 99-300-07000 = 1-fach Edelstahlblende mit 2 Bef.Bohrungen für Schalterdosen Bst Nr 99-300-07010 = 1-fach Edelstahlblende mit 4 Bef.Bohrungen z.B. für Holz- oder Kunststoff Türelemente .... Bst Nr 99-300-07020 = 2-fach Edelstahlblende mit Bef.Bohrungen für Schalterdosen
Ähnliche Artikel

Schalter Vollmetall mit flacher Kopfoberfläche z.B. für Frontplattenmontage usw. Material Gehäuse: vernickeltes Messing, Anschluss: Lötanschluss, ** Schaltknopf ungedrückt = rausstehend / gedrückt = eben **Technische Daten: 1x Wechslerkontakt = 1x UM = 1x wechslre = 1x Schließer + 1x Öffnerkontakt Material der Kontakte: versilbert Kontakt: Aus-(Ein) Schliesser und Öffner Kontakt Schaltleistung: bis 24V 1A bzw. bis 230V 0,5A max. Druck: 5.5N IP-Schutzart: Front: IP65 - Rück: IP40 Betriebstemperatur: -25°.....+55°C Einbaudurchmesser: 16,0mm Kopfdurchmesser: 18mm Tasterdurchmesser: 12mm Einbautiefe mit Lötfahne: 37mm Gewindelänge: 18mm Zusatzinformation zu dieser Serie - erhältlich in folgenden Ausführungen: Ausführung als Vollmetall-Schalter 95-839-00900 = 18mm Vollmetall-Schalter ohne Beleuchtung 95-839-00915 = 18mm Vollmetall-Schalter mit LED Beleuchtung Rot 95-839-00905 = 18mm Vollmetall-Schalter mit LED Beleuchtung Weiss 95-839-00920 = 18mm Vollmetall-Schalter mit LED Beleuchtung Grün 95-839-00925 = 18mm Vollmetall-Schalter mit LED Beleuchtung Orange 95-839-00930 = 18mm Vollmetall-Schalter mit LED Beleuchtung Blau

IP65 Schalter Vollmetall mit flacher Kopfoberfläche z.B. für Frontplattenmontage usw. Material Gehäuse: vernickeltes Messing, Anschluss: Lötanschluss Technische Daten: Abmessungen und Anschluß siehe weitere Bilder = Zeichnung 1x Wechslerkontakt = 1x UM = 1x wechslre = 1x Schließer + 1x Öffnerkontakt Material der Kontakte: versilbert Kontakt: Aus-(Ein) Schliesser und Öffner Kontakt Schaltleistung: bis 24V 1A bzw. bis 230V 0,5A max. Druck: 5.5NLED = Ringbeleuchtung Grün 12V ( Range 5V 8mA .... 12V 10mA ... 16V 20mA ...24V 30mA ) max 24,0V IP-Schutzart: Front: IP65 - Rück: IP40 Betriebstemperatur: -25°.....+55°C Abmessiungen und Anschluß siehe weitere Bilder = Zeichnung Einbaudurchmesser: 16,0mm Kopfdurchmesser: 18mm ( Außendurchmesser ) Knopfdurchmesser: 12mm Einbautiefe mit Lötfahne: 37mm Gewindelänge: 18mm Zusatzinformation zu dieser Serie - erhältlich in folgenden Ausführungen: Ausführung als Vollmetall-Schalter 95-839-00900 = 18mm Vollmetall-Schalter ohne Beleuchtung 95-839-00915 = 18mm Vollmetall-Schalter mit LED Beleuchtung Rot 95-839-00905 = 18mm Vollmetall-Schalter mit LED Beleuchtung Weiss 95-839-00920 = 18mm Vollmetall-Schalter mit LED Beleuchtung Grün 95-839-00925 = 18mm Vollmetall-Schalter mit LED Beleuchtung Orange 95-839-00930 = 18mm Vollmetall-Schalter mit LED Beleuchtung Blau

IP65 Schalter Vollmetall mit flacher Kopfoberfläche z.B. für Frontplattenmontage usw. Material Gehäuse: vernickeltes Messing, Anschluss: Lötanschluss Technische Daten: Abmessungen und Anschluß siehe weitere Bilder = Zeichnung 1x Wechslerkontakt = 1x UM = 1x wechslre = 1x Schließer + 1x Öffnerkontakt Material der Kontakte: versilbert Kontakt: Aus-(Ein) Schliesser und Öffner Kontakt Schaltleistung: bis 24V 1A bzw. bis 230V 0,5A max. Druck: 5.5NLED = Ringbeleuchtung Orange 12V ( Range 5V 8mA .... 12V 10mA ... 16V 20mA ...24V 30mA ) max 24,0V IP-Schutzart: Front: IP65 - Rück: IP40 Betriebstemperatur: -25°.....+55°C Abmessiungen und Anschluß siehe weitere Bilder = Zeichnung Einbaudurchmesser: 16,0mm Kopfdurchmesser: 18mm ( Außendurchmesser ) Knopfdurchmesser: 12mm Einbautiefe mit Lötfahne: 37mm Gewindelänge: 18mm Zusatzinformation zu dieser Serie - erhältlich in folgenden Ausführungen: Ausführung als Vollmetall-Schalter 95-839-00900 = 18mm Vollmetall-Schalter ohne Beleuchtung 95-839-00915 = 18mm Vollmetall-Schalter mit LED Beleuchtung Rot 95-839-00905 = 18mm Vollmetall-Schalter mit LED Beleuchtung Weiss 95-839-00920 = 18mm Vollmetall-Schalter mit LED Beleuchtung Grün 95-839-00925 = 18mm Vollmetall-Schalter mit LED Beleuchtung Orange 95-839-00930 = 18mm Vollmetall-Schalter mit LED Beleuchtung Blau

IP65 Schalter Vollmetall mit flacher Kopfoberfläche z.B. für Frontplattenmontage usw. Material Gehäuse: vernickeltes Messing, Anschluss: Lötanschluss Technische Daten: Abmessungen und Anschluß siehe weitere Bilder = Zeichnung 1x Wechslerkontakt = 1x UM = 1x wechslre = 1x Schließer + 1x Öffnerkontakt Material der Kontakte: versilbert Kontakt: Aus-(Ein) Schliesser und Öffner Kontakt Schaltleistung: bis 24V 1A bzw. bis 230V 0,5A max. Druck: 5.5NLED = Ringbeleuchtung Weiß 12V ( Range 5V 8mA .... 12V 10mA ... 16V 20mA ...24V 30mA ) max 24,0V IP-Schutzart: Front: IP65 - Rück: IP40 Betriebstemperatur: -25°.....+55°C Abmessiungen und Anschluß siehe weitere Bilder = Zeichnung Einbaudurchmesser: 16,0mm Kopfdurchmesser: 18mm ( Außendurchmesser ) Knopfdurchmesser: 12mm Einbautiefe mit Lötfahne: 37mm Gewindelänge: 18mm Zusatzinformation zu dieser Serie - erhältlich in folgenden Ausführungen: Ausführung als Vollmetall-Schalter 95-839-00900 = 18mm Vollmetall-Schalter ohne Beleuchtung 95-839-00915 = 18mm Vollmetall-Schalter mit LED Beleuchtung Rot 95-839-00905 = 18mm Vollmetall-Schalter mit LED Beleuchtung Weiss 95-839-00920 = 18mm Vollmetall-Schalter mit LED Beleuchtung Grün 95-839-00925 = 18mm Vollmetall-Schalter mit LED Beleuchtung Orange 95-839-00930 = 18mm Vollmetall-Schalter mit LED Beleuchtung Blau

IP65 Schalter Vollmetall mit flacher Kopfoberfläche z.B. für Frontplattenmontage usw. Material Gehäuse: vernickeltes Messing, Anschluss: Lötanschluss Technische Daten: Abmessungen und Anschluß siehe weitere Bilder = Zeichnung 1x Wechslerkontakt = 1x UM = 1x wechslre = 1x Schließer + 1x Öffnerkontakt Material der Kontakte: versilbert Kontakt: Aus-(Ein) Schliesser und Öffner Kontakt Schaltleistung: bis 24V 1A bzw. bis 230V 0,5A max. Druck: 5.5NLED = Ringbeleuchtung Blauer 12V ( Range 5V 8mA .... 12V 10mA ... 16V 20mA ...24V 30mA ) max 24,0V IP-Schutzart: Front: IP65 - Rück: IP40 Betriebstemperatur: -25°.....+55°C Abmessiungen und Anschluß siehe weitere Bilder = Zeichnung Einbaudurchmesser: 16,0mm Kopfdurchmesser: 18mm ( Außendurchmesser ) Knopfdurchmesser: 12mm Einbautiefe mit Lötfahne: 37mm Gewindelänge: 18mm Zusatzinformation zu dieser Serie - erhältlich in folgenden Ausführungen: Ausführung als Vollmetall-Schalter 95-839-00900 = 18mm Vollmetall-Schalter ohne Beleuchtung 95-839-00915 = 18mm Vollmetall-Schalter mit LED Beleuchtung Rot 95-839-00905 = 18mm Vollmetall-Schalter mit LED Beleuchtung Weiss 95-839-00920 = 18mm Vollmetall-Schalter mit LED Beleuchtung Grün 95-839-00925 = 18mm Vollmetall-Schalter mit LED Beleuchtung Orange 95-839-00930 = 18mm Vollmetall-Schalter mit LED Beleuchtung Blau

Ersatz Klingelknopf für Meteor, Renz, Seko, Bticino, Terraneo Türanlagen mit Namensschild Anschluss für Klingel: Schraubanschluss Auf Taster seht rückseitig bis max 50V Material Kunststoff Schwarz Genormter Klingeltaster Befestigung durch Einrasten von vorne Namensschild lässt sich Richtung Knopf rausdrücken Abmessungen: Aussenabmessungen: 75 x 21mm (74,8 x 20,8mm) Einbauabmessungen: 68,6 x 17/18,9mm (hinten) Breite Rückseite 18,9mm beim Klingelknopf Breite Rückseite 17,0mm beim Namensschild Dieser Ersatz-Klingelknopf wird seit 1984 in vielen Häusern, Mietwohnungen etc. verwendet. Ideal als Ersatz Namensschild beleuchtbar: Ja (Lampe bzw. Fassung nicht darauf) Namensschild oder Tastereinsatz so alleine nicht beschaffbar Weitere Ansichten siehe weitere Bilder 10-Staffelpreise und 20-Staffelpreise für Wohnblöcke auf Anfrage ! Zusatzinfo weitere Klingeltaster bzw. Klingelknöpfe im Lieferprogramm aus der Serie ( Nummer ggf. unter Suche eingeben ) 95-839-00105 = 1x Klingeltaster ( 75 x 21mm ) Schwarz zu Meteor, Renz, Seko, Bticino, Terraneo 95-839-00103 = 1x Klingeltaster ( 75 x 21mm ) Weiss --- zu Renz, Seko, LIRA, Bticino u.ä. 95-839-00104 = 1x Klingeltaster ( 75 x 21mm ) Braun --- zu Renz, Seko, LIRA, Bticino u.ä. 95-839-00102 = 1x Lichttaster ( 75 x 21mm ) Weiss --- zu Renz, Seko, LIRA, Bticino u.ä. 95-839-00108 = 3er Block Klingeltaster ( 75 x 80mm ) Weiss --- zu Renz, Seko, LIRA, Bticino u.ä. 95-839-00101 = 1x Sprechgitter ( 75 x 80mm ) Weiss --- zu Renz, Seko, LIRA, Bticino u.ä.

Taster mit I/O Symbol und 12V LED Beleuchtung IK9 Vandalensicher Edelstahl-Taster mit 12V LED Beleuchtung und I/O Symbol + Mit diesem Edelstahl-Taster lassen sich z.B. Stromstoßrelais .. Eltako und bistabile Relais aller Art bequem ansteuern Einsatz z.B. als Hausteuerung, Türen, Steuerungstechnik, Industrie, Schaltschrankbau, Modellbau usw. Edelstahl-Metalltaster mit Ein/Aus-Symbol und Ringbeleuchtung weiss, Vollmetalltaster Kopf-Durchmesser 22mm Edelstahl micht rostend Schutzgrad: IP65 / IK09 mit Ein/Aus-Symbol Ring und Symbol beleuchtet LED Beleuchtung 4-12V AC oder DC ( Range 4-18V ) Steck- oder auch Lötanschluss ( Pin Terminal 2,8 x 0,5mm ) Druck: 4.0N / Torque 0,8nm 3 Kontakte = 1x Schliesser, 1 x Öffner somit 1x Wechslerkontakt Kontakt Schaltleistung bis 250V AC max 5A Lieferung inkl. Gummidichtring Abmessungen / Zeichnung und weitere Details siehe auch weitere Bilder ! Kopf-Durchmesser 22mm Einbaudurchmesser 19mm Einbaulänge inkl. Kontakte 40mm Folgende Ausführungen dieser Taster Serie sind erhältlich: Bst Nr 95-839-00720 = 22mm Edelstahltaster mit flachem Kopf Bst Nr 95-839-00740 = 22mm Edelstahltaster mit rundem Kopf Bst Nr 95-839-00700 = 22mm Metalltaster mit rundem Kopf Bst Nr 95-839-03400 = 22mm Edelstahl-Metalltaster mit LED Beleuchtung und I / O Symbol Bst Nr 95-839-03410 = 22mm Edelstahl-Metalltaster mit LED Beleuchtung und Licht-Symbol Bst Nr 95-839-03420 = 22mm Edelstahl-Metalltaster mit LED Beleuchtung und Klingel-Symbol Hierzu passend NEU im Sortiment V2A Edelstahl Universal Blenden erhältlich Bst Nr 99-300-07000 = V2A Klingeltaster Blende 1-HB = 82x82mm mit 2-Bohrungen Bst Nr 99-300-07010 = V2A Klingeltaster Blende 2-HB = 82x82mm mit 4-Bohrungen Bst Nr 99-300-07020 = V2A Klingeltaster Blende 4-HB = 82x153mm mit 4-Bohrungen Hierzu passende Stromstossrelais, Eltako und bistabile Relais sind als Zubehör je nach Einsatzspg. erhältlich z.B. ( ggf. bei Bedarf die nur Bst-Nr unter Suche eingeben ) Bst-Nr 47-826-06120 = 12VAC Bistabiles Relais 1xEIN 10A Stromstoßschalter für Schalterdosen ( sehr klein 45x45x22mm ) Bst-Nr 47-826-00165 = 12VAC Bistabiles Relais 1xEIN 16A Stromstoßschalter für Hutschienenmontage Schaltschrank im Prinzip wie Sicherungsautomat Bst-Nr 47-826-00167 = 12-24VDC Bistabiles Relais 2xEIN 16A Stromstoßschalter für Hutschienenmontage Schaltschrank im Prinzip wie Sicherungsautomat Bst-Nr 47-826-00150 = 220VAC Bistabiles Relais 1xEIN 10A Stromstoßschalter für Schalterdosen ( sehr klein 50x32x262mm ) Bst-Nr 47-826-00151 = 220VAC Bistabiles Relais 1xEIN 16A Stromstoßschalter für Hutschienenmontage Schaltschrank im Prinzip wie Sicherungsautomat Bst-Nr 47-900-00640 = 220VAC Treppen-Lichtautomat einstellbar 0,5..12min für Hutschienenmontage Schaltschrank im Prinzip wie Sicherungsautomat weiteres Zubehör fals benötigt Bst-Nr 52-625-01120 = Outdoor-Schaltschrank IP66 Kunststoff B: 43cm H: 53cm T: 20cm Bst-Nr 32-747-01680 = LED-Signallampe 12VDC DM 18mm Schraubanschluss - Grün Bst-Nr 32-747-01640 = LED-Signallampe 220-240V DM 18mm Schraubanschluss - Grün Bst-Nr 32-747-01660 = LED-Signallampe 12VDC DM 18mm Schraubanschluss - Rot Bst-Nr 32-747-01620 = LED-Signallampe 220-240V DM 18mm Schraubanschluss - Rot

Taster mit Lichtsymbol und 12V LED Beleuchtung Edelstahl-Taster mit 12V LED Beleuchtung und Licht-Symbol + Mit diesem Edelstahl-Taster lassen sich z.B. Stromstoßrelais .. Eltako und bistabile Relais aller Art bequem ansteuern Einsatz z.B. als Hausteuerung, Türen, Steuerungstechnik, Industrie, Schaltschrankbau, Modellbau usw. Edelstahl / Metalltaster mit Ein/Aus-Symbol und Ringbeleuchtung weiss, Vollmetalltaster Kopf-Durchmesser 22mm Edelstahl Schutzgrad: IP65 / IK09 mit Licht Symbol Ring und Symbol beleuchtet 12V DC LED Beleuchtung DC Range 4-18V ( Alternativ bedingt ggf auch 4-12VAC wegen Lichtfarbe jedoch schlechter ) Steck- oder auch Lötanschluss ( Pin Terminal 2,8 x 0,5mm ) Druck: 4.0N / Torque 0,8nm 3 Kontakte = 1x Schliesser, 1 x Öffner somit 1x Wechslerkontakt Kontakt Schaltleistung bis 250V AC max 5A Lieferung mit Gummidichtring Abmessungen / Zeichnung und weitere Details siehe auch weitere Bilder ! Kopf-Durchmesser 22mm Einbaudurchmesser 19mm Einbaulänge inkl. Kontakte 40mm AlternaFolgende Ausführungen dieser Metalltaster Serie sind erhältlich: Bst-Nr 95-839-00720 = 22mm Edelstahltaster mit flachem Kopf Bst-Nr 95-839-00740 = 22mm Edelstahltaster mit rundem Kopf Bst-Nr 95-839-00700 = 22mm Metalltaster mit rundem Kopf Bst-Nr 95-839-03400 = 22mm Edelstahl-Metalltaster mit LED Beleuchtung und I / O Symbol Bst-Nr 95-839-03410 = 22mm Edelstahl-Metalltaster mit LED Beleuchtung und Licht-Symbol Bst-Nr 95-839-03420 = 22mm Edelstahl-Metalltaster mit LED Beleuchtung und Klingel-Symbol Hierzu passend NEU im Sortiment V2A Edelstahl Universal Blenden erhältlich Bst-Nr 99-300-07000 = V2A Edelstahl Klingeltaster Blende 1-HB = 82x82mm mit 2-Bohrungen + Extra solide und stabile 3mm Ausführung ! Bst-Nr 99-300-07010 = V2A Edelstahl Klingeltaster Blende 2-HB = 82x82mm mit 4-Bohrungen + Extra solide und stabile 3mm Ausführung ! Bst-Nr 99-300-07020 = V2A Edelstahl Klingeltaster Blende 4-HB = 82x153mm mit 4-Bohrungen + Extra solide und stabile 3mm Ausführung ! Hierzu passende Stromstossrelais, Eltako und bistabile Relais sind als Zubehör je nach Einsatzspg. erhältlich z.B. ( ggf. bei Bedarf die nur Bst-Nr unter Suche eingeben ) Bst-Nr 47-826-06120 = 12VAC Bistabiles Relais 1xEIN 10A Stromstoßschalter für Schalterdosen ( sehr klein 45x45x22mm ) Bst-Nr 47-826-00165 = 12VAC Bistabiles Relais 1xEIN 16A Stromstoßschalter für Hutschienenmontage Schaltschrank im Prinzip wie Sicherungsautomat Bst-Nr 47-826-00167 = 12-24VDC Bistabiles Relais 2xEIN 16A Stromstoßschalter für Hutschienenmontage Schaltschrank im Prinzip wie Sicherungsautomat Bst-Nr 47-826-00150 = 220VAC Bistabiles Relais 1xEIN 10A Stromstoßschalter für Schalterdosen ( sehr klein 50x32x262mm ) Bst-Nr 47-826-00151 = 220VAC Bistabiles Relais 1xEIN 16A Stromstoßschalter für Hutschienenmontage Schaltschrank im Prinzip wie Sicherungsautomat Bst-Nr 47-900-00640 = 220VAC Treppen-Lichtautomat einstellbar 0,5..12min für Hutschienenmontage Schaltschrank im Prinzip wie Sicherungsautomat weiteres Zubehör fals benötigt Bst-Nr 52-625-01120 = Outdoor-Schaltschrank IP66 Kunststoff B: 43cm H: 53cm T: 20cm Bst-Nr 32-747-01680 = LED-Signallampe 12VDC DM 18mm Schraubanschluss - Grün Bst-Nr 32-747-01640 = LED-Signallampe 220-240V DM 18mm Schraubanschluss - Grün Bst-Nr 32-747-01660 = LED-Signallampe 12VDC DM 18mm Schraubanschluss - Rot Bst-Nr 32-747-01620 = LED-Signallampe 220-240V DM 18mm Schraubanschluss - Rot

Taster mit Klingel Symbol und 12V LED Beleuchtung IK9 Vandalensicher Edelstahl-Taster mit 12V LED Beleuchtung und Klingel Symbol + Mit diesem Edelstahl-Taster lassen sich z.B. Stromstoßrelais .. Eltako und bistabile Relais aller Art bequem ansteuern Einsatz z.B. als Hausteuerung, Türen, Steuerungstechnik, Industrie, Schaltschrankbau, Modellbau usw. Edelstahl-Metalltaster mit Klngel-Symbol und Ringbeleuchtung weiss, Vollmetalltaster Kopf-Durchmesser 22mm Edelstahl Schutzgrad: IP65 / IK09 mit Ein/Aus-Symbol Ring und Symbol beleuchtet 12V DC LED Beleuchtung DC Range 4-18V ( Alternativ bedingt ggf auch 4-12VAC wegen Lichtfarbe jedoch schlechter ) Steck- oder auch Lötanschluss ( Pin Terminal 2,8 x 0,5mm ) Druck: 4.0N / Torque 0,8nm 3 Kontakte = 1x Schliesser, 1 x Öffner somit 1x Wechslerkontakt Kontakt Schaltleistung bis 250V AC max 5A Lieferung mit Gummidichring Abmessungen / Zeichnung und weitere Details siehe auch weitere Bilder ! Kopf-Durchmesser 22mm Einbaudurchmesser 19mm Einbaulänge inkl. Kontakte 40mm Folgende Ausführungen dieser Taster Serie sind erhältlich: Bst Nr 95-839-00720 = 22mm Edelstahltaster mit flachem Kopf Bst Nr 95-839-00740 = 22mm Edelstahltaster mit rundem Kopf Bst Nr 95-839-00700 = 22mm Metalltaster mit rundem Kopf Bst Nr 95-839-03400 = 22mm Edelstahl-Metalltaster mit LED Beleuchtung und I / O Symbol Bst Nr 95-839-03410 = 22mm Edelstahl-Metalltaster mit LED Beleuchtung und Licht-Symbol Bst Nr 95-839-03420 = 22mm Edelstahl-Metalltaster mit LED Beleuchtung und Klingel-Symbol Hierzu passend NEU im Sortiment V2A Edelstahl Universal Blenden erhältlich Bst Nr 99-300-07000 = V2A Klingeltaster Blende 1-HB = 82x82mm mit 2-Bohrungen + Extra solide und stabile 3mm Ausführung ! Bst Nr 99-300-07010 = V2A Klingeltaster Blende 2-HB = 82x82mm mit 4-Bohrungen + Extra solide und stabile 3mm Ausführung ! Bst Nr 99-300-07020 = V2A Klingeltaster Blende 4-HB = 82x153mm mit 4-Bohrungen + Extra solide und stabile 3mm Ausführung ! Hierzu passende Stromstossrelais, Eltako und bistabile Relais sind als Zubehör je nach Einsatzspg. erhältlich z.B. ( ggf. bei Bedarf die nur Bst-Nr unter Suche eingeben ) Bst-Nr 47-826-06120 = 12VAC Bistabiles Relais 1xEIN 10A Stromstoßschalter für Schalterdosen ( sehr klein 45x45x22mm ) Bst-Nr 47-826-00165 = 12VAC Bistabiles Relais 1xEIN 16A Stromstoßschalter für Hutschienenmontage Schaltschrank im Prinzip wie Sicherungsautomat Bst-Nr 47-826-00167 = 12-24VDC Bistabiles Relais 2xEIN 16A Stromstoßschalter für Hutschienenmontage Schaltschrank im Prinzip wie Sicherungsautomat Bst-Nr 47-826-00150 = 220VAC Bistabiles Relais 1xEIN 10A Stromstoßschalter für Schalterdosen ( sehr klein 50x32x262mm ) Bst-Nr 47-826-00151 = 220VAC Bistabiles Relais 1xEIN 16A Stromstoßschalter für Hutschienenmontage Schaltschrank im Prinzip wie Sicherungsautomat Bst-Nr 47-900-00640 = 220VAC Treppen-Lichtautomat einstellbar 0,5..12min für Hutschienenmontage Schaltschrank im Prinzip wie Sicherungsautomat

Taster Edelstahl 22mm Ringbeleuchtung IP65 Weiss Hochwertiger vandalismusgeschützter Taster in Edelstahl mit flacher Kopfoberfläche, Tastfläche gerade, Anschluss: Lötanschluss, Taster aus Edelstahl mit LED-Beleuchtungals Schliesser- (NO) und Öffnerkontakt (NC) zu verwenden Technische Daten: Kontakt: Aus-(Ein) Schliesser und Öffner Kontakt Material der Kontakte: versilbert mit 1x UM Kontakt (Wechsler Kontakt) NC (normal closed): 1-2 / NO (normal open): 3-4 Schaltleistung: bis 230V 5A max. Stromversorgung LED-Ring: 12V AC oder DC ( Range 8-18V ) Betriebstemperatur: -20°C ... +70°C Feuchte: 45 .. 85% RH Isolationswiderstand: > 1000MOhm Kontaktwiderstand: < 50mOhm mechanische Lebensdauer: 1.000.000 Zyklen wlektrische Lebensdauer: 50.000 Zyklen Material Gehäuse: rostfreier Edelstahl Druck: 5.5N IP-Schutzart: IP65 max. Spannung: bis 250Vac bis 5A Abmessungen: Einbaudurchmesser: 19mm Kopfdurchmesser: 22mm Tasterdurchmesser: 12mm Einbautiefe mit Lötfahne: 33mm Gewindelänge: 17mm Erhältlich in folgenden Ausführungen: Bst Nr 95-839-04500 = 22mm Edelstahl Taster LED Ringbeleuchtung BLAU Bst Nr 95-839-04530 = 22mm Edelstahl Taster LED Ringbeleuchtung GRÜN Bst Nr 95-839-04540 = 22mm Edelstahl Taster LED Ringbeleuchtung ROT Bst Nr 95-839-04560 = 22mm Edelstahl Taster LED Ringbeleuchtung WEISS Bst Nr 95-839-04580 = 22mm Edelstahl Taster LED Ringbeleuchtung GELB

Taster Edelstahl 22mm Ringbeleuchtung IP65 Rot Hochwertiger vandalismusgeschützter Taster in Edelstahl mit flacher Kopfoberfläche, Tastfläche gerade, Anschluss: Lötanschluss, Taster aus Edelstahl mit LED-Beleuchtung, als Schliesser- (NO) und Öffnerkontakt (NC) zu verwenden. Technische Daten: Kontakt: Aus-(Ein) Schliesser und Öffner Kontakt Material der Kontakte: versilbert mit 1x UM Kontakt (Wechslerkontakt) NC (normal closed): 1-2 / NO (normal open): 3-4 Schaltleistung: bis 230V 5A max. Stromversorgung LED-Ring: 12V AC oder DC ( Range 8-18V ) Betriebstemperatur: -20°C ... +70°C Feuchte: 45 ... 85% RH Isolationswiderstand: > 1000MOhm Kontaktwiderstand: < 50mOhm mechanische Lebensdauer: 1.000.000 Zyklen elektrische Lebensdauer: 50.000 Zyklen Material Gehäuse: rostfreier Edelstahl Druck: 5.5N IP-Schutzart: IP65 max. Spannung: bis 250Vac bis 5A Abmessungen: Einbaudurchmesser: 19mm Kopfdurchmesser: 22mm Tasterdurchmesser: 12mm Einbautiefe mit Lötfahne: 33mm Gewindelänge: 17mm Erhältlich in folgenden Ausführungen: Bst Nr 95-839-04500 = 22mm Edelstahl Taster LED Ringbeleuchtung BLAU Bst Nr 95-839-04530 = 22mm Edelstahl Taster LED Ringbeleuchtung GRÜN Bst Nr 95-839-04540 = 22mm Edelstahl Taster LED Ringbeleuchtung ROT Bst Nr 95-839-04560 = 22mm Edelstahl Taster LED Ringbeleuchtung WEISS Bst Nr 95-839-04580 = 22mm Edelstahl Taster LED Ringbeleuchtung GELB

Metall Taster mit gerundeter Oberfläche Typisher Einsatz: Klingelknopf und für Steuerungstechnik, Schaltanlagen, Industriepanels, sehr solide und schön verarbeitet Material: vernickeltes Messing Runder Kopf Anschluss: Schraubanschluss Kontakt: Aus-(Ein) - Schliesser Schaltleistung: Belastabarkeit bis max 250V AC Natürlich auch Einsetzbar bei 8VAC 12V 24V usw. bis 230V Strombelastbarkeit bis 5A Kontaktwiderstand: max. 35MOhm Isolationswiderstand: 500Vdc/Min. 100mOhm Durchschlagsfestigkeit: 1Min./1000Vac Elektrische Lebensdauer: 50.000 Zyklen Durchschlagsfestigkeit: 1.500Vac Kontaktwiderstand: max. 20MOhm Isolationswiderstand: 100MOhm Mechanische Lebensdauer: 100.000 Zyklen Kopfdurchmesser: 22mm Einbaudurchmesser: 19,0mm Gewindelänge: 12,5mm Einbautiefe: 25mm Folgende Ausführungen dieser Taster Serie sind erhältlich: Bst Nr 95-839-00720 = 22mm Edelstahltaster mit flachem Kopf Bst Nr 95-839-00740 = 22mm Edelstahltaster mit rundem Kopf Bst Nr 95-839-00700 = 22mm Metalltaster mit rundem Kopf Bst Nr 95-839-03400 = 22mm Metalltaster mit LED Beleuchtung und I / O Symbol Bst Nr 95-839-03410 = 22mm Metalltaster mit LED Beleuchtung und Licht-Symbol Bst Nr 95-839-03420 = 22mm Metalltaster mit LED Beleuchtung und Klingel-Symbol

Taster mit gerundeter Kopfoberfläche auch als Klingelknopf verwendbar Tastfläche gerade, verchromt z.B. für Frontplattenmontage usw. IP-Schutzart: IP40/IP65 Material: Vollmetall verchromt Anschluss: Lötanschluss Kontakt: Aus-(Ein) Schliesser und Öffner Kontakt Schaltleistung: 230V/3A max Einbaudurchmesser: 16,0mm Kopfdurchmesser: 18mm Tasterdurchmesser: 12mm Einbautiefe mit Lötfahne: 37mm Gewindelänge: 18mm Zusatzinformation zu dieser Serie - Erhältlich in folgenden Ausführungen: Ausführung als Vollmetall-Schalter 95-839-00910 = 18mm Vollmetall-Schalter ohne Beleuchtung 95-839-00940 = 18mm Vollmetall-Schalter mit LED Beleuchtung Rot 95-839-00950 = 18mm Vollmetall-Schalter mit LED Beleuchtung Weiss 95-839-00960 = 18mm Vollmetall-Schalter mit LED Beleuchtung Grün 95-839-00970 = 18mm Vollmetall-Schalter mit LED Beleuchtung Gelb 95-839-00980 = 18mm Vollmetall-Schalter mit LED Beleuchtung Blau Ausführung als Vollmetall-Taster 95-839-00085 = 18mm Vollmetall-Taster ohne Beleuchtung 95-839-00045 = 18mm Vollmetall-Taster mit LED Beleuchtung Rot 95-839-00050 = 18mm Vollmetall-Taster mit LED Beleuchtung Weiss 95-839-00060 = 18mm Vollmetall-Taster mit LED Beleuchtung Grün 95-839-00070 = 18mm Vollmetall-Taster mit LED Beleuchtung Gelb 95-839-00080 = 18mm Vollmetall-Taster mit LED Beleuchtung Blau

Einsatz z.B. als Klingelknopf, Türklingelknopf, Steuerungstechnik usw. Sehr solider und stabiler Drucktaster. Taster mit gerundeter Oberfläche, Material: vernickeltes Messing, Anschluss: Schraubanschluss Technische Daten: Kontakt: Taster Aus-(Ein) - Schliesser Schaltleistung: bis 250V/0,5A max. Material Gehäuse: vernickeltes Messing Druck: 5.5N IP-Schutzart: IP40/IP65 max. Spannung: 24Vdc / 1A oder bis 250Vac / 0.5A Einbaudurchmesser: 16mm Gewindelänge: 6mm Einbautiefe: 25mm Kopfdurchmesser: 12,5mm

IP65 Taster Edelstahl Klingelknopf Edelstahl-Taster ohne Beleuchtung mit rundem Druckknopf. Einsatz z.B. als Klingelknopf, Türklingelknopf, Steuerungstechnik, Industrie, Schaltschrankbau, Modellbau usw. Material Gehäuse: rostfreier Stahl IP-Schutzart: IP65 Feuchtefest Druck: 5.5N max. Spannung: bis 250Vac max. 5A Anschluss: Schraubanschluss Kopfdurchmesser: 22mm Einbaudurchmesser: 19,0mm Gewindelänge: 13mm Einbautiefe: 25mm Folgende Ausführungen dieser Taster Serie sind erhältlich: Bst Nr 95-839-00720 = 22mm Edelstahltaster mit flachem Kopf Bst Nr 95-839-00740 = 22mm Edelstahltaster mit rundem Kopf Bst Nr 95-839-00700 = 22mm Metalltaster mit rundem Kopf Bst Nr 95-839-03400 = 22mm Metalltaster mit LED Beleuchtung und I / O Symbol Bst Nr 95-839-03410 = 22mm Metalltaster mit LED Beleuchtung und Licht-Symbol Bst Nr 95-839-03420 = 22mm Metalltaster mit LED Beleuchtung und Klingel-Symbol

Taster Edelstahl 22mm Ringbeleuchtung IP65 Blau Hochwertiger vandalismusgeschützter Taster in Edelstahl mit flacher Kopfoberfläche, Tastfläche gerade, Anschluss: Lötanschluss, Taster aus Edelstahl mit LED-Beleuchtung, als Schliesser- (NO) und Öffnerkontakt (NC) zu verwenden. Technische Daten: Kontakt: Aus-(Ein) Schliesser und Öffner Kontakt Material der Kontakte: versilbert mit 1x UM Kontakt (Wechslerkontakt) NC (normal closed): 1-2 / NO (normal open): 3-4 Schaltleistung: bis 230V 5A max. Stromversorgung LED-Ring: 12V AC oder DC ( Range 8-18V ) Betriebstemperatur: -20°C ... +70°C Feuchte: 45 ~85% RH Isolationswiderstand: > 1000MOhm Kontaktwiderstand: < 50mOhm mechanische Lebensdauer: 1.000.000 Zyklen elektrische Lebensdauer: 50.000 Zyklen Material Gehäuse: rostfreier Edelstahl Druck: 5.5N IP-Schutzart: IP65 max. Spannung: bis 250Vac bis 5A Abmessungen: Einbaudurchmesser: 19mm Kopfdurchmesser: 22mm Tasterdurchmesser: 12mm Einbautiefe mit Lötfahne: 33mm Gewindelänge: 17mm Erhältlich in folgenden Ausführungen: Bst Nr 95-839-04500 = 22mm Edelstahl Taster LED Ringbeleuchtung BLAU Bst Nr 95-839-04530 = 22mm Edelstahl Taster LED Ringbeleuchtung GRÜN Bst Nr 95-839-04540 = 22mm Edelstahl Taster LED Ringbeleuchtung ROT Bst Nr 95-839-04560 = 22mm Edelstahl Taster LED Ringbeleuchtung WEISS Bst Nr 95-839-04580 = 22mm Edelstahl Taster LED Ringbeleuchtung GELB

Taster Edelstahl 22mm Ringbeleuchtung IP65 Grün Hochwertiger vandalismusgeschützter Taster in Edelstahl mit flacher Kopfoberfläche, Tastfläche gerade, Anschluss: Lötanschluss, Taster aus Edelstahl mit LED-Beleuchtung, als Schliesser- (NO) und Öffnerkontakt (NC) zu verwenden. Technische Daten: Kontakt: Aus-(Ein) Schliesser und Öffner Kontakt Material der Kontakte: versilbert mit 1x UM Kontakt (Wechslerkontakt) NC (normal closed): 1-2 / NO (normal open): 3-4 ) Schaltleistung: bis 230V 5A max. Stromversorgung LED-Ring: 12V AC oder DC ( Range 8-18V ) Betriebstemperatur: -20°C ... +70°C Feuchte: 45 .. 85% RH Isolationswiderstand: > 1000MOhm Kontaktwiderstand: < 50mOhm mechanische Lebensdauer: 1.000.000 Zyklen elektrische Lebensdauer: 50.000 Zyklen Material Gehäuse: rostfreier Edelstahl Druck: 5.5N IP-Schutzart: IP65 max. Spannung: bis 250Vac bis 5A Abmessungen: Einbaudurchmesser: 19mm Kopfdurchmesser: 22mm Tasterdurchmesser: 12mm Einbautiefe mit Lötfahne: 33mm Gewindelänge: 17mm Erhältlich in folgenden Ausführungen: Bst Nr 95-839-04500 = 22mm Edelstahl Taster LED Ringbeleuchtung BLAU Bst Nr 95-839-04530 = 22mm Edelstahl Taster LED Ringbeleuchtung GRÜN Bst Nr 95-839-04540 = 22mm Edelstahl Taster LED Ringbeleuchtung ROT Bst Nr 95-839-04560 = 22mm Edelstahl Taster LED Ringbeleuchtung WEISS Bst Nr 95-839-04580 = 22mm Edelstahl Taster LED Ringbeleuchtung GELB