Motorregler 12V 24V bis 10A 240W 0-10V Drehzahl für Motor oder auch als Lüfterregler

39,95 €
Sofort verfügbar, Lieferzeit: 2-4 Tage
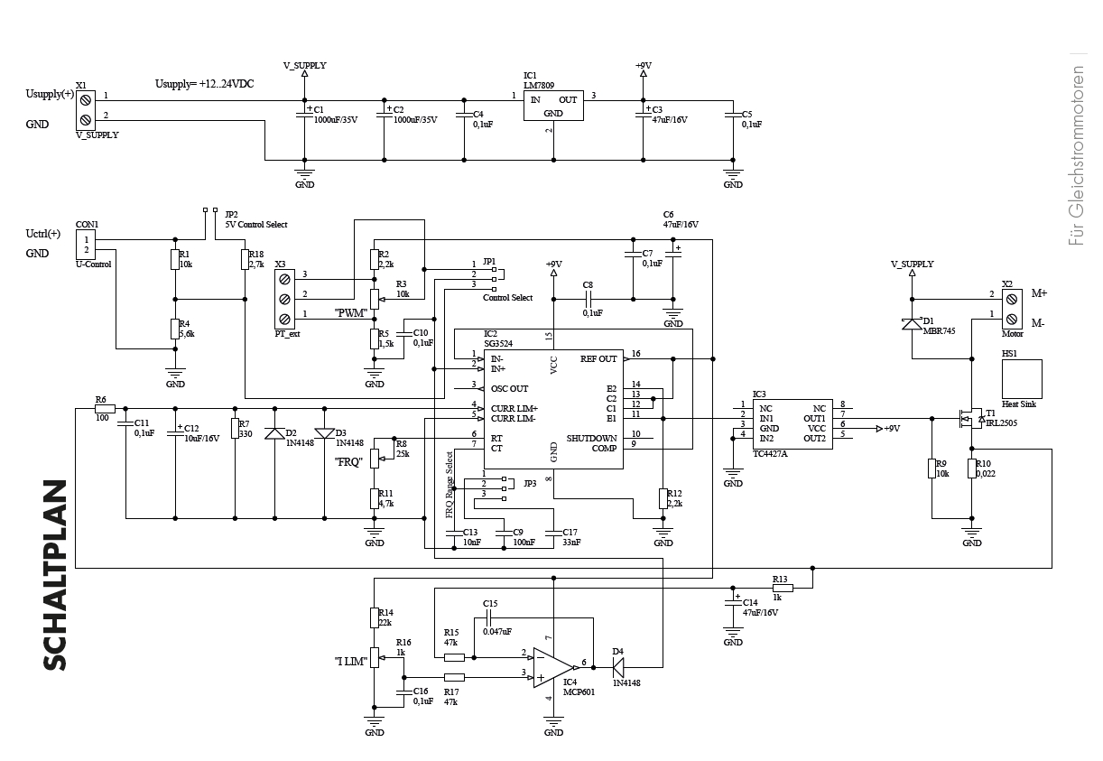
Produktinformationen "Motorregler 12V 24V bis 10A 240W 0-10V Drehzahl für Motor oder auch als Lüfterregler "
Motorregler für induktive Lasten für 12V oder 24V Motoren oder auch LEDs bis max. 240W
- Betriebsspannung: 12V DC oder 24V DC
- Max Strombelastbarkeit: 10Ampere (10A Dauerleistung)
- Das entspricht bei 12V = 120W bzw. bei 24V 240W
- Universell verwendbar als Motorregler oder LED Dimmer
Drehzahlsteller zur stufenlosen Drehzahlverstellung von DC-Motoren oder Niedervoltlampen. Die Drehzahlregelung erfolgt über ein internen oder externes Poti oder externe Spannung von 0 - 5V/DC
Dimmer für LEDs und LED Module (PWM) mit externem Drehregler. Hochleistungs Dimmer für LEDs und LED Module bis max. 10A
Eingang: 10-24V. Für fast alle LEDs und LED Leisten und LED Module geeignet. Für viele Anwendungen der Beleuchtungstechnik ist es erforderlich, die Helligkeit der Leuchtmittel präzise einzustellen.
Anwendung: LED Beleuchtung, Gleichstrom-Motoren, Modellautos, Scheibenwischermotoren, Niedervoltlampen sowie für Elektrowerkzeuge. Aufgrund der Puls-Breitensteuerung, die mit einer einstellbaren Frequenz zwischen 5 kHz und ca. 20 kHz arbeitet, bleibt die Verlustleistung selbst bei niedrigen Drehzahlen gering.
Ausgangsstrombegrenzung von 0 bis 10 A stufenlos einstellbar. PWM-MOSFET-Endstufe.
Dieses PWM-Modul ermöglicht in Kombination mit Standardstromversorgungen u. A. das Dimmen von Leuchtdioden. Dieser Dimmer bietet zwei verschiedene Ansteuerungsmöglichkeiten: Die Einstellung der Pulsweite kann mittels der Steuerspannung oder eines externen oder internen Potentiometers ( 0-5V) erfolgen. Bei Ansteuerung 0-5V: Bei dieser Betriebsart wird die Helligkeit der LEDs mittels Steuerspannung (0-5 V) geregelt. Diese Steuerspannung muss zugeführt werden. Oder Potentiometer-Regelung: Durch den Anschluss eines Potentiometers (10 kOhm) kann die Helligkeit der LEDs bzw. die Drehzahl des Motors geregelt werden (siehe Schaltbild).
Drehzahlsteller zur stufenlosen Drehzahlverstellung von DC Motoren oder Niedervoltlampen. Die Drehzahlregelung erfolgt über ein internen oder externes Poti oder externe Spannung von 0-5V oder 0-10V DC
Technische Daten:
- Betriebsspannung: 12...24 Volt DC
- max. Belastbarkeit: 10 Ampere
- Strombegrenzung: einstellbar von 0 – 10 A
- Leistung bei 24V DC bis 240W / bei 12V DC 120Watt
- Kurzschlussfest: kurzzeitig
- Anschluss über Schraubklemmen
- Steuerspannung: 0..5 VDC, je nach Konfiguration 0...10V
- Drehzahleinstellung: 0 – 100 % über Poti oder 0 ...5V DC
- Schaltfrequenz: 5 kHz ... 20 kHz
- Abmessungen: 110 x 90 x 30 mm
- Lieferung Anleitung und Fertigmodul
0 von 0 Bewertungen
Durchschnittliche Bewertung von 0 von 5 Sternen
Anmelden
Ähnliche Artikel

Motoransteuerung für bürstenlose Gleichstrommotoren bis 1,8A...2,5A ) Ansteuerung Poti oder 0-10VIndustrielle Motoransteuerung für bürstenlose Gleichstrommotoren ( BLDC-Motor ) und auch DC-Motoren bis 2A + zum Aufschnappen auf die Hutschiene ( DIN Schiene EN50022 35mm üblichst ) + Das Modul UB-BL-2-24 ist eine Motorsteuerung für BLDC- oder DC-Motoren, zur Verwendung im industriellen Umfeld ideal ausgelegt + Das Modul UB-BL-2-24 ist eine Motorsteuerung für kleine BLDC-Motoren mit integrierten Open-Collector-Hallsensoren + Es ist für den Einsatz in industrieller Umgebung Automation usw vorgesehen. + Es gewährleistet das Ein- und Ausschalten sowie das kontrollierte Ansteuern von Motoren. + Steuerung der Drehzahl über Poti oder 0-10V ( siehe auch weitere Bilder ) + Das Modul verfügt über zwei digitale Eingänge, einen analogen Eingang und einen digitalen Ausgang. + Über die digitalen Eingänge kann die Drehrichtung des Motors eingestellt werden. + Durch Setzen beider Eingänge auf High kann die dynamische Bremse aktiviert werden. + Über den Analogeingang kann die Drehzahl zwischen 0 und 100 % eingestellt werden. + Ein externes 100kO-Potentiometer für den Drehzahleingang kann vom Modul versorgt werden. + Der maximale Motorstrom wird durch die Hardware begrenzt und ist daher nicht einstellbar. + Der digitale Ausgang ist eingeschaltet, während sich der Motor dreht. Das Modul UB-BL-2-24 kann auch mit DC-Motoren betreiben werden. Die Funktionalität unterscheidet sich nur beim Digitalausgang. Da keine Hallsensoren Ausgewertet werden ist der Ausgang ohne Funktion Eigenschaften ( Steuerung mit folgenden Funktionen ) + Drehrichtungsumkehr + Drehzahlsteuerung mit Analogeingang + Ein externes optionales 100kohm Potentiometer für den Drehzahleingang kann vom Modul versorgt werden. + 1x Analogeingang 0-10VDC + Überstrombegrenzung + Dynamische Bremsung zuschaltbar + Temperatur geschützt + Digitalausgang ( Motor dreht ) + 10V Referenzspannung + Einbauart: Schaltschrank typisch + Klemmen ( Schraubklemmen ) für Kabellage 0,2...2,5qmm zum aufschnappen auf die übliche 35mm Hutschiene ( EN50022 ) Technische Daten : Nennspannung / Eingang typisch: 24Volt DC ( Range 8-30V DC ) Dauerlastrom 1,8A max Strom 2,5A Analogeingänge 0-10VDC ( Dcc tolerant Ja ) Impedanz : 118,7Kohm Empfohlenes Widerstandwert für externes Potentiometer : 100Kohm Versorgung für externes Poti 10V 100uA ( Range 11-30V ) Digitaleingang : HighSignal : U 10V / Low Signalk U : 4V / Impedanz: 15Kohm PWM-Frequenz : Fs = TBD Khz Tastgrad 0-100% Lastkreis Ausgang : MOS-FET Dynamische Bremsung ( Ankerkurzschluß ) einschaltbar Ja Temperaturüberwachung Ja Überspannungsschutz Ja Temperatureinsatzbereich : -20°C ... +85°C Erfüllt Normen : EMV Störfestigkeit EN61000-6-2: 2016 EMV Störaussendung : EN 6100-6-3: 2007 + A1 2011 ROHS Ja Gehäuse: UL94V-= Kunststoff Abmessungen : B: 46 x L: 64 x H: 36mm Anschlüße und weitere Daten siehe weitere Bilder ! bzw. Datenblatt Zubehör erhältlich Hutschiene , 100K Poti, 24V Netzteile ... usw. ( siehe im Zubehör-Register )

12V Lüfterregelung Lüftersteuerung. Diese preiswerte Lüftersteuerung eignet sich zur temperaturabhängigen Drehzahlregelung von Gleichspannungslüfter mit 12Volt DC und einer maximalen Stromversorgung von bis zu 0,4A = 400mA d.h. Lüfter bis max. 4,8 Watt. Probleme mit Lüftergeräusche bzw. störende Geräte können somit einfach beseitigt werden. Ideal in Verbindung mit PC-Netzteilen, Digitalrecordern, Verstärkern etc. Also alle Geräte mit 12V Lüftern bis 5W Leistung usw. Die Lüfterdrehzahl wird auf ca. 30% reduziert, die NTC Fühlerpille sollte im Luftstrom des Lüfters montiert werden, sollte das Gerät eine höhere Temperatur entwickeln passt sich automatische die Lüfterdrehzahl an bis auf maximimum wenn das Gerät z.B. im Sommer zu warm würde. Durch die kleine und flache Bauform ist dieses Modul universell verwendbar Lieferung erfolgt als SMD-Fertigbaustein mit Temperatursensor Anschlüsse erfolgen über Lötpads siehe weitere Bilder temperaturgeführte Steuerung für DC-Lüfter an 12V Nennspannung zur Minderung des Lüftergeräusches mit NTC als Temperaturfühler für Montage an temperatursensibler Stelle geeignet Befestigung mittels Schraube oder Kabelbinder Befestigung als Kühlfahne ausgelegt Transistor-Linearregelung Betriebsspannung: 12V DC Gleichspannung Belastbarkeit bis max 400mA = 0,4A Lüfterleistung max. 4,8W Ausgangsspannungsbereich, ca.: 5,5...11,4V Spannungsabfall: 0,6V max Spannung am Lüfter bei 48-50°C siehe Regelkurve Abmessunge ca. 42x 8 x 5mm

Labornetzteil 1,5...35V 0-1,5A Regelbares Netzgerät mit Wendelpoti DCDC Stabilisierte Gleichspannung zwischen 1,5V und 35V mit maximaler Stromaufnahme von 1,5A brauchen. Selbstverständlich kann dieses Netzgerät auch für andere Zwecke verwendet werden. Wird das Trimmpotentiometer durch eine Poti Variante mit Achse ersetzt ist auch die Verwendung als regelbares Netzgerät möglich. Eigenschaften: Linear Spannungsregler Modul 1.5...35V einstellbar Dieses kleine und kompakte Modul eignet sich hervorragend, um z.B. während eines Schaltungsentwurfes eine Hilfsspannung zu erzeugen oder aus einem ungeregelten Netzteil eine stabilisierte Spannung zu gewinnen.Mit Hilfe des Trimmers kann eine Spannung zwischen 1,5 und 35V eingestellt werden. Wichtig: Zum Einstellen der Spannung ist es notwendig am Ausgang des Reglers eine Grundlast als Verbraucher anzuschließen (z.B. einen Widerstand von 1 - 22kOhm). Die Anschlüsse sind auf der Platine gut lesbar gekennzeichnet: Eingangsspannung: VIN(+) und GND(-) Schraubklemmen Ausgangsspannung: VOUT(+) und GND(-) Schraubklemmen Das Einstellen der Spannung erfolgt entgegen dem Uhrzeigersinn, rechts herum drehen verringert die Spannung und links herum drehen erhöht die Spannung. Bei Abwärtsreglern kann die Spannung am Ausgang nie größer werden als am Eingang Technische Daten: Betriebsart Linearregler / Abwärtsregler IC LM317 Elektrische Eigenschaften: Anschlußart: Schraubklemmen Eingangsspannung 5 - 35V DC Gleichspannnung Ausgangsspannung 1,5V - 35V DC Gleichspannung Ausgangsstrom 0 - 1,5A 0 max 1500mA V-Drop in Abhängigkeit der Temperatur z.B. bei max 1,5A +50°C 2,25V und bei 1A ca. 1,95V bei 500mA 1,75V Betriebstemperatur -25 - 85°C Maße Platine (LxBxH) 36 x 17 x 25mm

Labornetzteil 2,5...33V 0-2/3A Regelbares Netzgerät mit Wendelpoti und LötpadsStabilisierte Gleichspannung zwischen 2,5V und 33V mit maximaler Stromaufnahme von 3A brauchen. Selbstverständlich kann dieses Netzgerät auch für andere Zwecke verwendet werden. Wird das Trimmpotentiometer durch eine Poti Variante mit Achse ersetzt ist auch die Verwendung als regelbares Netzgerät möglich. Technische Daten:Fertig aufgebautes Modul ( Anschlußfertig mit Lötkontakten) Ausgangsspannung: einstellbar von 2,5V bis 33V ( je nach angelegter Eingangsspannung ) Ausgang DC Gleichspannung stabilisiertAusgangsstrom: 0-3A max. 3,0A = 3000mA bei entsprechender Kühlung ! Ausgangsstrom 0 - 2 A Ausgangstrom 0 - 3 A nur mit optionalem Kühlung Dieses Modul enthält ein komplettes, stufenlos regelbares stabilisiertes Netzgerät.Es braucht nur noch ein optionales Netzteil je nach Einsatzbereich z.B. 12V 24V 36V DCStep Down Spannungsregler Modul ( SNT = Schaltnetzteil ) Mit Hilfe des Trimmers (Spindeltrimmer mit 20 Umdrehungen!!!) kann eine Ausgangsspannung zwischen 2,5V und 33V eingestellt werden.WICHTIG: Der Einstellbereich ist auf 20 Umdrehungen des Trimmers aufgeteilt.Die Einstellung erfolgt im Uhrzeigersinn, d.h. rechts herum drehen verringert die Spannung und umgekehrt.Die Anschlüsse sind auf der Platine gut lesbar gekennzeichnet.Eingangsspannung: IN + und IN - ( DC Gleichspannung ) über Lötanschlüsse Ausgangsspannung: OUT+ und OUT- ( DC Gleichspannung ) über Lötanschlüsse Bei konstanten Ausgangsströmen von 2 - 3 A muss auf der Unterseite der Platine ein kleiner Kühlkörper (z.B. Fingerkühlkörper) unterhalb des IC aufgeklebt oder andserstweitig befestigt werden.Betriebsart step downIC-Regler integriert = LM2596SMD Schaltfrequenz 150kHzEingangsspannung 5 - 35 V DC von einem optionalen DC Netzteil Ausgangsspannung 2,5V - 33V DC einstellbar über PotiAusgangsstrom 0 - 2 A Ausgangstrom mit Kühlung 0 - 3 ARestwelligkeit bei Vin=12 V / Vout=5 V und Iout 2A 100 - 150 mVRestwelligkeit bei Vin=24 V / Vout=5 V und Iout 2A 150 - 200 mVBetriebstemperatur -25 - 55°CMaße Platine (LxBxH) 48 x 23 x 13 mmZusatzinfo: neuer Nachfolger nun mit Schraubklemmen = Art-Nr 92-477-02060

Labornetzteil 2,0...33V 0-2/3A Regelbares Netzgerät mit DIP-Schalter und WendelpotiDieses Mini-Platinenmodul enthält ein komplettes, stufenlos regelbares stabilisiertes Netzgerät.DCDCWandler regelbar ... machen Sie zb. aus 12 oder 24VDC 5Volt oder 12Volt .. frei einstellbarEs braucht nur noch ein optionales Netzteil je nach Einsatzbereich z.B. 12V 24V 36V DCEingangsspannung: 5-36VAusgangsspannung: 1,5-33V ( 0,5V Stufen, Schritten über DIP-Schalter )Belastbarkeit Ausgang max 2A ungekühlt .. mit Kühlung max 3A z.B. Lüfter oder KühlkörperDie Ausgansspannung wird durch Addition der aufgedruckten Spannungswerte des Schalters eingestellt.Mit dem Poti kann dann zusätzlich noch eine Feineinstellung vorgenommen werden.Die Schraubkontakte sind auf der Platine mit +/- gekennzeichnet.Eingangsspannung: IN+ und IN-Ausgangsspannung: OUT+ und OUT-Bei konstanten Ausgangsströmen von 2 - 3 A muss auf der Unterseite der Platine einkleiner Kühlkörper z.B. Fingerkühlkörper unterhalb des IC aufgeklebt werden.Allgemeine Eigenschaften:Betriebsart step downIC LM 2596Schaltfrequenz 150 kHzBetriebstemperatur -25 - 55°CMaße Platine (LxBxH) 59 x 35 x 15mmØ Befestigungslöcher ca. 3,2 mmElektrische Eigenschaften:Eingangsspannung 5 - 35 V DCAusgangsspannung 1,5V - 33 V DCAusgangsstrom 0 - 2 AAusgangstrom mit Kühlung 0 - 3 ARestwelligkeit bei Vin=12 V / Vout=5 V und Iout 2A 100 - 150 mVRestwelligkeit bei Vin=24 V / Vout=5 V und Iout 2A 150 - 200 mV

Labornetzteil 2,5...33V 0-2/3A Regelbares Netzgerät mit Wendelpoti und SchraubklemmenStabilisierte Gleichspannung zwischen 2,5V und 33V mit maximaler Stromaufnahme von 3A brauchen. Selbstverständlich kann dieses Netzgerät auch für andere Zwecke verwendet werden. Wird das Trimmpotentiometer durch eine Poti Variante mit Achse ersetzt ist auch die Verwendung als regelbares Netzgerät möglich. Technische Daten:Fertig aufgebautes Modul ( Anschlußfertig mit Lötkontakten) Ausgangsspannung: einstellbar von 2,5V bis 33V ( je nach angelegter Eingangsspannung ) Ausgang DC Gleichspannung stabilisiertAusgangsstrom: 0-3A max. 3,0A = 3000mA bei entsprechender Kühlung ! Ausgangsstrom 0 - 2 A Ausgangstrom 0 - 3 A nur mit optionalem Kühlung Dieses Modul enthält ein komplettes, stufenlos regelbares stabilisiertes Netzgerät.Es braucht nur noch ein optionales Netzteil je nach Einsatzbereich z.B. 12V 24V 36V DCStep Down Spannungsregler Modul ( SNT = Schaltnetzteil ) Mit Hilfe des Trimmers (Spindeltrimmer mit 20 Umdrehungen!!!) kann eine Ausgangsspannung zwischen 2,5V und 33V eingestellt werden.WICHTIG: Der Einstellbereich ist auf 20 Umdrehungen des Trimmers aufgeteilt.Die Einstellung erfolgt im Uhrzeigersinn, d.h. rechts herum drehen verringert die Spannung und umgekehrt.Die Anschlüsse sind auf der Platine gut lesbar gekennzeichnet.Eingangsspannung: IN + und IN - ( DC Gleichspannung ) über Lötanschlüsse Ausgangsspannung: OUT+ und OUT- ( DC Gleichspannung ) über Lötanschlüsse Bei konstanten Ausgangsströmen von 2 - 3 A muss auf der Unterseite der Platine ein kleiner Kühlkörper (z.B. Fingerkühlkörper) unterhalb des IC aufgeklebt oder andserstweitig befestigt werden.Betriebsart step downIC-Regler integriert = LM2596SMD Schaltfrequenz 150kHzEingangsspannung 5 - 35 V DC von einem optionalen DC Netzteil Ausgangsspannung 2,5V - 33V DC einstellbar über PotiAusgangsstrom 0 - 2 A Ausgangstrom mit Kühlung 0 - 3 ARestwelligkeit bei Vin=12 V / Vout=5 V und Iout 2A 100 - 150 mVRestwelligkeit bei Vin=24 V / Vout=5 V und Iout 2A 150 - 200 mVBetriebstemperatur -25 - 55°CMaße Platine (LxBxH) 44 x 28 x 17mmZusatzinfo: neuer Audführung mit DIP-Schalter und Schraubklemmen = Art-Nr 92-477-02050

Labornetzteil 1-30V 0-3A Regelbares Netzgerät mit Gleichrichterdioden am Eingang. Eingangsspannung: 9VAC...bis...30VAC oder 9VDC...bis 30VDC Stabilisierte Gleichspannung zwischen 1V und 30V mit maximaler Stromaufnahme von 3A brauchen. Selbstverständlich kann dieses Netzgerät auch für andere Zwecke verwendet werden. Wird das Trimmpotentiometer durch eine Poti Variante mit Achse ersetzt ist auch die Verwendung als regelbares Netzgerät möglich. Wenn Sie einen oder zwei 12V Bleiakkus oder Lithium Akkus am Eingang anschliessen kann daraus auch ein mobiles tragbares Labornetzteil hergestellt werden. Technische Daten: Ausgangsspannung: einstellbar von 1V bis 30V ( je nach angelegter Eingangsspannung ) ( 3V ...30V ) Ausgang DC Gleichspannung stabilisiert Ausgangsstrom: 0-3A max. 3A = 3000mA Restwelligkeit: nur 0.5mV kurzschlussgeschützt überlastgeschützt Elko für Siebung mit 10000uF IC Regler LM723 Transistor-Out über MJ3001 Eingangsspannung: 9 bis 30VAC oder 9 bis 30VDC (von der gewünschten Ausgangsspannung abhängig) Transformator getrennt erhältlich ( erhältlich 12V AC / 15VAC / 18VAC / 24VAC / 30VAC oder auch mobil betreibbar z.B. mit einem oder zwei 12V Bleiakku oder entsprechendem Lithium Akku Abmessungen: 130 x 91 x 50mm Lieferung inklusive Kühlkörper, Platine, Bauteilen und Anleitung Lieferumfang: Bausatz, Platine Bauteile und Anleitung Optional erhältlich fals Sie dies ggf. benötigen: Bst Nr 21-817-00520 = 10Kohm solides Drahtpoti mit 6mm Metallachse Bst Nr 21-817-00070 = 10Kohm Poti mit 6mm Kunststofflachse Bst Nr 21-817-00053 = 10Kohm Poti mit 4mm Kunststofflachse Bst Nr 51-705-00014 = Knopf Schwarz 15mm für Poti mit 6mm Achse Bst Nr 51-705-00011 = Knopf Schwarz 24mm für Poti mit 6mm Achse Bst Nr 43-890-01740 = 230VAC Trafo 48VA mit 2x12VAC = 24VAC 2A Bst Nr 43-890-00355 = 230VAC Ringkerntrafo 80VA mit 2x12VAC = 24VAC 3,33A Bst Nr 39-850-00035 = Polklemme ROT Bst Nr 39-865-00004 = Polklemme SCHWARZ Bst Nr 90-570-00055 = LCD Einbau Instrument Bst Nr 52-625-00790 = Gehäuse Grau 200x120x77mm IP65 Bst Nr 33-175-00043 = 12V 7,2AH Bleiakku z.B. für den Bau eines tragbaren Labornetzteil Achtung: Bei diesem Produkt handelt es sich um einen Elektronik-Bausatz welcher noch zusammengebaut werden muss. Hierfür sind Lötkenntnisse erforderlich! Es sind alle benötigten Platinenbauteile vorhanden sowie ein Bau-/Bestückungsplan. Der untere abgebildete Schaltplan kann Zubehörartikel zeigen, welche nicht mitgeliefert werden. Die originale 1. Abbildung zeigt den fertig zusammengebauten Bausatz mit seinen ganzen mitgelieferten Bauteilen.

Universal Motorregler bis 4KW Leistung 4000W verwendbar auch als Lüftersteuerung, Dimmer, Leistungsregler, Motoren, Sägen, Bohrmaschinen, Lampen, E-Heizungen usw. Zum Regeln von ohmschen und induktiven Lasten z.B. Motoren, Lüfter, E-Heizung, Lampen usw. wenn diese im Phasenanschnitt geregelt werden können Technische Daten: Anschließbare Lasten: Ohmsche (Lampen) und induktive Lasten ( Motoren Lüfter.. ) Betriebsspannung: 230VAC typisch (110-240VAC) Belastbarkeit: bei 230VAC max. 4000VA = 4KW bei 110VAC max. 2000VA Belastung: max. 18 A bei Montage auf einen Kühlkörper Ohne zusätzlichen Kühlkörper max. ( 1400W = 1,4KW ca 6A bei 230VAC ) Mit zusätzlichen Kühlkörper max. ( 1400...4000W = 4KW ca. 6-18A bei 230VAC ) optional erhältlicher Kühlkörper z.B. Bst Nr 8-891-00530 oder 8-890-00250 ( siehe im Zuberhör ) Kurzfristiger Spitzenstrom max. 25A 10Sek. Kühlblech muss isoliert sein keine galvanische Trennung Regelung Phasenanschnitt Poti = Regler = 470-kOhm mit Knopf inklusive Abmessungen des Moduls: 87 x 60 x 33mm Das Modul ist fertig aufgebaut und sofort Betriebsbereit Lieferumfang: Modul, Poti kurzem Kabel und Knopf, Anleitung deutsch Zusatzinformationen um Reglermodul: Es handelt sich um eine Phasen-Anschnittsteuerung. Damit können elektrische Lasten geregelt werden wie z.B. Elektromotoren mit Kohle-Kollektor-Motoren, Heizungen, Rüttelmagnete, Lötkolben, Halogenlampen usw. Nicht geregelt werden können Lasten, die bereits eine eingebaute Regelelektronik haben sowie Energie-Sparlampen, Leuchtstofflampen, und bedingt Spaltpolmotoren. Die Drehzahl von Spaltpolmotoren (Synchronmotoren) und von Motoren mit Anlaufkondensator können manchmal auch mit dem Leistungsregler geregelt werden, wie uns Kunden berichtet haben. Das hängt vermutlich von der jeweiligen Bauart ab. Unsere Aussage ist daher: es muss im jeweiligen Einzelfall ausprobiert werden, generell können wir diese Funktion nicht zusagen. Aufbauanweisung: Das Modul muss so eingebaut werden, dass es gut belüftet ist (es wird im Betrieb warm) und nicht berührt werden kann (offenliegende spannungsführende Steckkontakte). Bei größeren Belastungen (6 A - 18 A) sollte das Modul mit der Metall-Grundplatte des Moduls plan auf eine kühlende Unterlage ( am Besten ein Kühlkörper Nr 8-891-00530 ) geschraubt werden. Der Kühlkörper muss so dimensioniert sein, dass die Metall-Grundplatte des Moduls nicht über 50°C heiß wird im Betrieb. Für Voll-Last (18 A) empfehlen wir einen Rippenkühlkörper mit den Mindestmaßen von ca. 100 x 100 x 20mm. Bei geringeren Belastungen kann der Kühlkörper entsprechend kleiner sein. Das Modul wird gemäß Anschlusszeichnung angeschlossen. Das beiliegende Potentiometer wird per Steckkontakt mit dem Modul verbunden. Bitte beachten Sie in jedem Fall die VDE-Sicherheitsbestimmungen (z.B. vorgeschaltete Sicherungen, Zugentlastern an den Kabeln, Berührungsschutz an allen spannungsführenden Teilen. Feuersicherer Einbau, so dass bei Brandentstehung oder Überhitzung kein Schaden entstehen kann usw.). Erhältliches optionales Zubehör wie folgt erhältlich : Bst-Nr 92-477-00480 = Optionales Zusatzmodul erhältlich siehe unten im Zubehör-Register ( M150 ) Dies ist ein DC und Puls Converter: Wenn dieses Modul vorgeschaltet wird, dann kann Modul auch mit Steuerspannungen angesteuert werden (1-5VDC oder 3-12VDC oder 6-24VDC) oder auch mit TTL-Impulsen (jeweils wahlweise). Optional erhältlicher Kühlkörper je nach Einbauart : Bst-Nr 8-891-00530 = Kühlkörper Rippenk. 115x100x63mm ALU Schwarz oder Bst-Nr 8-890-00250 = Kühlkörper flacher Rippenk. 175x75x28mm ALU Schwarz ( siehe weitere Bilder und im Zubehör-Register ) Optional sind für die Kontakte .. Steckschuhe erhältlich : Bst-Nr 45-821-01070 = Kabelschuh Sortiment 1200-tlg. mit 18-Sorten diverse Bst-Nr 45-821-04250 = Flachsteckhülsen 6,3mm *100-Pack* Rot vollisoliert für Kabel 0,5.1,5qmm Bst-Nr 45-821-04260 = Flachsteckhülsen 6,3mm *100-Pack* Blau vollisoliert für Kabel 1,5..2,5qmm Bst-Nr 45-821-00545 = Flachsteckhülsen 6.3mm *100-Pack* BLANK vernickelt für Kabel bis 2,5qmm Optional sind Wandverteiler AP-Gehäuse für den sicheren Einbau und Betrieb erhältlich : Bst-Nr 52-625-01820 = Verteilerkasten Wandgeh. AK03 mit 150 x 100 x 96mm Bst-Nr 52-625-01810 = Verteilerkasten Wandgeh. AK05 mit 200 x 125 x 120mm Optional sind hierzu erhältlich Hutschiene und Hutschienenklemmen für die sichere Verdrahtung : Bst-Nr 42-691-00010 = Hutschiene 500mm B:35mm / H: 7,5mm -gelocht- Bst-Nr 42-691-00030 = Hutschiene 500mm B:35mm / H: 7,5mm -ungelocht- Bst-Nr 39-798-00170 = Klemme Phoenix UK-5 Sich.Klemme B: 6,2mm Schwarz Bst-Nr 39-798-00220 = Klemme Phoenix UK-5 Durchgang B: 6,2mm Schwarz Bst-Nr 39-798-00160 = Klemme Phoenix UK-5 Durchgang B: 6,2mm BLAU Bst-Nr 39-798-00120 = Klemme Phoenix UK-5 Durchgang B: 6,2mm GRAU Bst-Nr 39-798-00150 = Klemme Phoenix UK-5 Durchgang B: 6,2mm PE Bst-Nr 39-798-00250 = UK-E Endklammer-Halter Bst-Nr 39-798-00210 = Klemmenmarkierung ZB6 Breite: 6,2mm Optional erhältlicher Entstörfilter ( SIFI ) je nach verwendeter Leistung z.B. Bst-Nr 35-656-00720 = Netzfilter bis 6,5A = für Lasten bis 1495VA Bst-Nr 29-750-00510 = Netzfilter bis 4,0A = für Lasten bis 920VA Bst-Nr 35-656-00540 = Netzfilter bis 10A = für Lasten bis 2300VA Bst-Nr 35-656-00550 = Netzfilter bis 16A = für Lasten bis 3680VA Bst-Nr 35-656-00560 = Netzfilter bis 20A = für Lasten bis 4000VA Optional sind auch Sicherungshalter je nach Ausführung und Einbauart erhältlich Bst-Nr 31-843-00001 = Sich.Halter für 5x20mm Fuse für den Gehäuseeinbau mit Schraubkappe Bst-Nr 31-843-00007 = Sich.Halter für 5x20mm Fuse Kabelsicherungshalter mit Bajonettkopf Bst-Nr 31-843-00200 = Sich.Halter für 5x20mm zum anschrauben offene Ausf. Flach mit Lötösen seitlich Sicherungen hierzu passend wie folgt Bst-Nr 31-842-00059 = 6.3A 250V T 5x20mm Glassicherung bis ca. 1400W Bst-Nr 31-842-00063 = 8A 250V T 5x20mm Glassicherung bis ca. 1840W Bst-Nr 31-842-00066 = 10A 250V T 5x20mm Glassicherung bis ca. 2300W Bst-Nr 31-842-00193 = 12A 250V T 5x20mm Glassicherung bis ca. 2900W Bst-Nr 31-842-00069 = 16A 250V T 5x20mm Glassicherung bis ca. 3680W

Durchschnittliche Bewertung von 5 von 5 Sternen
Motorregler für induktive Lasten für 230V max. 1200W bzw. 600W bei 110-120V. Regelt über ein Potentiometer Motoren aller Art; auch Lüfter, Bohrmaschinen, Standbohrmaschinen, Motoren aller Art. Natürlich auch Glühlampen und Heizungen usw. Dimmermodul bzw. Drehzahlregler für div. Anwendungen. Betriebsspannung: 230V (110-240V AC). Max Strombelastbarkeit: 6 Ampere (3A Dauerleistung) Das entspricht bei 230V = 1200W bzw. 600Watt bei 110VAC Technische Daten: zulässige Betriebsspannungen: 230Vac (110-240V 50/60Hz) Max. Strombelastbarkeit: 6A (Dauerleistung: 3A). Das entspricht bei 230V maximal 1200 Watt bzw. Dauerleistung 600 Watt oder bei 110Vac maximal 600 Watt bzw. Dauerleistung 300 Watt Einschaltdauer: 100 % bei 3A bzw. 20 % (max. 3 Min.) bei 6A Phasen-Anschnittsteuerung mit einem Triac Regelung: über ein fest angeschlossenes Drehpotentiometer 470K LIN Poti anbei wie in Abbildung (fest angeschlossen) Lasten: für ohmsche oder induktive Lasten Maße: ca. 61 x 35 x 23mm Als Erweiterungsmodul ist lieferbar M150 das ist ein DC oder Puls Konverter ( Nr 92-477-00480 ) siehe unten im Zubehör Register. Damit kann statt über das Poti mit Steuerspannungen oder Digitalsignalen geregelt werden. Lieferbares Zubehör: Zusatzmodul DC und Puls Konverter M150. Wenn dieses Modul vorgeschaltet wird, dann kann das Dimmermodul M012 auch mit Steuerspannungen angesteuert werden (1...5 V= oder 3...12 V= oder 6...24 V=) oder auch mit TTL-Impulsen (jeweils wahlweise). Es handelt sich um eine Phasen-Anschnittsteuerung mit einem Triac. Durch Drehen am angeschlossenen Potentiometer wird die Last zwischen Null und bis ca. 90% Leistung geregelt. Mit diesem Modul (Phasen-Anschnittsteuerung) können nur ohmsche oder induktive Verbraucher wie z.B. Heizungen oderUniversalmotoren (mit Kohleschleifern) angeschlossen werden. Verbraucher (z.B. Bohrmaschinen) mit einer bereits werksseitigvorgeschalteten Elektronik (Bohrmaschinen mit eingebauter Elektronik) können nicht geregelt werden.Ebenso können keine Leuchtstofflampen, Stromsparlampen, Quarzlampen und andere elektronische Verbraucher (Netzteile,Verstärker usw.) geregelt werden. Andere Motoren wie z.B. Synchron-Motoren, Asynchron-Motoren, Motoren mit Anlaufkondensator können normalerweise nicht geregelt werden, weil hier die Drehzahl nicht von der zugeführten Betriebsleistung, sondern von der Netzfrequenz abhängt (50Hz). In vielen Fällen (je nach Bauart der Motoren und der mechanischen Last) geht das aber trotzdem, so dass wir hier keine verbindliche Aussage treffen können (muss ausprobiert werden). Der beiliegende Drehknopf wird auf die Potentiometerachse gesteckt. Wichtig: Je nach Belastung erwärmt sich das Modul während des Betriebs. Es muss daher an einer gut belüfteten Stelle eingebaut werden. Falscher Anschluss, Kurschluss oder Überlastung im Laststromkreis, zu hohe Betriebsspannung (> 240 V/AC) oder Überhitzung (keine ausreichende Belüftung) führen zur sofortigen Zerstörung des Moduls. Da jedes Modul vor dem Versand sorgfältig auf Funktion geprüft wurde, ist ein Kulanzersatz nicht möglich!