Zum Hauptinhalt springen Zur Suche springen Zur Hauptnavigation springen
schneller Versand
Telefonische Beratung
Rufen Sie gerne an
Rechnungszahlung für Firmen/Behörden
Telefon: +49 (0)7362 - 919093

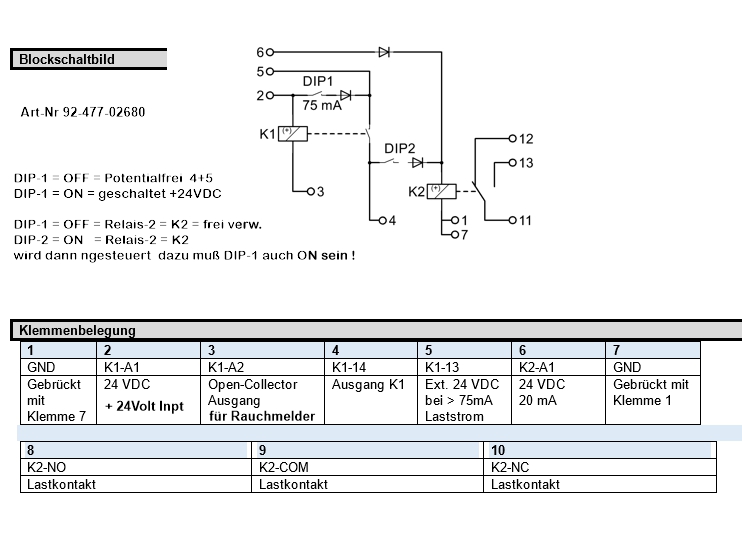
24V Relaisplatine mit 5K OPC-INP und zuschaltbarem Wechslerkontakt Ideal für die kabelgebundene Rauchmelderserie

Produktinformationen "24V Relaisplatine mit 5K OPC-INP und zuschaltbarem Wechslerkontakt Ideal für die kabelgebundene Rauchmelderserie "

Universal Relaismodul mit zuschaltbarem Wechslerkontakt + Kompaktes Univ. Relaismodul im Gehäuse ist ideal für Rauchmelder mit OpenCollector Ausgang, Steuerungsaufgaben, Alarmsystemen, Zugangskontrollsystemen usw. 

Es dient z.B. auch zur Umsetzung von OpenCollector-Ausgängen auf lastgeführte Verbraucherkreise wie Sirenen, Lampen, Türen usw. aber auch als potentialfreier Kontakt für Wählgeräte oder Auswerteeinheiten. 

Die galvanische Trennung des Steuerkreises zum Lastkreis gibt zusätzliche Sicherheit für Ihre Systeme.

Technische Daten MX1-RM-WK-2-230 : 

+ Betriebsspannung: 24V DC typisch 24V 

+ OpenCollector Eingang sehr hochohmig mit 4,6-5-Kohm somit ideal für Anwendung z.B. für kabelgebundenen Rauchmelder-Serie mit Art-Nr. 37-841-00092 + 37-841-00094 + 37-841-00096

+ Durch den integrierten DIP-Schalter können versch. Konfigurationen eingestellt werden je nach Anwendung z.B.: 

+ A) Ausgang mit potentialfreien Schließerkontakt ( 1x EIN max 2A 125V ) oder 

+ B) 24V geschaltetem Ausgang = Schließerkontakt ( 1x EIN max 2A 125V ) mit Status-LED oder 

+ C) 24V Lastrelais mit Wechslerkontakt ( 1x UM bis 10A 250VAC potentialfreier Anschluss zur freien Verwendung )

Weitere Details siehe auch weitere Bilder : 

+ geschlossenes Gehäuse mit Platine und Schraubklemmen ( Anschlussklemmen für Kabellage bis 1,5qmm ) 

+ Gehäuse mit Hutschienenclip für 35mm ( EN60715 ) Hutschienen geeignet 

+  Gehäuse ist auch für die Wandmontage geeignet da 2x Befestigungsohren bereits integriert 

+ Das Gehäuse kann auch einfach in die Zwischendecke geschoben werden 

+ Gehäusematerial ABS Kunststoff 

+ Abmessungen : - Abmessungen : 82 x 54 x 32 mm

+ Made in Germany ! 

+ Lieferung inkl. Anschlussplan

0 von 0 Bewertungen

Durchschnittliche Bewertung von 0 von 5 Sternen

Bewerten Sie dieses Produkt!

Teilen Sie Ihre Erfahrungen mit anderen Kunden.


Produktgalerie überspringen

Zubehör

Nur 3 auf Lager!
Rauchmelder 12-24VDC Kabel EN54-7 optischer Punktrauchmelder mit DC-Schaltkontakt
Rauchmelder 12-24VDC Kabel EN54-7 optischer Punktrauchmelder mit DC-Schaltkontakt

EN54 Rauchmelder - optischer Punktrauchmelder - Brandmelder mit 12V..24V mit DC-Schaltkontakt und Kabelanschluß für sichtbaren Rauchpartikelinkl. Anschluss-Sockel ( Basissockel zum eindrehen ) für ihre Kabellage universell an 12V Alarmzentralen einsetzbar Optischer Punktrauchmelder für sichtbaren Rauchpartikel + konventioneller optischer Rauchmelder mit einzigartige Wirbelkammer zur Brandfrüherkennung12V oder 24V Versorgung per Kabellage Der kabelgebunde Rauchmelder ( optischer Punktrauchmelder ) ist universell an 12V... 13,8V...15V.. 18V..24V Gefahrenmeldezentralen oder auch Alarmanlagen ... BMZ... oder auch Sprechanlage mit APP einsetzbar. Bedingt auch mit externen ReedRelais oder SolidState-Relais ... oder Sirenensockel ( siehe TIPP weiter unten im Text ) Diser Kabelgebunde Rauchmelder ist universell an 12V..24V Gefahrenmeldezentralen oder Alarmanlagen... BMZ... ( Brandmeldezentrale ) und auch Sprechanlagen mit APP einsetzbar.Ein lästiger Batterieaustausch entfällt somit gänzlich, da über eine externe DC Stromversorgung versorgbar ! Der optische Rauchmelder dient zur Erkennung von sichtbaren Rauchpartikeln. Einzigartige Wirbelkammer zur Brandfrüherkennungerkennbare Testfeuer: TF-2 bis TF-5 gem. EN54-7 sowie TF-1 und TF-8 gem. ISO/TS 7240-9:2006Zur Erkennung der sichtbaren Rauchpartikel dient die optische Methode.Wenn die Rauchkonzentration in der optischen Kammer eine bestimmte Grenze überschreitet, dann wird der Melder einen Alarm auslösen.Signalisierung der Störung - Verschmutzung der optischen KammerDer Melder passt sich automatisch an allmähliche Staubablagerung in der optischen Kammer an und meldet es dann einfache Montage des Melders in dem Basissockel ( bei uns anbei ! ) Möglicher Anschluss dieser kabelgebunderen Rauchmelder sind vielfältig möglich z.B. :   A) eine optionalen 24V Signalgeber = ( einstellbarer Sirenesockel ) = Art-Nr 37-841-00098   B) Oder eine BMZ = Brandmeldezentrale = Art-Nr 79-100-00204 oder 79-100-00208  C) Alternativ freier Relaiskontakt = wenn Sie ein optionales externes hochohmiges 5-Kohm  24V DC-Relais = Art-Nr  92-477-02680 ( Platine mit zuschaltbarem Wechslerkontakt ) oder reines 5K 24V DIP-Relais ( nur Schließerkontakt ) zum verlöten = Art-Nr 47-826-00300  am Kontakt 2+3 nachschalten können Sie somit auch einen potentialfreien Kontakt weiter verarbeiten ... für Anwendungen aller Art ... sei es z.B. Smarthome, Industrie-, Torsteuerung o.ä. Anwendungen  Technische Daten:Direkter Anschluss per Schwachstromkabel4-adriger Anschluss Punktrauchmelder EN 54–7 zertifiziertoptischer Punktrauchmelder individuelle LED-AnzeigeOptische Alarmsignalisierung Der Alarm wird durch das Dauerleuchten der roten LED signalisiert um nach dem Auslösen des Melders zurück zu setzten entweder kurz Stromlos machen oder kurz ausdrehen Eine akustische Signalisierung ist nicht im Rauchmelder verbaut ! ( Optional = Art-Nr 37-841-00098 ) Die leuchtende LED erleichtert die Lokalisierung des Melders, der den Alarm ausgelöst hat. Ist der Melder an einer schwer zugänglichen Stelle installiert und die LED nicht sichtbar ist,An den Melder die Blitzleuchte anschließen, die an einer sichtbaren Stelle montiert werden soll. Anschlussmöglichkeit für externe BetriebsanzeigeDetektionsart optische RaucherkennungDer optischer Rauchmelder zur Detektion von sichtbaren Rauchpartikeln.Er detektiert Testfeuer: TF-2 bis TF-5 gem. EN54-7 sowie TF-1 und TF-8 gem. ISO/TS 7240-9:2006.Zur Installation wird der Sockel mitgeliefertAbmessungen Melder B x H x T DM 108 x 42 mmRuhestromaufnahme des Melders 0,03 mA in Betrieb bei Auslösung dann ca. 25-30mA Kontakt  2+3 = Ausgang Schließerkontakt ( geschaltet DC Gleichspannung U-Ein = U-Aus ) Abschluß des Sockels buw. Rauchmelder siehe weitere Bilder ! Stromaufnahme max 25-30mAZertifikate EN-54-7:2000 +A1:2002 + A2:2006Spannungsversorgung 12V oder 24V ( Range = 10,5 bis 26 VDC )Gewicht 94gr + 52gr für den Sockel = ø106 x 26 mmBetriebstemperatur -25 bis +50 °CReinigung der optischen Kammer :  Die Melder kontrollieren den Zustand der optischen Kammer. Die Staubablagerung im Inneren der Kammer kann im Laufe der Zeit die Auslösung von falschen Alarmen verursachen. Es wird empfohlen, die optische Kammer mindestens einmal im Jahr zu reinigen z.B. mit Pressluft Spray oder Kompressor. Die Reinigung der Kammer ist notwendig, wenn die LED ihre Verschmutzung signalisiert = 1x Aufblitzen alle 30 Sekunden TIPP zum Betrieb mit externem Relais : wenn Sie keine BMZ verwenden sollten und ein Relais ansteuern möchten ist wie folgt zu vor zu gehen ( von uns bereits so getestet und überprüft mit 24VDC Relaisplatine mit Wechslerkontakt Art-Nr 92-477-02680 oder 24V 5K DIP Relais mit Schließerkontakt zum verlöten Art-Nr 47-826-00300 Info hierzu :  1) Klemmen Ausgang des Rauchmelder ist ein Open-Kollektor Ausgang ( geschaltet Masse ) 2) Ausgang für 5K ReedRelais-Platine = Klemme-3 = + ( Plus ) und Klemme-2 = - ( Minus ) 3) Bei Betriebspannung des Rauchmelder im Bereich 15,0....26Volt empfehlen wir ihnen das 5K Reed-Relais mit Schließerkontakt  mit Art-Nr 47-826-00300 ( von uns getestet ) + Wichtig unter 15V Spg. am RM geht das nicht !   Das kleine bedrahtet Reedkontakt-Relais arbeitet mit diesem Rauchmelder optimal im Range 20...26V      =====================Folgende kabelgebundene Rauchmelder sind wie folgt erhältlich Meder   Art-Nr 37-841-00096 =  Spannungsversorgung nur 12-24V DC kabelgebunden mit DC-Schaltkontakt   .                                           Multikriterien-Melder  über mehrere Sensoren ( Opt-Sensor EN54-7 ) und               .                                           zusätzlich thermischer Sensor ( Wärmeerkennung 54-65°C ) nach EN-54-5 und   .                                           Detektion der Verschmutzung der optischen Kammer .                                             weniger empfindlich gegenüber Falsch- und Täuschungsalarmen.---------------- Art-Nr  37-841-00092 = Spannungsversorgung 12-24V DC kabelgebunden mit DC Schaltkontakt  .                                          konventioneller optischer Rauchmelder ( Opt-Sensor EN54-7 ) als  .                                          Punkt-Rauchmelder für sichtbaren Rauchpartikel und mit  .                                          Detektion der Verschmutzung der optischen Kammer ---------------- Art-Nr  37-841-00090 =  Spannungsversorgung nur 12V DC kabelgebunden mit NC/NO Kontakt  .                                            konventioneller optischer Rauchmelder ( Opt-Sensor EN54-7 ) als   .                                           Punkt-Rauchmelder für sichtbaren Rauchpartikel und mit  .                                                Thermodifferential- und Thermomaximaldetektor ( EN54-5 ) und  .                                    Wabenfilter aus Edelstahl schützt die Kammer kleinen Insekten, kleinen Schwebepartikeln  .                                        DIP-Schalter für Auswahl des Betriebsmodus ( Rauch, Wärme, Multisensor beides ) .                                    DIP-Schalter für Auswahl des Relaiskontaktes ( Meldelinie NO oder NC Kontakt )  ------------------ Art-Nr 37-841-00094 =  Spannungsversorgung 12-24V DC kabelgebunden mit DC-Schaltkontakt   .                                            Max-Differential Maximal-Wärmemelder  ( Opt-Sensor EN54-7 )  und     .                                           zusätzlich thermischer Sensor ( Wärmeerkennung 54-65°C  ) nach EN-54-5  ----------------- Unsere Empfehlung hierzu je nach Installationsart  ( optionales Zubehör z.B. ) Installation externe 12V Versorgung und Relaiskontakt des Rauchmelders wird z.B. auf ein Wählgerät verdrahtet : Art-Nr 93-815-01123 = 220-240VAC Steckernetztzeil 12V DC 1000mA  für bis zu 64Melder Art-Nr 41-149-00265 = DC-Kupplung GERADE  5,50mm / 2,10mm -- Schraubanschluss --Art-Nr 47-826-00300 = Reedrelais mit NO-Kontakt wenn der Rauchmelder zwischen 15-26V betrieben wirdArt.Nr 47-826-00098 = Sirenesockel 24Volt DC ( Range 18V...28VDC mit 8-versch.einstelbaren Tönen )   Art-Nr 76-881-00600 = Analog TAE Wählgerät Fernquittierung einstellbarAlternativ Wählgeräte mit GSMArt-Nr 76-881-00850 = Telefon-Wählgerät GSM mit USB-Port ohne SIM Karte Alternativ statt Steckernetzteil : Art-Nr 93-808-03490 = Unterputz-Netzteil UP-Dosen 230V auf 12VDC  1,00A z.B. für 55mm DosenAlternativ Stromversorgung mit DC Notstromakku ( 24/7 tauglich ) Art-Nr 66-860-02040 = DC USV 230V gepuffert 12V DC 1A Leistung mit LED-Display  Art-Nr 33-175-00054 = 12V Bleiakku 7,2Ah Alternativ Stromversorgung mit AC Notstromunit ( 24/7 tauglich ) Art-Nr 66-860-02035 = DCUSV 230V gepuffert 12V DC 3A Leistung mit LED-Display Art-Nr 33-175-00054 = 12V Bleiakku 7,2Ah Alternativ BMZ = Brandmeldezentrale passend zur Brandmeldezentrale BMZ  4-Linien oder 8-LinienArt-Nr 79-100-00204 = Brandmeldezentrale BMZ  4-Linien je max 32Melder  LCD EN54 zertifiziertArt-Nr 79-100-00208 = Brandmeldezentrale BMZ  8-Linien je max 32Melder  LCD EN54 zertifiziertArt-Nr 79-100-00215 = Zubehör LAN-IP-ModulDank dem virtuellen IP-PC Bedeinfeld ermöglicht das Modul eine Ansicht des Zustandes des Brandmeldesystems per Fernzugriff.Dank dem Modul können Sie von einem beliebigen Ort in der Welt den Status der Zentrale via Internet prüfen.

Regulärer Preis: Ab 36,95 €
Rauchmelder 12-24VDC kabelgebunden Dif-Max-Brandmelder mit Sockel DC-Kontakt reiner Thermomelder
Rauchmelder 12-24VDC kabelgebunden Dif-Max-Brandmelder mit Sockel DC-Kontakt reiner Thermomelder

EN54 Rauchmelder - Brandmelder mit 12-24V Kabelanschluss und DC-SchaltkkontaktDer Differential-Maximal-Brandmelder  löst bei einer schnellen Temperaturerhöhung einen Alarm aus. Dazu wird ein Messleiter mit einem Vergleichsleiter verglichen. Zusätzlich wird das Überschreiten der Maximaltemperatur detektiert. Die Auslösekriterien entsprechen der A1R ( EN54-5 )Zur Installation wird der Sockel DB bereits mitgeliefert Abmessungen B x H x T DM 108 x 49 mm plus Sockelabm. Auslösekriterien 54°C - 65°C statisch oder Temperaturanstieg gemäß A1R Detektionsart thermische Branderkennung  Klasse gem. EN-54-5 (Thermosensor) A1R Max. statische Temperatur der Alarmmeldung 54°C Minimale statische Temperatur für Alarmmeldung 65°C Ruhestromaufnahme 0,03mA Stromaufnahme max 23mA Zertifikate EN 54-5: 2001  Spannungsversorgung 12V-24V ( Range 10,5 bis 26VDC Betriebstemperatur -25 bis +50 °C Kontakt  2+3 = Ausgang Schließerkontakt ( geschaltet DC Gleichspannung OC = U-Ein = U-Aus ) Abschluß des Sockels bzw. Rauchmelder siehe weitere Bilder ! einfache Montage des Melders in dem Basissockel ( bei uns anbei ! ) Belegungsplan siehe weitere Bilder ! Möglicher Anschluss dieser kabelgebunderen Rauchmelder sind vielfältig möglich z.B. :  A) eine optionalen 24V Signalgeber = ( einstellbarer Sirenesockel ) = Art-Nr 37-841-00098  B) Oder eine BMZ = Brandmeldezentrale = Art-Nr 79-100-00204 oder 79-100-00208 C) Alternativ freier Relaiskontakt = wenn Sie ein optionales externes hochohmiges 5-Kohm  24V DC-Relais = Art-Nr  92-477-02680 ( Platine mit zuschaltbarem Wechslerkontakt ) oder reines 5K 24V DIP-Relais ( nur Schließerkontakt ) zum verlöten = Art-Nr 47-826-00300  am Kontakt 2+3 nachschalten können Sie somit auch einen potentialfreien Kontakt weiter verarbeiten ... für Anwendungen aller Art ... sei es z.B. Smarthome, Industrie-, Torsteuerung o.ä. Anwendungen  ------------------ Folgende kabelgebundene Rauchmelder sind wie folgt erhältlich :   Art-Nr 37-841-00096 =  Spannungsversorgung nur 12-24V DC kabelgebunden mit DC-Schaltkontakt  .                                           Multikriterien-Melder  über mehrere Sensoren ( Opt-Sensor EN54-7 ) und              .                                           zusätzlich thermischer Sensor ( Wärmeerkennung 54-65°C ) nach EN-54-5 und  .                                           Detektion der Verschmutzung der optischen Kammer                             .               weniger empfindlich gegenüber Falsch- und Täuschungsalarmen.----------------- Art-Nr 37-841-00092 = Spannungsversorgung 12-24V DC kabelgebunden mit DC-Schaltkontakt   .                                          konventioneller optischer Rauchmelder ( Opt-Sensor EN54-7 ) als  .                                          Punkt-Rauchmelder für sichtbaren Rauchpartikel und mit  .                                          Detektion der Verschmutzung der optischen Kammer ----------------- Art-Nr 37-841-00090 =  Spannungsversorgung nur 12V DC kabelgebunden jedoch mit NC/NO Kontakt  .                                            konventioneller optischer Rauchmelder ( Opt-Sensor EN54-7 ) als   .                                           Punkt-Rauchmelder für sichtbaren Rauchpartikel und mit  .                                                Thermodifferential- und Thermomaximaldetektor ( EN54-5 ) und  .                                    Wabenfilter aus Edelstahl schützt die Kammer kleinen Insekten, kleinen Schwebepartikeln  .                                        DIP-Schalter für Auswahl des Betriebsmodus ( Rauch, Wärme, Multisensor beides ) .                                    DIP-Schalter für Auswahl des Relaiskontaktes ( Meldelinie NO oder NC Kontakt )  ------------------ Art-Nr 37-841-00094 =  Spannungsversorgung 12-24V DC kabelgebunden mit DC-Schaltkontakt  .                                            Max-Differential Maximal-Wärmemelder  ( Opt-Sensor EN54-7 )  und     .                                           zusätzlich thermischer Sensor ( Wärmeerkennung 54-65°C  ) nach EN-54-5  ----------------- Unsere Empfehlung hierzu je nach Installationsart  ( optionales Zubehör z.B. )  Installation externe 12V Versorgung und Relaiskontakt des Rauchmelders wird z.B. auf ein Wählgerät verdrahtet :  Art-Nr 93-815-01123 = 220-240VAC Steckernetztzeil 12V DC 1000mA  für bis zu 64Melder  Art-Nr 41-149-00265 = DC-Kupplung GERADE  5,50mm / 2,10mm -- Schraubanschluss -- Art-Nr 76-881-00600 = Analog TAE Wählgerät Fernquittierung einstellbar Alternativ Wählgeräte mit GSM Art-Nr 76-881-00850 = Telefon-Wählgerät GSM mit USB-Port ohne SIM Karte  Alternativ statt Steckernetzteil :  Art-Nr 93-808-03490 = Unterputz-Netzteil UP-Dosen 230V auf 12VDC  1,00A z.B. für 55mm Dosen Alternativ Stromversorgung mit DC Notstromakku ( 24/7 tauglich )  Art-Nr 66-860-02040 = DC USV 230V gepuffert 12V DC 1A Leistung mit LED-Display   Art-Nr 33-175-00054 = 12V Bleiakku 7,2Ah  Alternativ Stromversorgung mit AC Niotstromunit ( 24/7 tauglich )  Art-Nr 66-860-02035 = DCUSV 230V gepuffert 12V DC 3A Leistung mit LED-Display  Art-Nr 33-175-00054 = 12V Bleiakku 7,2Ah  Alternativ BMZ = Brandmeldezentrale  passend zur Brandmeldezentrale BMZ  4-Linien oder 8-Linien Art-Nr 79-100-00204 = Brandmeldezentrale BMZ  4-Linien je max 32Melder  LCD EN54 zertifiziert Art-Nr 79-100-00208 = Brandmeldezentrale BMZ  8-Linien je max 32Melder  LCD EN54 zertifiziert Art-Nr 79-100-00215 = Zubehör LAN-IP-Modul Dank dem virtuellen IP-PC Bedeinfeld ermöglicht das Modul eine Ansicht des Zustandes des Brandmeldesystems per Fernzugriff. Dank dem Modul können Sie von einem beliebigen Ort in der Welt den Status der Zentrale via Internet prüfen.

Regulärer Preis: Ab 28,95 €
Rauchmelder 12-24VDC kabelgebunden Multikriterienmelder mit Sockel DC-Schaltkontakt
Rauchmelder 12-24VDC kabelgebunden Multikriterienmelder mit Sockel DC-Schaltkontakt

EN54 Rauchmelder - Multikriterienmelder - Brandmelder mit 12-24V Kabelanschluss und DC-SchaltkkontaktDieser Multikriterienmelder ... Brandmelder verfügt über mehrere Sensoren Durch diese Kombination ist dieser Melder weniger empfindlich gegenüber Falsch- und Täuschungsalarmen. Detektionsart = optische und thermische Branderkennung die zur Erkennung von  Rauchpartikeln als auch zur Erkennung eines schnellen Temperaturanstiegs und Überschreitung einer maximalen Temperatur. Auslösekriterien 54°C - 65°C statisch oder Temperaturanstieg gemäß A1R ( EN54-5 ) Hinweis: In der Projektierung ist er wie ein Wärmemelder zu behandeln.EN 54–7 und EN-54-5 zertifiziertoptisch-thermischer Punktbrandmelderindividuelle LED-AnzeigeAnschlussmöglichkeit für externe BetriebsanzeigeZur Installation wird der Sockel ( Basissockel zum eindrehen des RM ) bereits mitgeliefert Abmessungen B x H x T DM 108 x 49 mm plus Sockelabm. Auslösekriterien 54°C - 65°C statisch oder Temperaturanstieg Max. statische Temperatur der Alarmmeldung 54°C Minimale statische Temperatur für Alarmmeldung 65°C Ruhestromaufnahme 0,04 mA Stromaufnahme max 23mA Zertifikate EN 54-5: 2000 + A1 : 2002 CPD 89/106/EWG über Bauprodukte / EMC 2004/108/WE über elektromagnetische Verträglichkeit; Spannungsversorgung 10,5 bis 26VDC ( 12VDC oder 24VDC )  Betriebstemperatur -25 bis +50 °C Kontakt  2+3 = Ausgang Schließerkontakt ( geschaltet DC Gleichspannung U-Ein = U-Aus ) Abschluß des Sockels bzw. Rauchmelder siehe weitere Bilder ! einfache Montage des Melders in dem Basissockel ( bei uns anbei ! )  Belegungsplan siehe weitere Bilder ! Möglicher Anschluss dieser kabelgebunderen Rauchmelder sind vielfältig möglich z.B. : A) eine optionalen 24V Signalgeber = ( einstellbarer Sirenesockel ) = Art-Nr 37-841-00098 B) Oder eine BMZ = Brandmeldezentrale = Art-Nr 79-100-00204 oder 79-100-00208C) Alternativ freier Relaiskontakt = wenn Sie ein optionales externes hochohmiges 5-Kohm  24V DC-Relais = Art-Nr  92-477-02680 ( Platine mit zuschaltbarem Wechslerkontakt ) oder reines 5K 24V DIP-Relais ( nur Schließerkontakt ) zum verlöten = Art-Nr 47-826-00300  am Kontakt 2+3 nachschalten können Sie somit auch einen potentialfreien Kontakt weiter verarbeiten ... für Anwendungen aller Art ... sei es z.B. Smarthome, Industrie-, Torsteuerung o.ä. Anwendungen  -----------------Folgende kabelgebundene Rauchmelder sind wie folgt erhältlich :   Art-Nr 37-841-00096 =  Spannungsversorgung nur 12-24V DC kabelgebunden mit DC-Schaltkontakt  .                                           Multikriterien-Melder  über mehrere Sensoren ( Opt-Sensor EN54-7 ) und              .                                           zusätzlich thermischer Sensor ( Wärmeerkennung 54-65°C ) nach EN-54-5 und  .                                           Detektion der Verschmutzung der optischen Kammer                             .               weniger empfindlich gegenüber Falsch- und Täuschungsalarmen.----------------- Art-Nr 37-841-00092 = Spannungsversorgung 12-24V DC kabelgebunden mit DC-Schaltkontakt  .                                          konventioneller optischer Rauchmelder ( Opt-Sensor EN54-7 ) als  .                                          Punkt-Rauchmelder für sichtbaren Rauchpartikel und mit  .                                          Detektion der Verschmutzung der optischen Kammer ----------------- Art-Nr 37-841-00090 =  Spannungsversorgung nur 12V DC kabelgebunden jedoch mit NC/NO Kontakt  .                                            konventioneller optischer Rauchmelder ( Opt-Sensor EN54-7 ) als   .                                           Punkt-Rauchmelder für sichtbaren Rauchpartikel und mit  .                                                Thermodifferential- und Thermomaximaldetektor ( EN54-5 ) und  .                                    Wabenfilter aus Edelstahl schützt die Kammer kleinen Insekten, kleinen Schwebepartikeln  .                                        DIP-Schalter für Auswahl des Betriebsmodus ( Rauch, Wärme, Multisensor beides ) .                                    DIP-Schalter für Auswahl des Relaiskontaktes ( Meldelinie NO oder NC Kontakt )  ------------------ Art-Nr 37-841-00094 =  Spannungsversorgung 12-24V DC kabelgebunden mit DC-Schaltkontakt  .                                            Max-Differential Maximal-Wärmemelder  ( Opt-Sensor EN54-7 )  und     .                                           zusätzlich thermischer Sensor ( Wärmeerkennung 54-65°C  ) nach EN-54-5  ----------------- Unsere Empfehlung hierzu je nach Installationsart  ( optionales Zubehör z.B. ) Installation externe 12V Versorgung und Relaiskontakt des Rauchmelders wird z.B. auf ein Wählgerät verdrahtet : Art-Nr 93-815-01123 = 220-240VAC Steckernetztzeil 12V DC 1000mA  für bis zu 64Melder Art-Nr 41-149-00265 = DC-Kupplung GERADE  5,50mm / 2,10mm -- Schraubanschluss --Art-Nr 76-881-00600 = Analog TAE Wählgerät Fernquittierung einstellbarAlternativ Wählgeräte mit GSMArt-Nr 76-881-00850 = Telefon-Wählgerät GSM mit USB-Port ohne SIM Karte Alternativ statt Steckernetzteil : Art-Nr 93-808-03490 = Unterputz-Netzteil UP-Dosen 230V auf 12VDC  1,00A z.B. für 55mm DosenAlternativ Stromversorgung mit DC Notstromakku ( 24/7 tauglich ) Art-Nr 66-860-02040 = DC USV 230V gepuffert 12V DC 1A Leistung mit LED-Display  Art-Nr 33-175-00054 = 12V Bleiakku 7,2Ah Alternativ Stromversorgung mit AC Niotstromunit ( 24/7 tauglich ) Art-Nr 66-860-02035 = DCUSV 230V gepuffert 12V DC 3A Leistung mit LED-Display Art-Nr 33-175-00054 = 12V Bleiakku 7,2Ah Alternativ BMZ = Brandmeldezentrale passend zur Brandmeldezentrale BMZ  4-Linien oder 8-LinienArt-Nr 79-100-00204 = Brandmeldezentrale BMZ  4-Linien je max 32Melder  LCD EN54 zertifiziertArt-Nr 79-100-00208 = Brandmeldezentrale BMZ  8-Linien je max 32Melder  LCD EN54 zertifiziertArt-Nr 79-100-00215 = Zubehör LAN-IP-ModulDank dem virtuellen IP-PC Bedeinfeld ermöglicht das Modul eine Ansicht des Zustandes des Brandmeldesystems per Fernzugriff.Dank dem Modul können Sie von einem beliebigen Ort in der Welt den Status der Zentrale via Internet prüfen.

Regulärer Preis: Ab 41,40 €
Rabatt
Tipp
Elektrischer Türhalter bis 61Kg Haltekraft 24V Elektromagnet Haltemagnet mit Notauslöser
Elektrischer Türhalter bis 61Kg Haltekraft 24V Elektromagnet Haltemagnet mit Notauslöser

Elektromagnet Haltemagnet 2-teilig Haltekraft 61Kg + geeignet für alle Arten von Türen + Zuverlässiger ausfallsicherer Mechanismus mit langlebigem und geräuschloser Betrieb.Dieser elektrische Türfeststeller ist ein Standard-Typ mit 24V DC und einen sehr geringem Stromverbrauch.Ideal als Magnetverriegelung oder reiner Elektro-Haltemagnet verwendbar Idealer Elektrische Magnet Türhalter bis 61kg Haltekraft ideal auch für den Brandschutz Einfach zu montieren, robust und langlebigBeim Anlegen der Spannung ist der Frontbereich Magnetisch und hat eine Haltekraft bis 61-Kg ( 600nm )Strom weg und die Türe wird losgelassen somit ideal betreibbar über einen Wandtaster, Steuerung, Relais, Brandschutztürsteuerung, Rauchmeldersteuerung oder ähnlichem.Kurzdaten:Elektromagnetischer Türhalter für 24V BetriebsspannungMit integriertem roten Auslösetaster = Druckknopf für manuelle FreigabeMit rundem Kabeleinlass mit DM 20,5mm und SchraubklemmenGeeignet für einfache Türen und doppelte rauchfeste TürenGeeignet für alle Arten von Türen.. Metalltüren oder Holztüren etc.  Ebenso geeignet für Metalltüren ..... oder Holztüren da die nicht elektrische Einheit einfach angeschraubt werden kannTechnische Daten:Elektro Haltemagnet Basis = rechteckig / Kopf = rundHaltekraft : 61 Kg = 600-610 NewtonStromversorgungsmodus : 24V DC = GleichspannungSpannung : 24V 85mA +/- 10% ( 240-Ohm ) duty DC ED100%Stromaufnahme in Betrieb 85mAMaterial : extrem stabiler ABS Kunststoff, Metall Oberflächenbehandlung der Schale: Zink Betriebstemperatur : -10 ºC ... + 55 ºC Maximale Feuchtigkeit : 95%Abmessungen ( siehe auch Zeichnung weitere Bilder ):  Elektrischer Haltemagnet: 80 x 80 x 88mm  Runder Kopf mit Durchmesser von 50mm  Befestigungsfuß mit 4 Bohrungen DM je 6,2mm  Gegenstück für die Montage an der Türe : 80 x 80 x 50mm  Runder Kopf mit Durchmesser von 55mm  Der Kopf ist verstellbar und drehbar somit frei einstellbarDer Anschluss erfolgt über 2 Schraubklemmen ( Printklemmen ) für Kabel bis 1,5qmmDruckknopf für manuelle Freigabe ( roter Knopf ) bereits integriert.Das System hat einen roten Knopf integriert und ist gedacht im bestromten Zustand zu unterbrechen,sprich dann den Haltemechanismus elektrisch aus zu lösen; das hat den Vorteil, dass man keinen Alarm auslösen muss.Nettogewicht : 950 gLieferung inklusive 8 Senkkopfschrauben L 40mm ZUBEHÖR hierzu erhältlich ( Siehe auch im Zubehör-Register oder Bst-Nr unter Suche eingeben ) :++ Optional ist noch ein Deckenverlängerungsgehäuse mit Bst-Nr 47-790-00606 erhältlich ( fals benötigt ) siehe auch weitere Bilder ! Optional sind auch passende Netzteile hierzu erhältlich ( siehe auch im Zubehör-Register )  Art-Nr. 93-815-03450 = Steckernetzteil 24VDC 500mA Art-Nr. 93-807-05228 = Hutschienennetzteil 24VDC 630mA für Schaltschrankeinbau Art-Nr. 93-808-00510 = Netzteil in Case Bauform 24VDC 1100mA Art-Nr. 93-808-03485 = Netzteil für runde Schalterdosen 24VDC 500mA  Elektromagnet Haltemagnet für Türen zu im Brandschutzfall erhältlich wie folgt :  Bst Nr. 47-790-00610 = Elektrischer vertikaler Türhalter bis 61Kg Haltekraft 24V Elektromagnet HaltemagnetBst Nr 47-790-00605 = Elektrischer Türhalter bis 61Kg Haltekraft 24V Elektromagnet HaltemagnetWeiteres Zubehör erhältlich z.B. Exit-Taster oder Hausalamtaster Alarmtaster auch in Rot usw.  Bst-Nr 47-790-00750 = EXIT-Taster Edelstahl mit Aufputzgehäuse 86x50x26mmBst-Nr 47-790-00780 = EXIT-Taster Edelstahl mit großem grünem KnopfZusatzinfo :  Neu ist nun auch das wir hierzu ein 24V Rauchmelder ( >Standalone ) mit Hilfsrelais und Wechslerkontakt ) anbieten können :   Bst-Nr 37-841-00096 = 24V Rauchmelder Kabelgebunden Multikriterienmelder mit Sockel Bst-Nr 92-477-02680 = 24V Modul Relaisplatine 4K OPC-INP 1xUM = MX1-RM-WK-2-230  

Verkaufspreis: 56,00 € Regulärer Preis: 89,95 € (37.74% gespart)
Rabatt
Tipp
Neu
Elektrischer Türhalter bis 61Kg Haltekraft 24V Elektromagnet Haltemagnet mit Notauslöser Vertikale Ausführung
Elektrischer Türhalter bis 61Kg Haltekraft 24V Elektromagnet Haltemagnet mit Notauslöser Vertikale Ausführung

Vertikaler Elektromagnet Haltemagnet 2-teilig Haltekraft 61Kg + geeignet für alle Arten von Türen + Zuverlässiger ausfallsicherer Mechanismus mit langlebigem und geräuschloser Betrieb.Dieser elektrische Türfeststeller ist ein Standard-Typ mit 24V DC und einen sehr geringem Stromverbrauch.Ideal als Magnetverriegelung oder reiner Elektro-Haltemagnet verwendbar Idealer Elektrische Magnet Türhalter bis 61kg Haltekraft ideal auch für den Brandschutz Einfach zu montieren, robust und langlebigBeim Anlegen der Spannung ist der Frontbereich Magnetisch und hat eine Haltekraft bis 61-Kg ( 600nm )Strom weg und die Türe wird losgelassen somit ideal betreibbar über einen Wandtaster, Steuerung, Relais, Brandschutztürsteuerung, Rauchmeldersteuerung oder ähnlichem.Kurzdaten:Elektromagnetischer Türhalter für 24V BetriebsspannungMit integriertem roten Auslösetaster = Druckknopf für manuelle FreigabeMit rundem Kabeleinlass mit DM 20,5mm und SchraubklemmenGeeignet für einfache Türen und doppelte rauchfeste TürenGeeignet für alle Arten von Türen.. Metalltüren oder Holztüren etc.  Ebenso geeignet für Metalltüren ..... oder Holztüren da die nicht elektrische Einheit einfach angeschraubt werden kannTechnische Daten:Elektro Haltemagnet Basis = rechteckig / Kopf = rundHaltekraft : 61 Kg = 600-610 NewtonStromversorgungsmodus : 24V DC = GleichspannungSpannung : 24V 100mA +/- 10% ( 240-Ohm ) duty DC ED100%Stromaufnahme in Betrieb 95-105mAMaterial : extrem stabiler ABS Kunststoff, Metall Oberflächenbehandlung der Schale: Zink Betriebstemperatur : -10 ºC ... + 55 ºC Maximale Feuchtigkeit : 95%Abmessungen   Elektrischer Haltemagnet: H: 120mm x B: 130mm x T: 88mm  ( Fuss-Sockel = 71x130mm Basis )  Runder Kopf mit Durchmesser von 50mm  Befestigungsfuß mit 4 Bohrungen DM je 6,2mm  Gegenstück für die Montage an der Türe : 80 x 80 x 50mm  Runder Kopf mit Durchmesser von 55mm  Der Kopf ist verstellbar und drehbar somit frei einstellbarDer Anschluss erfolgt über 2 Schraubklemmen ( Printklemmen ) für Kabel bis 1,5qmmDruckknopf für manuelle Freigabe ( roter Knopf ) bereits integriert.Das System hat einen roten Knopf integriert und ist gedacht im bestromten Zustand zu unterbrechen,sprich dann den Haltemechanismus elektrisch aus zu lösen; das hat den Vorteil, dass man keinen Alarm auslösen muss.Nettogewicht : 1050 gLieferung inkl. 8x Senkkopfschrauben ( Spaks ähnliche ) L : 38mm mit Dübeln Optional sind auch passende Netzteile hierzu erhältlich ( siehe auch im Zubehör-Register )  Art-Nr. 93-815-03450 = Steckernetzteil 24VDC 500mA Art-Nr. 93-807-05228 = Hutschienennetzteil 24VDC 630mA für Schaltschrankeinbau Art-Nr. 93-808-00510 = Netzteil in Case Bauform 24VDC 1100mA Art-Nr. 93-808-03485 = Netzteil für runde Schalterdosen 24VDC 500mA  Elektromagnet Haltemagnet für Türen zu im Brandschutzfall erhältlich wie folgt :  Bst Nr. 47-790-00610 = Elektrischer Türhalter bis 61Kg Haltekraft 24V Elektromagnet HaltemagnetBst Nr 47-790-00605 = Elektrischer Türhalter bis 61Kg Haltekraft 24V Elektromagnet HaltemagnetWeiteres Zubehör erhältlich z.B. Exit-Taster oder Hausalamtaster Alarmtaster auch in Rot usw.  Bst-Nr 47-790-00750 = EXIT-Taster Edelstahl mit Aufputzgehäuse 86x50x26mmBst-Nr 47-790-00780 = EXIT-Taster Edelstahl mit großem grünem KnopfZusatzinfo :  Neu ist nun auch das wir hierzu ein 24V Rauchmelder ( >Standalone ) mit Hilfsrelais und Wechslerkontakt ) anbieten können :   Bst-Nr 37-841-00096 = 24V Rauchmelder Kabelgebunden Multikriterienmelder mit Sockel Bst-Nr 92-477-02680 = 24V Modul Relaisplatine 4K OPC-INP 1xUM = MX1-RM-WK-2-230  

Verkaufspreis: 88,80 € Regulärer Preis: 149,00 € (40.4% gespart)
Tipp
Neu
Elektrischer Türhalter bis 285Kg Haltekraft 12V-24V Elektromagnet Haltemagnet für Glastüren Tore Feuerschutztüre
Elektrischer Türhalter bis 285Kg Haltekraft 12V-24V Elektromagnet Haltemagnet für Glastüren Tore Feuerschutztüre

Sehr starker Elektromagnet Haltemagnet 2-teilig mit 285-Kg Haltekraft; geeignet für alle Arten von Türen siehe auch weitere Bilder mit Anwendungsmöglichkeiten ! Zuverlässiger ausfallsicherer Mechanismus mit langlebigem und geräuschloser sicherer Betrieb.Dieser elektrische Türfeststeller ist ein Standard-Typ mit 12V oder 24V DC und einen sehr geringem Stromverbrauch von nur 3,3Watt Ideal als Magnetverriegelung oder reiner Elektro-Haltemagnet verwendbar Idealer Elektrische Magnet Türhalter bis 285-kg Haltekraft ideal auch für den Brandschutz Einfach zu montieren, robust und langlebigBeim Anlegen der Spannung ist der Frontbereich Magnetisch und hat eine Haltekraft bis 285-Kg Strom weg und die Türe wird losgelassen somit ideal betreibbar über einen Wandtaster, Steuerung, Relais, Brandschutztürsteuerung, Rauchmeldersteuerung oder ähnlichem.******  weitere Infos ****** + Elektromagnet Haltemagnet 2-teilig Haltekraft bis zu 285-Kg und integrierten Schraubklemmen für eine externe Auslösetaste ... Steuerung o.ä. + Dieses Elektromagnet eignet sich je nach Modell für Glas- Holz-, Metall- oder Aluminiumtüren. + Bestimmte Modelle sind für den Einsatz an Brandschutztüren und Notausgängen zertifiziert. Bitte prüfen Sie vor der Installation stets die jeweiligen Zertifizierungen und die Kompatibilität. + Zuverlässiger ausfallsicherer Mechanismus mit langlebigem und geräuschloser Betrieb an allen großen Türen Toren + Dieser elektrische Türfeststeller ist ein extrem kräftige Ausführung mit einen sehr geringem  Stromverbrauch beim Einsatz mit 12V-24Volt DC + Ideal als Magnetverriegelung oder reine Haltemagnet verwendbar. + Beim anlegen der Spannung ist der Frontbereich Magnetisch und hat eine Haltekraft bis 285-Kg ( 2800 N ) + Strom weg und die Türe wird losgelassen somit ideal betreibbar über einen Wandtaster, Steuerung, Relais, Rauchmelder oder ähnlichem. + Elektromagnetische Schlösser arbeiten üblicherweise mit einer Leistung zwischen 5-Watt und 6-Watt.  Diese Serie zeichnen sich jedoch dadurch aus, dass sie die gleiche Haltekraft mit nur 3-Watt Leistung bieten. + Es handelt sich um energieeffiziente Elektromagnete, die Ihnen helfen, Unterhaltskosten zu sparen und somit den Energieverbrauch in Gebäuden zu reduzieren. Kurzdaten+ Elektromagnetischer Halter für 12V bis 24V Betriebsspannung + Integrierter Platine mit Zeitmechanismuss der einstellbar ist per DIP Schalter + wie folgt 0-Sek = Sofort oder 5-Sek. 10-Sek. 20-Sek. offen lassen dann wieder anziehen + Integrierter Klemme für externen Auslösetaster oder Steuerkontakt für manuelle Freigabe ( siehe hierzu weitere Bilder = Anschlussplan ) + Mit rundem Kabeleinlass mit DM 10mm auf beiden Seiten neben den Schraubklemmen Technische Daten: + Primär Aufbau bzw. Aufputz Elektromagnetschloss 241x52mm Höhe nur 28mm + Gegenstück reines Metall ebenso nicht rostend 156x45x13mm + Haltekraft : 285 Kg = 2800 Newton + Stromversorg : 12-24V DC = Gleichspannung ( ED 100% ) Automatisch braucht nicht umgestellt werden +  Stromaufnahme in Betrieb mit 12V DC = 270mA 0,27A bei 24V DC 150-180mA + Verbrauch ca. 3,3W ca. 45-Ohm + Integrierter DIP-Schalter ( 2-Stück ) für Zeiteinstellung 0-Sek., 5-Sek., 10-Sek., 20-Sek. + Unter geschraubtem Deckel befinden sich 6-Schraubklemmen ( siehe Schaltplan weitere Bilder ) + Der Kabeleinlass befindet sich Links und rechts neben den Schraubklemmen + Material : extrem stabiler Metall Material der Schale: Zink-Duckguss Aluminium usw. Kunstoffvergussmaße + Platine mit Zeitsteuereinheit und Relaiskontakten unter Metallklappe + Abmessungen ( siehe auch Zeichnung weitere Bilder ) : + Abmessungen E-Magnet : 241 x 52 x 24 mm + Abmessung Metallplatte als Gegenspieler: 156 x 45.3 x 12.6mm + Dieses Produkt entspricht, soweit zutreffend, den jeweiligen Vorschriften der einzelnen Märkte wie RoHS,  WEEE, UL 294, NFPA-80, EN 14846) + Nettogewicht :2160 gr+ Lieferung inkl. Zubehör siehe weitere Bild ... Schrauben Scheiben Inbussschlüssel Optional sind auch mechanisch verschiedene Montagewinkel passende hierzu erhältlich ( siehe auch im Zubehör-Register )   Art-Nr. 47-790-00624 = Metallbefestigung Z-Winkel Z3 = 241+160mm  Art-Nr. 47-790-00625 = Metallbefestigung Z-Winkel Z4 = 264+180mm  Art-Nr. 47-790-00626 = Metallbefestigung L-Winkel L2 = 241mm  Art-Nr. 47-790-00627 = Metallbefestigung U-Winkel U3 = Aufsatz für Glastüre 160mmOptional sind auch passende Netzteile hierzu erhältlich ( siehe auch im Zubehör-Register )  Art-Nr. 93-815-03450 = Steckernetzteil 24VDC 500mA Art-Nr. 93-807-05228 = Hutschienennetzteil 24VDC 630mA für Schaltschrankeinbau Art-Nr. 93-808-00510 = Netzteil in Case Bauform 24VDC 1100mA Art-Nr. 93-808-03485 = Netzteil für runde Schalterdosen 24VDC 500mA  Elektromagnet Haltemagnet für Türen zu im Brandschutzfall erhältlich wie folgt :  Bst Nr. 47-790-00610 = Elektrischer vertikaler Türhalter bis 61Kg Haltekraft 24V Elektromagnet HaltemagnetBst Nr 47-790-00605 = Elektrischer Türhalter bis 61Kg Haltekraft 24V Elektromagnet HaltemagnetWeiteres Zubehör erhältlich z.B. Exit-Taster oder Hausalamtaster Alarmtaster auch in Rot usw.  Bst-Nr 47-790-00750 = EXIT-Taster Edelstahl mit Aufputzgehäuse 86x50x26mmBst-Nr 47-790-00780 = EXIT-Taster Edelstahl mit großem grünem KnopfZusatzinfo :  Neu ist nun auch das wir hierzu ein 24V Rauchmelder ( >Standalone ) mit Hilfsrelais und Wechslerkontakt ) anbieten können :   Bst-Nr 37-841-00096 = 24V Rauchmelder Kabelgebunden Multikriterienmelder mit Sockel Bst-Nr 92-477-02680 = 24V Modul Relaisplatine 4K OPC-INP 1xUM = MX1-RM-WK-2-230  

Regulärer Preis: Ab 119,00 €
Rabatt
Tipp
Neu
Zubehör zu 47-790-00628 Metallbefestigung L-Winkel L2 = 241mm zum elektrischer Türhalter
Zubehör zu 47-790-00628 Metallbefestigung L-Winkel L2 = 241mm zum elektrischer Türhalter

Zubehör zu 47-790-00628 = Metallbefestigung L-Winkel L2 = 241mm zum elektrischer Türhalter Zubehör L-Profil Metallwinkel für die Befestigung des E-Magnet div Anwendungen Outward opening door Abmessungen 241 x 35 x 45 mm ( Materialstärke : 5,5mm ) Nettogewicht 220 gr Lieferung inkl. Schraubensatz

Verkaufspreis: 26,95 € Regulärer Preis: 39,00 € (30.9% gespart)